首页
图纸下载
冲压模具
塑胶模具
数控编程
机械设备
家用电器
更多
软件下载
二维软件
三维软件
编程软件
CAE软件
系统软件
更多
图文资讯
软件应用
模具制造
机械制造
机械知识
平面设计
其他
软件安装
帮助中心
注册问题
登录问题
上传问题
下载问题
充值问题
更多
在线视频
新站课程
本站课程
在线问答
登录
注册
公差 第4页
最新标签
HTML
入门
精通
摩托车
三轮
狂想
两栖
图文
作用
水泵
诱导
前置
视频
测试
咨询
售后
违规
注册
登录
充值
积分
流程
提现
编号
大小
提取
0167
XSSJUG
取值
旋切
毫米
按照
上传
退稿
稿件
无法
账号
注销
站上
qiufukang
右上角
绑定
下拉
帐号
原作者
以下简称
本站
协议
会员
其它
刀路
桃木
夹板
关联性
鸟瞰
文章
PAUSE
command
主视图
长度
RCDATA
计算
ID
开发
雕刻机
生成
注释
端盖
中设
标题
回到
外公切线
圆心
立体
实验
布局
浮动
外部
参照
网格
多线
显示
缩放
特性
编组
门厅
源点
附着
光源
图片
一圆
基点
SolidEdge
教程
属性
10.3
有的
弧段
正交
栅格
及图
文章排序
时间
标题
热度
留言
随机
机械设计重大错误与一般错误(图文教程)
设计
公差
要求
机械制图教程—9-1螺纹(图文教程)
螺纹
表示
公差
机械制图教程—10-6公差与配合及其注法(图文教程)
教程
公差
制图
配合
机械制图教程—10-7形状和位置公差及其注法(图文教程)
教程
公差
制图
形状
机械设计基础-公差与配合(图文教程)
公差
配合
基础
教程
尺寸公差和形位公差关系的公差原则(图文教程)
公差
尺寸
形位公差间关系(图文教程)
公差
教程
折流板管孔直径及公差选择(图文教程)
公差
直径
选择
教程
零件图上的尺寸公差(图文教程)
公差
零件
尺寸
教程
机械制图电子教程-14、零件图(图文教程)
零件
尺寸
公差
偏差
标注
形位公差知识(图文教程)
公差
教程
形位公差在图样上的标注方法(图文教程)
公差
标注
一个形位公差标注实例让你了解形位公差知识(图文教程)
公差
标注
实例
形位公差的定义(GB/T1182—1996)(图文教程)
公差
基准
轴线
平行
零件图中尺寸公差注法(GB/T4458.4—1984)(图文教程)
图中
公差
零件
尺寸
形位公差在图样上的标注方法(GB/T 1182—1996)(图文教程)
公差
标注
形位公差代号的实例说明(图文教程)
公差
实例
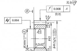
矩形花键、渐开线花键的标记方法(GB/T4459.3—2000)(图文教程) ...
齿根
公差
常用螺纹的标记方法(GB/T4459.1—1995)(图文教程)
螺纹
公差
圆锥
基本锥度法(GB/T15754—1995)(图文教程)
公差
圆锥
尺寸
直径
面轮廓度注法(GB/T15754—1995)(图文教程)
公差
圆锥
尺寸
常用公差配合的选取(图文教程)
公差
配合
常用
国标未注尺寸公差与未注形位公差值的详细说明
公差
尺寸
导柱导套配合形位公差及间隙确定方法
间隙
公差
配合
确定
之一
2
3
4
首页
发布
用户中心
积分充值
开通会员
客服