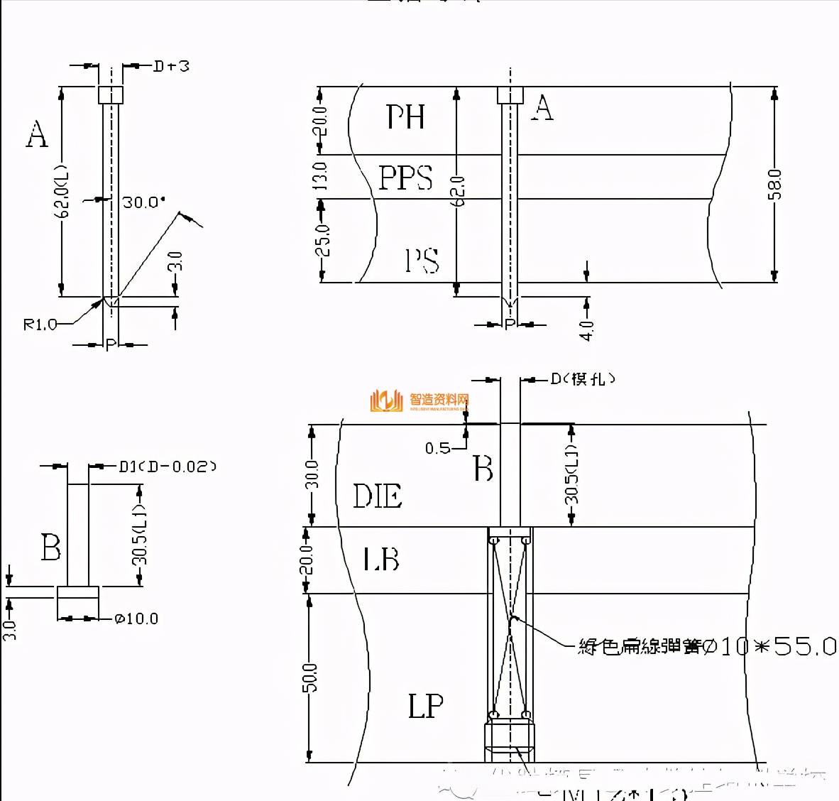
1.压线入子结构
压线的目的:
(1). 材料预变形,减少折弯时的阻力,使折弯时的尺寸更为准确。
(2). 防止折弯时产生的拉料变形。

2压筋入子结构
压筋目的
減小折弯时的回弹,使折弯尺寸更准确。
减小折弯时所产生的拉料变形。

注:滑块用于折弯成形时,滑块要做压筋。
2压毛边入子
(1)压毛边的形式
內孔压毛边﹐产品周边压毛边。
(2)压毛边入子的加工方法
先线割好入子外形﹐将入子放入模板入子孔內﹐下面垫高0.22mm﹐用Φ4球刀依入子周边加工﹐尺寸見下图示意。(料厚为0.8T)

4预剪结构
连续模带料部分在最后一站剪切或剪断成形﹐产品要求外观或手可触摸处均无毛边﹐因此要求模具在剪切的前一站进行预剪(也称为预压毛边)。设计时﹐先要判定毛边的方向﹐确定预剪在上模还是在下模﹐其结构及具体设计尺寸如下﹕

5连剪带折弯结构
作业说明:
先剪后折刀口高度为一个料厚,斜1.5度,目的是减少冲头同切口之间的接触面,以便減少摩擦。沖头切口底部直2mm,是为了保证刀口強度,防止崩刃。沖头折弯边高度为1.5T,这样可保证先剪断后折边。

6顶料销设计标准
1.选用原則
(1).一般选用Φ8.0的LB型顶料销。若位置不夠时可选用Φ6.0型的顶料销。
(2).当所需顶料力很大,位置又夠时可选用Φ10.0的顶料销.
(3).顶料销长度的选择,应注意参考以下原则:
a. 选用标准长度,并考虑可否不需要在模板上沉孔。
b. 顶出高度<=10MM时,一般选用Φ8.0的顶料销﹔顶出高度>=10.0MM时,选择其它标准规格的顶料销.
c. 避免开模时弹簧顶住模板台阶处的現象。
d. 铁氟龙材质LB型顶料销适用于铝材,铜材等材质。规格为Φ8.0*25,Φ8.0*30,Φ8.0*35,Φ8.0*40
2.排布規則
(1)抽孔,抽凸周围对称排配顶料销,也可采用內脱料的形式脱料。
(2)折弯时如使用顶料销脱料,在凸模上折弯边每隔20-30MM排配一个顶料销,折弯拐角处一定要排配一个顶料销,顶料销四分点距折弯边2.5MM.
(3)折单边时,折弯边顶料销按上述原則排配,非折弯边视大小均勻分布2-4个顶料销。
顶料销的排配一般保证顶料销逃孔边到材料边或模具相应刃口边距离为4MM,注意其位置尺寸尽量圆整到整数或小数点后一位。內孔精定位销两边一般对称排配两个顶料销,外形精定位可视需要礁定是否安装顶料销。另外顶料销的排配还要考虑整个工件的稳定性
7打沙拉孔设计标准
1.沙拉孔的成形步骤:
a.先打沙拉后冲孔 b.先冲孔后打沙拉 c.先冲孔,打沙拉,再冲孔
2.沙拉孔分为两种:
a. 淺沙拉孔:
浅沙拉孔分为三个步骤,第一步,先沖底孔,第二步,打沙拉孔,第三步,再沖沙拉過孔,具体尺寸见下图示意.

b. 深沙拉孔:深沙拉孔分为两个步骤,第一步,先沖底孔,第二步,打沙拉孔

8滑块结构设计标准
1. 滑块固定形式常用的有如下几种﹕
a. 适用于中小形滑块﹐依靠滑块的垂直边限位(如图1)﹔
b. 适用于以共用方式加工的大型滑块﹐限位块采用入块形式(如图2)﹔
c. 适用于需快速装卸的大中型滑块﹐依靠滑块底部的限位板限位(如图3)﹔
d. 适用于需要滑块在接触料片前先复位的场合﹐靠滑块中的顶料销作用﹐先將滑块复位﹐顶料销长度通常为7mm﹐浮出端面2.0mm﹐选用紅色扁线弹簧。(如图4)
e.适用于要求中间垂直p上下运动﹐左右滑块水平运动的块合﹐中间滑块依靠內导柱导向﹐左右滑块用等高套筒限位﹐等高套筒长度取夾板厚度加0.5mm。(如图5)


2. 滑块通用结构及尺寸
(1) 配合部分大滑块及模板通常取外角为R1.0﹐內角取R0.8﹐如图(9)所示;小滑块及模板取外角R0.5內角取R0.3
(2) 图(7)(8)为滑块常用的结构形式.
(3) 图(6)用用于滑块尺寸较小而无法設置燕尾﹐或采用图(7)(8)的形式﹐模板在滑块W方向尺寸干涉时﹐图中尺寸A,B,C,D一般最小取3mm;
(4) 滑块配合间隙(图中影线部分)﹕
a. 材料厚度大于或等于0.6时﹐模板相应单边放大间隙0.03,滑块不放间隙﹔
b. 材料厚度小于0.6时﹐模板相应处单边放大间隙0.02﹐滑块不放间隙﹔
c. 大中型滑块割共用时﹐设计者仅需绘出滑块理论形狀﹐共用处的阶梯断面及间隙由加工部门自行处理﹐共用滑块配合间隙一般取0.02。
(5) 滑块斜角P在15度內时可任取﹔当大于15度时﹐只能取30度及45度两种﹐斜角最大不超过45度。
(6) 滑块斜角优先选用5°﹐10°﹐30°﹐45°几种规格。

3. 滑块设计注意事項
a.滑块垂直运动行程一般不得大于滑块厚度的一半﹔
b.为確保滑块活动可靠﹐滑块顶部应布置适当数量的浮升销或弹簧﹔
c.当滑块以共用形式加工时﹐应將两滑块绕模板中心旋转180度进行加工﹐此时设计人员不需將图元旋转﹐调整工作由加工部门自行处理﹔
d.如图(12)所示﹐当模板中间有小滑块时﹐若滑块斜度小于或等于15度﹐导滑槽可直接在模板上割出﹔若滑块斜度大于15度﹐模板上的导槽最好改为入块形式。

9 滾軸,折刀设计标准
1. 滾軸
一般情況下,滾軸选用Φ8.00,特殊时可选用Φ6.00或Φ4.00。
滾軸若沒有讓位加工,可不需出图。
2. 折刀
折刀采用夾板銑槽,內六角螺絲(M10)固定。
H取值小于內脱板厚度.折刀上部內磨0.1作用主要是防止折刀將材料刮傷。
有內导柱时折刀与內脱板的间隙为+0.1,无內导柱时折刀与內脱间隙为0.02.

10侧刃定位设计标准
1. 模设计中﹐为使材料送料精確,使用節距定位來保证材料的送料步距。节距定位一般有切舌式和侧刃定位两种方式。因采用侧刃定位尺寸稳定﹐固常使用。
2. 侧刃剪切材料的寬度e對于一般材料e取值为2.0mm;對于沖剪薄(T≦0.3mm)时e取值为1.5mm。侧刃定位块與沖頭的间隙为0.01mm.﹔与沖剪后材料的间隙为0.03mm。侧刃定位块尺寸請參考標准件”節距定位块”。结构方式請詳見(图一)﹕

11限位柱设计标准
1. 在模具设计中﹐为了防止模具在空打时打壞零件﹐如字模﹐壓線印﹔以及一些特殊模具力的不平衡情況时﹐而加以限位柱以其承受力量。
2. 限位方式可以分为模內限位和模外限位两种。一般Φ20的用于模內限位﹐而Φ30和Φ40的用于模外位。
3. 限位柱據體尺寸請參考標准件”限位柱”。
4. 限位柱的高度﹐如若是字模﹐壓線印加限位柱﹐在模內只需突出模板(0.6~0.8T)﹐在模外加限位柱上下限位柱高度平分﹐但平分为整数为佳 ﹐或是有較大高度差以此防呆。

12两用销设计标准
1. 选用两用销:两用浮升销的选用不僅要考虑材料的厚度﹐还要考虑模具的大小(原則为優先取大)。具體尺寸可參考標准品”两用浮升销”。两用浮升销與之相關尺寸(如图)。
2. 两用浮升销在脱料板上的讓位深度,直接影響工件的品質﹐如讓位過深或過淺时﹐材料的料边會被壓傷﹐甚而會把材料剪斷。为減少這一現象的出現﹐根據標准两用销的规格﹐而確定脱料板的讓位深度尺寸可參考图中之表。
3. 開模时﹐若两用浮升销的浮升高度超過內导柱開模时导向长度时﹐当导柱離開下模时﹐浮升销的頭部仍在脱料板內﹐如若浮升销脱板讓位间隙太小﹐且開模力不平衡﹐會把浮升销碰斷﹐故規定浮升销的脱板讓位单边为2.0mm。但若是薄材或料寬過小时﹐請依據實際情況確定脱板讓位间隙。浮升销不僅有定位﹐浮升的作用﹐而又要使送料順利﹐故而規定剪切前材料與
4. 浮升销的间隙为0.10mm;剪切后材料與浮升销的间隙为0.03mm。

13定位设计标准
由於產品尺寸精度及配合性要求越來越高,在模具设计时,定位是不可忽视的。
1. 定位按位置分为内定位和外定位两种。
2. 內定位块(销)A與產品间隙位0.03mm,外定位块(销)B與產品间隙为0.05mm。
3. 內定位两边必須有对称顶料销D,其與內定位间隙如图。若無內定位块(销)A时,外定位块B與工件间隙应为0.03mm。
4. 外定位根據實際情況可先用異形或圓形,但是盡可能用剪切後的边來定位。
5. 外定位其有效部分应比內定位有效部分高出3-5mm。
6. 內定位脱料板讓位割单+0.05mm.外定位销脱料板鑽单+0.5mm異形外定位脱料板讓位割+0.1mm。

14抽牙结构设计標准
抽牙制作標准﹕
抽牙的計算原理为體積不變的原理﹐一般抽孔高度取H=3P(P为牙距)。R=EF﹐
∵T*AB=(H-EF)EF+π*EF*EF/4,
∴AB={H*EF+(π/4-1)EF*EF,
∴預沖孔=ψD-2AB.
1. T≦0.5时﹐取EF=100﹪T
2. 0.5<T<0.8时取EF=70﹪T
3. T≧0.8时取EF=65﹪T

常用几种抽牙形式如下图所示﹕(向上,向下抽牙沖子长度均一樣长﹐便于更換)



15帶料缺口设计標淮
1. 連續模设计时﹐考虑到帶料处會由于送料不淮而產生斷差﹐或二次剪切產生毛刺﹐所以设计时會加工藝缺口克服以上問題。
2. 缺口的標淮形式:剪斷沖頭超出0.3mm,即可避免未剪切而產生毛刺。
3. 示意图如下﹕

智能未来,未来已来
东莞潇洒职业培训学校开设课程有:Solidworks产品设计培训、pro/E产品设计培训、AutoformR7工艺分析培训,
非标自动化设计、PLC编程、数控编程培训、塑胶模具设计培训,压铸模具设计培训、冲压模具设计培训,
精雕、ZBrush圆雕培训、CNC电脑锣操机、文职培训、电商培训、平面设计等培训
潇洒职业培训学校线下、线上等网络学习方式,随到随学,上班学习两不误,欢迎免费试学!
联-系-电-话:壹捌零贰玖壹捌叁捌捌柒(微信同号)Q-Q:贰玖伍捌捌陆壹伍陆肆
学习地址:东莞市横沥镇新城工业区兴业路121号-潇洒职业培训学校
1;所有标注为智造资料网zl.fbzzw.cn的内容均为本站所有,版权均属本站所有,若您需要引用、转载,必须注明来源及原文链接即可,如涉及大面积转载,请来信告知,获取《授权协议》。
2;本网站图片,文字之类版权申明,因为网站可以由注册用户自行上传图片或文字,本网站无法鉴别所上传图片或文字的知识版权,如果侵犯,请及时通知我们,本网站将在第一时间及时删除,相关侵权责任均由相应上传用户自行承担。
[complaint:内容投诉]
智造资料网打造智能制造3D图纸下载,在线视频,软件下载,在线问答综合平台 » 五金冲压模具常用标准化结构

