第一部分 二维截面轮廓的绘制
在CAXA的二维截面绘图环境中绘制如下图形:
吊钩截面 变速叉截面
盖板截面 扳手截面


第二部分 简单组合型体造型
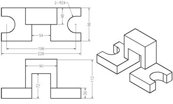
练习一

练习二

练习三

练习四

练习五

练习六

练习七

第三部分 复杂组合型体造型
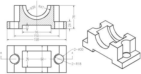
练习一

练习二

练习三

练习四

练习五(提示:采用表面操作命令)

练习六
第四部分 典型机械零件设计
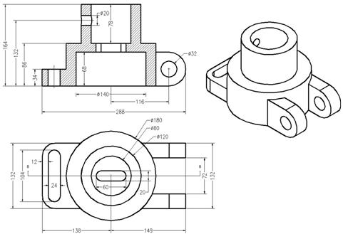
练习一 支座

练习二 输油管座零件

练习三 支架

练习四 电扇

练习五 曲轴

第五部分 曲面设计
练习一 椭球体(提示:利用边界曲面命令)

练习二 吊钩(提示:利用网格面和旋转面命令)

练习三 笔筒(提示:上表面利用放样面,凹槽利用旋转曲面)

练习四 手机

第六部分 装配设计
练习一 齿轮泵装配设计

齿轮泵零件图1

齿轮泵零件图2

免责声明:
1;所有标注为智造资料网zl.fbzzw.cn的内容均为本站所有,版权均属本站所有,若您需要引用、转载,必须注明来源及原文链接即可,如涉及大面积转载,请来信告知,获取《授权协议》。
2;本网站图片,文字之类版权申明,因为网站可以由注册用户自行上传图片或文字,本网站无法鉴别所上传图片或文字的知识版权,如果侵犯,请及时通知我们,本网站将在第一时间及时删除,相关侵权责任均由相应上传用户自行承担。
[complaint:内容投诉]
智造资料网打造智能制造3D图纸下载,在线视频,软件下载,在线问答综合平台 » CAXA练习图(图文教程)
1;所有标注为智造资料网zl.fbzzw.cn的内容均为本站所有,版权均属本站所有,若您需要引用、转载,必须注明来源及原文链接即可,如涉及大面积转载,请来信告知,获取《授权协议》。
2;本网站图片,文字之类版权申明,因为网站可以由注册用户自行上传图片或文字,本网站无法鉴别所上传图片或文字的知识版权,如果侵犯,请及时通知我们,本网站将在第一时间及时删除,相关侵权责任均由相应上传用户自行承担。
[complaint:内容投诉]
智造资料网打造智能制造3D图纸下载,在线视频,软件下载,在线问答综合平台 » CAXA练习图(图文教程)

