法兰盖也称盲板法兰,是中间不带孔的法兰,供封住管道堵头用。在进行CAD设计时,我们经常需要绘制法兰盖。那么,怎样进行法兰盖的绘制呢?在今天的CAD教程中,我们将以浩辰CAD机械2011软件作为工具,为大家详解绘制法兰盖的过程。
1、依次点击【辅助工具】—【图层变换工具】,改变绘制图形的图层(如图1)

图1
2、绘制出图形后,如果是对称的图形,我们可以使用镜像功能来复制图形,从而达到快速绘图的效果(如图2)。

图2
3、使用图案填充功能能够实现对图形的快速填充,在填充的设置里面,我们可以选择符合自己需求的填充样式、比例、区域、选择对象(如图3)。

图3
4、在填充完毕之后,我们需要对图形进行标注。浩辰CAD机械2011提供了智能化的标注功能,更方便我们快速地进行标注。而在本篇教程中,我们依次点击【尺寸标注】——【智能标注】,之后对圆、弧进行标注。这不同于以往的机械标注方式,能够提高设计师的效率(如图4)。

图4
双击【标注】后,我们还可以对标注的内容进行修改、添加等设置来满足设计师的一些标注要求(如图5)

图5
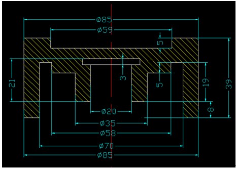
这样,我们的图形就绘制完毕了(如图6),可以看出,在浩辰CAD机械2011一些智能功能的帮助下,我们很顺利的完成了绘制过程。而有兴趣的朋友也可以下载浩辰CAD机械2011软件,参考我们的方法进行绘制。

图6
免责声明:
1;所有标注为智造资料网zl.fbzzw.cn的内容均为本站所有,版权均属本站所有,若您需要引用、转载,必须注明来源及原文链接即可,如涉及大面积转载,请来信告知,获取《授权协议》。
2;本网站图片,文字之类版权申明,因为网站可以由注册用户自行上传图片或文字,本网站无法鉴别所上传图片或文字的知识版权,如果侵犯,请及时通知我们,本网站将在第一时间及时删除,相关侵权责任均由相应上传用户自行承担。
[complaint:内容投诉]
智造资料网打造智能制造3D图纸下载,在线视频,软件下载,在线问答综合平台 » 浩辰CAD2011机械_(15)法兰盖壳的绘制(图文教程)
1;所有标注为智造资料网zl.fbzzw.cn的内容均为本站所有,版权均属本站所有,若您需要引用、转载,必须注明来源及原文链接即可,如涉及大面积转载,请来信告知,获取《授权协议》。
2;本网站图片,文字之类版权申明,因为网站可以由注册用户自行上传图片或文字,本网站无法鉴别所上传图片或文字的知识版权,如果侵犯,请及时通知我们,本网站将在第一时间及时删除,相关侵权责任均由相应上传用户自行承担。
[complaint:内容投诉]
智造资料网打造智能制造3D图纸下载,在线视频,软件下载,在线问答综合平台 » 浩辰CAD2011机械_(15)法兰盖壳的绘制(图文教程)

