在进行机械设计时,我们经常需要按照设计需求绘制机械孔。那么,如何使用CAD软件绘制机械孔呢?下面,我们将以浩辰CAD机械2011软件为例,介绍一下如何绘制机械孔。
在下图的CAD图纸中(如图1),我们可以看到事先已定位好的浩辰CAD机械2011的单孔工具。
图1
以左侧的沉孔为例,点击【单孔】工具,或者在命令行中输入【DK】,命令行会提示孔的类型(单孔、双圆孔、螺纹孔)。
我们选择双圆孔,在命令行中输入【2】,之后在对话框中输入内孔、外孔直径(如图2),软件就会按照我们的设定生成双圆孔图。

图2
以同样的方法可以绘制圆孔以及螺纹孔(如图3)。

图3
接下来,我们需要对已经绘制完成的机械孔进行标注。在此图中,我们选中【螺纹标注】功能,软件会弹出如右图所示对话框,在这里我们可以调整标注螺纹的样式,标准的效果可以在标准内容中显示出来(如图4)

图4
在对回转体标注时,我们可以使用多重标注的【轴/对称】标注功能。这时,我们只需要选择尺寸线所要引出的位置,就可以实现对轴类的快速标注。
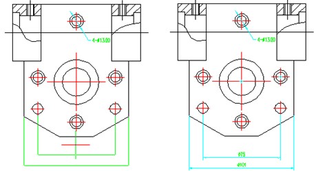
同样,这个技巧对于对称标注的机械孔CAD图也是适用的,在标注时我们只需要选择边界线以及圆孔的中心线就可以了(如图5)。

图5
这样,我们就完成了机械孔的绘制.
免责声明:
1;所有标注为智造资料网zl.fbzzw.cn的内容均为本站所有,版权均属本站所有,若您需要引用、转载,必须注明来源及原文链接即可,如涉及大面积转载,请来信告知,获取《授权协议》。
2;本网站图片,文字之类版权申明,因为网站可以由注册用户自行上传图片或文字,本网站无法鉴别所上传图片或文字的知识版权,如果侵犯,请及时通知我们,本网站将在第一时间及时删除,相关侵权责任均由相应上传用户自行承担。
[complaint:内容投诉]
智造资料网打造智能制造3D图纸下载,在线视频,软件下载,在线问答综合平台 » 浩辰CAD2011机械_(11)机械孔绘制(图文教程)
1;所有标注为智造资料网zl.fbzzw.cn的内容均为本站所有,版权均属本站所有,若您需要引用、转载,必须注明来源及原文链接即可,如涉及大面积转载,请来信告知,获取《授权协议》。
2;本网站图片,文字之类版权申明,因为网站可以由注册用户自行上传图片或文字,本网站无法鉴别所上传图片或文字的知识版权,如果侵犯,请及时通知我们,本网站将在第一时间及时删除,相关侵权责任均由相应上传用户自行承担。
[complaint:内容投诉]
智造资料网打造智能制造3D图纸下载,在线视频,软件下载,在线问答综合平台 » 浩辰CAD2011机械_(11)机械孔绘制(图文教程)

