拖拉机前驱动桥壳是四轮驱动拖拉机上主要承载构件之一,其作用主要有:支撑并保护中央传动、差速器和左右半轴等,使左右驱动车轮的轴向相对位置固定;同后桥一起支撑车架及其上的各总成质量;拖拉机行驶时,承受由车轮传来的路面反作用力和力矩并经托架传给车架等。前驱动桥壳应有足够的强度和刚度,便于主减速器的拆装和调整。由于其形状复杂,应力计算比较困难。根据车辆设计理论,前驱动桥壳的常规设计方法是将前桥壳看成一个简支梁并校核几种典型计算工况下某些特定断面的最大应力值,然后考虑一个安全系数来确定工作应力,这种设计方法有很多局限性。近年来,随着UG、Pro/ENGINEER等软件的推广,有限元方法显示出它的独特优点。本文中所研究的对象是某型号四轮驱动拖拉机的前桥壳。
一、前驱动桥壳强度分析计算
1.受力分析
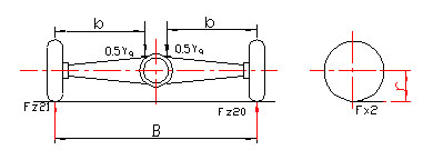
可将前桥壳视为一空心横梁,两端经轮毂轴承支撑于车轮上,在前桥壳中间上方两侧有两搭子,承受着来自拖拉机分配在前轮上的所有质量(含前配重质量)所引起的载荷;而沿左右轮胎中心线,地面给轮胎一反力,受力如图1所示。

图1 驱动前桥壳的受力简图
2.强度计算
根据拖拉机的工作情况,前桥壳强度计算可主要考虑三种典型的工况,只要考虑在这三种载荷计算工况下前桥壳的强度得到保证,就认为该前桥壳在拖拉机行驶条件下是可靠的。
(1)牵引力或制动力最大时,前桥壳两搭子处危险断面的弯曲应力σ为:σ=Mv/Wv+Mh/Wh。
式中,Mv是地面对车轮垂直反力在前桥壳搭子处断面引起的垂直平面弯矩;Mv=Yqb/2, b为轮胎中心平面到搭子中心的横向距离;Mh是牵引力或制动力(一侧车轮上的)在水平面内引起的弯矩,Mh=Fx2b。
前桥壳危险断面处的形状接近方形,其垂直平面与水平面弯曲抗弯截面系数Wv、Wh的计算方法如图2所示。

图2 断面形状及抗弯截面系数
(2)当侧向力最大时,外轮和内轮上的垂直反力和Fz20、Fz2i以及前桥壳内、外搭子座处断面的弯曲应力σi、σo之间的关系,分别为:
σi=(Fz2ib+ Fz2iφ1r)/Wv
σo=(Fz20b- Fz20φ1r)/Wv
其中,φ1为附着系数。
(3)当拖拉机通过不平路面时,危险断面的弯曲应力为:σ=KYqb/2Wv
式中k为动载荷系数。对于轿车,k取1.75;对于货车,k取2.0;对于越野车及拖拉机等,k取2.5。Yq是作用在前桥壳上所有垂直方向的载荷。
前桥壳的许用弯曲应力为300MPa~500MPa,许用扭转切应力为150MPa~400MPa。球墨铸铁前桥壳取较小值,钢板冲压焊接前桥壳取较大值。
3.计算方法的局限性
上述前桥壳强度的传统计算方法,只能算出某一断面的应力平均值,而不能完全反映前桥壳上应力及其分布的真实情况。因此,它仅用于对前桥壳强度的验算,或用作与其他车型的前桥壳强度进行比较,而不能用于计算前桥壳上某点(例如应力集中点)的真实应力值。使用有限元法对驱动前桥壳进行强度分析,只要计算模型简化得当,受力约束处理合理,就可以得到比较详细的应力与变形的分布情况,这些都是上述传统计算方法所难以办到的。
[pagecute]
二、有限元分析法计算
有限元法是工程领域中应用最为广泛的一种数值计算方法,在UG的结构分析模块中,整个有限元求解过程中最重要的环节是有限元前处理模型的建立。这一般包括模型分析准备、建立有限元模型、编辑有限元模型、分析和查看结果几个部分。首先使用UG实体建模功能,完成前桥壳几何模型的建立;然后单击【应用程序】图标下拉菜单,或【应用】︱【结构】分析,弹出“创建解法”对话框单击“显示解法参数”选取项,在弹出的对话框中设置各选项;最后通过【赋材】︱【约束】︱【载荷】︱【划分网格模型】︱【解算】等步骤,完成其分析过程。
1.有限元计算模型的建立
被分析拖拉机的参数有:前桥满载负荷m2=1248KG,车轮中心线至搭子座中心距离b=389mm,两搭子座中心间的距离s=310mm,前桥壳本身的重力G0=931.6N,前桥壳设计的安全系数为5,搭子上表面面积2500mm2,由此可得到面载荷为4.31MPa。根据有关标准,当承受满载时,前桥壳最大变形量不能超过1.5mm/m;承受1.5倍满载时,前桥壳不能出现断裂和塑性变形。所以垂直方向的载荷取满载的1.5倍,即4.31×1.5=6.465(MPa)。
2.建立三维模型
首先在UG中建立前驱动桥壳的三维模型,如图3所示。

图3 前桥壳的三维模型
该建模的关键是两侧变截面部分:以前桥壳前后对称中心和左右对称中心的交点作为坐标原点,先后算出一侧两个典型截面的特殊点坐标,分别画出两截面草图;再用【插入】︱【自由形式特征】︱【直纹曲面】;壳体的中间部分可以用【插入】︱【成形特征】︱【回转】得到两连接法兰端,也可用【插入】︱【成形特征】︱【圆台】得到;最后一起抽壳便可完成。
3.有限元模型
在UG的CAE模块中进行有限元分析,可以直接引用建立的Scenario 模型。通过模型准备后简化模型,可以有助于网格划分,提高分析精度,缩短求解时间。
先对前驱动桥壳实体做必要的简化,对主要承载件均保留其原结构形状,以反映其力学特性,对非承载件进行一定程度的简化;接着对前驱动桥壳进行网格划分,划分网格时选用具有较高刚度及计算精度的四面体10节点单元,这样将该零件划分为26475个节点,13068个单元,如图4所示。

图4 前桥壳的有限元模型
4.解算结果
UG的CAE模块提供较完整的后处理方式。在解算完成后,在Scenario导航器中,可以看见在Results下激活了各种解算结果,如图5所示,选择不同的选项,在屏幕中将出现不同的结果。

图5 解算结果
该驱动前桥壳的本体材料是QT400-15,从材料手册中查出其弹性模量E=0.15MPa,泊松比μ=0.25,材料密度为7109。
计算前桥壳的垂直静弯曲刚度和静强度的方法是将前桥两端固定,在搭子座处施加载荷,将前桥壳两端车轮中心线处全部约束,然后在搭子座处施加规定载荷。在有限元模型中,前驱动桥壳在1.5倍满载工况下,激活Results中的第一项,Displacement位移云图便在屏幕上出现;激活第三项Stress即显示为应力云图,如图6所示。结果表明,最大位移为1.352E-003m。在不考虑由于约束影响造成的局部过大应力的情况下,应力较大值分布在中央传动两侧壳体的搭子座处,约为55.2MPa,远小于材料的许用应力300MPa~350MPa。所以,该前桥壳是符合结构强度要求的。
图6 满载荷条件下的应力云图
三、结束语
本文利用UG软件建立拖拉机零部件、结构或系统的有限元计算模型,在UG的CAE模块中进行仿真分析和计算,可以降低设计开发成本,减少试验次数,缩短设计开发周期,提高产品质量,使得拖拉机性能在外形美观、舒适性和操纵稳定性方面得到改进和提高,具有一定的意义。
1;所有标注为智造资料网zl.fbzzw.cn的内容均为本站所有,版权均属本站所有,若您需要引用、转载,必须注明来源及原文链接即可,如涉及大面积转载,请来信告知,获取《授权协议》。
2;本网站图片,文字之类版权申明,因为网站可以由注册用户自行上传图片或文字,本网站无法鉴别所上传图片或文字的知识版权,如果侵犯,请及时通知我们,本网站将在第一时间及时删除,相关侵权责任均由相应上传用户自行承担。
[complaint:内容投诉]
智造资料网打造智能制造3D图纸下载,在线视频,软件下载,在线问答综合平台 » 基于UG的拖拉机前驱动桥壳有限元分析(图文教程)

