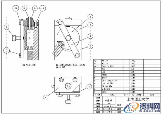
下图5-1为进行零件加工作业时,用以夹紧和支撑工件的钻模夹具,此工具共有12个零件,本章针对整个组件进行工程图的制作,以此来说明创建组件工程图的详细步骤。

图5.1 钻模夹具
5.1创建组件主视图
步骤一:按工具栏创建一般视图的图标
,出现选取组合状态(Select
Combined State)对话框,如图5-2所示,以确认组件没有任何组合状态。点选图面中央偏上的位置,即出现组件的立体图由绘图视图(Drawing
View)对话框中的模型视图名(Model view names)选框点选视图名称:FRONT,然后按应用,则组件的主视图如图5-3所示

图5.2 选取组合状态对话框
步骤二:在对话框中将类别(Categories)选框设为视图显示(View Display),然后将显示线型设为无隐藏线(No Hidden)、相切边显示样式设为无(None)再按应用,则视图的隐藏线及相切边不显示如图5-4所示

图5-3 组件的主视图

图5-4 设置显示线型
5.2创建局部剖视图
根据所要表达视图的需要,对主视图创建局部剖视图
步骤一:在对话框中将类别(Categories)选框设为剖面(Sections),在对话框中将类别(Categories)选框设为剖面(Sections),按
(以加入一个剖面),选取剖面ASM_LOCAL(以创建此剖面的视图)。如图5.5所示

图5.5 局部剖视图的建立
步骤二:将剖面的区域设为局部(Local)(以创建局部剖视图),在前视图上选取一点作为局部剖面的中心点,接着以鼠标左键画一条如图5.6 所示的封闭曲线(以界定局部剖视图的范围),然后按鼠标滚轮结束曲线的绘制,按确定键。
该文章所属专题:Pro/E工程图教程
5.3 创建侧视图
步骤一:确认组件的前视图为被选取的状态(否则点选之)→ 按住鼠标右键,由快捷菜单中选取插入投影视图(Insert Projection View),然后点选前视图的左侧,即产生右侧视图
步骤二:在对话框中将类别(Categories)选框设为视图显示(View Display),然后将显示线型设为无隐藏线(No Hidden)、相切边显示样式设为无(None)再按确认,与5.2中所述类似将侧视图设置为全剖视图,如图5.7所示

图5.6 局部剖视图

图5-7 侧视图
5.4创建组件俯视图
创建俯视图的过程与创建主视图和侧视图类似这里不再赘述,创建完成后如图5.8所示

图5.8 创建俯视图
5.5修改剖面线间距及角度
步骤一:修改侧视图剖面线,在图面空白处按一下鼠标左键,使俯视图为不被选取的状态,快速点选侧视图的剖面线两下 → 出现修改剖面线(MOD XHATCH)菜单,按下一个(Next)以切换到零件pin.prt的剖面线,然后选取排除(Exclude),以移除此零件的剖面线,结果如图5.10所示,再按下一个(Next)以切换到零件drilling_part.prt的剖面 → 选取间距(Spacing)后,选取一半(Half),以使剖面线的间距变小 → 选角度(Angle)后,选取值(Value),输入剖面线的角度80,完成修改后的剖面线如图5.10所示

图5.10 侧视图剖面线修改
步骤二:修改主视图剖面线过程与步骤一类似,完成后如图5.11所示

图5.11 主视图剖面线修改
5.6加载BOM信息
选取下拉式菜单文件(File)底下的页面设置(Page Setup)→依图5.12所示将组件的图纸格式设为jig_asm_bom.frm,右下方的表格自动显示出组件中各零件的件号(ITEM)、名称(NAME)、数量(QTY)及材质如图5.13所示

(a)

(b)
图5.12 加载BOM信息

图5.13 自动生成BOM表
该文章所属专题:Pro/E工程图教程
5.7标注零件的件号与数量
步骤一:产生零件表的球标,选取下拉式菜单表(Table)底下的BOM球标(BOM Balloons),点选图面右下方的表格,然后按确认,以依此表格的资料产生球标。选取命令创建球标(Create Balloon)→ 点选前视图,则产生如图5.14所示的BOM球标。选取BOM球标(BOM BALLOONS)菜单下的完成(Done),以结束BOM球标的设置。
步骤二:修改球标的引线端点,并将球标移至右侧视图
步骤三:将球标的引线端点改为实心圆点: 按着鼠标右键,由快捷菜单中选取编辑附件(Edit Attachment), 选取依附类型(ATTACH TYPE)菜单下的在曲面上(On Surface)点选球标指示圆点的位置 → 按鼠标滚轮以完成引线的设置.
步骤四:产生捕捉线,然后将球标落在捕捉线上。使球标对齐如图15.15所示

图5.14 添加球标

图5.15 对齐球标
该文章所属专题:Pro/E工程图教程
1;所有标注为智造资料网zl.fbzzw.cn的内容均为本站所有,版权均属本站所有,若您需要引用、转载,必须注明来源及原文链接即可,如涉及大面积转载,请来信告知,获取《授权协议》。
2;本网站图片,文字之类版权申明,因为网站可以由注册用户自行上传图片或文字,本网站无法鉴别所上传图片或文字的知识版权,如果侵犯,请及时通知我们,本网站将在第一时间及时删除,相关侵权责任均由相应上传用户自行承担。
[complaint:内容投诉]
智造资料网打造智能制造3D图纸下载,在线视频,软件下载,在线问答综合平台 » Pro/E工程图教程-(5)工程图实例(图文教程)

