§9.1 导入视图
(1)首先,选择图标
,点击【一般】,弹出对话框如图1所示,选择【无组合状态】,得到的是装配好的组件模型在工程图上的投影。选择视图属性,选择【视图类型】,根据工程图要求,选择主视角(这里可以在三维图中建立自己的参照视角,在导入二维图时,就可以直接选择已经设定好的视角)。
,点击【一般】,弹出对话框如图1所示,选择【无组合状态】,得到的是装配好的组件模型在工程图上的投影。选择视图属性,选择【视图类型】,根据工程图要求,选择主视角(这里可以在三维图中建立自己的参照视角,在导入二维图时,就可以直接选择已经设定好的视角)。
图1 选择装配组件的视图模式
(2)在选择好视角后,点击【比例】,按照所需比例导入模型。选择好比例后,选择【视图显示】--【显示线型】--【无隐藏线】--【相切边显示样式】--【无】,点击应用,如图2所示。

图2 选择视图的显示类型
N95口罩耳带机、N95切片加内置鼻梁一体机、N95口罩机整套现货,预订电话:13018639977
CNC数控编程培训、塑胶模具设计培训,冲压模具设计培训,精雕、ZBrush圆雕培训、Solidworks产品设计培训、pro/E产品设计培训,潇洒职业培训学校线下、线上网络学习方式,随到随学,上班学习两不误,欢迎免费试学!
学习联系李老师电话:13018639977(微信同号)QQ:2033825601
学习地址:东莞市横沥镇新城工业区兴业路121号-潇洒职业培训学校
(3)由于缸筒长度比较长,因此,选用“断面视图”来显示组件。
a)点击【可见区域】--【破断视图】,选择“+”点击图形边界线讲鼠标移动画第一条分割线,再选择第二条分割线,两条分割线的区域就是省略的视图部分 。
b)选择【破断线样式】为“直”“S曲线”“草绘”等等,如图3所示,得到的破断视图如图4所示,拖动第一条分割线一侧的线框拖动模型。

图3 设置破断视图的位置

图4 生成的破断视图
§9.2 设置剖切面
(1)打开【绘图视图】。
a)选择【剖面】——【2D截面】,选择“+”新建剖面,建立剖面名称;
b)下拉【剖切区域】——【局部】——【剖切区域】(在视图上会出现“X”符号),然后绘制局部剖切面的区域,如图5,6所示。

图5 设置局部剖面

图6 设置剖面区域
(2)同(1)的操作,单独对耳环上的孔进行剖切。最后,剖视图如图8所示。

图8 缸筒的剖视图
§9.3 标注尺寸
(1)选择
,点击【显示/拭除】按钮,选择
,点击【显示全部】——【接受全部】,选择
菜单管理器在图上点击所需标记的尺寸。
,点击【显示/拭除】按钮,选择
,点击【显示全部】——【接受全部】,选择
菜单管理器在图上点击所需标记的尺寸。例如图9所示,
a)为中心线间的距离(点端面线和中心线在所需标注处按下中键);
b)为圆角(直接点击圆角边按中键);
c)为直线的角度(点击2条想叫线在所需标注处按下中键);
d)为耳环孔的直径(快速点击左键轮廓线两下,在所需标注区域按下中键盘)。


a) b)


c) d)
图9 尺寸标注
图9中,关于公差和带符号的标注方法,具体如下:
(2)打开缸筒的三维图,选择【编辑】,弹出“菜单管理器”如图10所示,选择【公差设置】——【公差表】——【检索】,弹出公差的文件夹,如图10所示,hole为孔的公差,shaft为轴的公差,选择所需在装配图中的公差,如h,F等。

图10 尺寸公差选择
(3)返回,绘图窗口,在空白处点击右键,选择【属性】——【绘图选项】,在【选项】中输入,display这时会显示,一个文件display_tol_by_1000,将值从NO*改为yes并且应用,如图11所示。

图11 设置绘图选项
(4)这时,之前所标注出来的尺寸会出现小数的形式,如980.2-981.8,双击尺寸,如图12所示,选择公差模式中的象征。

图12 一般尺寸类型的选择
(5)对于孔、轴,如图13所示,有标准公差的在选择是选择【尺寸属性】里。【公差模式】——【加减】,【公差表】——【孔】(以耳环孔为例),【小数】设置位数(缸筒标注要求为3位小数)。由于是圆孔,在【尺寸属性】中选择【尺寸文本】,点击【文本符号】在文本@D前添加直径符号,如图14所示。

a)

b)

d)
图13 设置尺寸公差

图14 添加标注符号
(6)标注非标准公差,与步骤3类似,选择公差【尺寸属性】里,【公差模式】——【加减】,【公差表】——【无】(以耳环孔为例),【小数】设置位数(缸筒标注要求为2位小数),系统默认的是上标为正,下标为负,如果符号有变化,在输入数字时在数字前面添加符号即可,步骤3,4标注出的效果如图15所示。


图15 尺寸公差标注
§9.4 标注几何公差
§9.4.1无基准的标注
(1)选择系统菜单【插入】——【几何尺寸公差】,选择几何公差图标。这里点击“直线度”,在【模型参照】——【有待选取】——【类型】——【边】——【选取图元】,点击所要选取的边,再选择放置下拉菜单选择【带引线的公差】,如图16所示。

图16 选取公差的边
(2)选择好公差图标位置后,点击菜单【公差值】,输入参数(由于这是一个孔在符号选择对直径Φ打勾),如图17所示,设置好的图如18所示。

图17 设置几何公差数值

图18 直线度
§9.4.2.基准的标注
(1)选择系统菜单【插入】——【几何尺寸公差】,选择几何公差图标,这里点击“平行度”,在【模型参照】——【有待选取】——【类型】——【边】——【选取图元】,点击所要选取的边,再选择放置下拉菜单选择【带引线的公差】,然后点击【基准参照】如图19所示。

图19 选择几何公差基准
(2)添加新的标注只需点击【新几何公差】设置即可,操作重复以上操作,可以标注出一个位置的两个几何公差,如图20所示。

图20 有基准和多个几何公差标注
§9.4.3 多个尺寸同时标注
(1)选择系统菜单【插入】——【几何尺寸公差】,选择几何公差图标。这里点击“同轴度”,在【模型参照】——【有待选取】——【类型】——【边】——【轴】,点击所要选取的边,再选择放置下拉菜单选择【带引线的公差】,如图21所示。(与之前步骤相同这里就不重复了)


图21 选择带引线的标注并在图元上
(2)选择需要标注的孔,按住CTRL键,即你所需要标注的尺寸所在的图元边线上,如图22所示。

图22 多选所需标注的边
(3)点击“确定”,得到如图23的,拖动箭头,可以改变标注的位置,箭头只能在尺寸线上移动。

图23 调整公差在尺寸

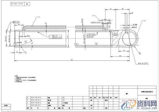
图24缸筒装配图

图25 活塞装配图
免责声明:
1;所有标注为智造资料网zl.fbzzw.cn的内容均为本站所有,版权均属本站所有,若您需要引用、转载,必须注明来源及原文链接即可,如涉及大面积转载,请来信告知,获取《授权协议》。
2;本网站图片,文字之类版权申明,因为网站可以由注册用户自行上传图片或文字,本网站无法鉴别所上传图片或文字的知识版权,如果侵犯,请及时通知我们,本网站将在第一时间及时删除,相关侵权责任均由相应上传用户自行承担。
[complaint:内容投诉]
智造资料网打造智能制造3D图纸下载,在线视频,软件下载,在线问答综合平台 » ProE工程图教程-装配图创建案例
1;所有标注为智造资料网zl.fbzzw.cn的内容均为本站所有,版权均属本站所有,若您需要引用、转载,必须注明来源及原文链接即可,如涉及大面积转载,请来信告知,获取《授权协议》。
2;本网站图片,文字之类版权申明,因为网站可以由注册用户自行上传图片或文字,本网站无法鉴别所上传图片或文字的知识版权,如果侵犯,请及时通知我们,本网站将在第一时间及时删除,相关侵权责任均由相应上传用户自行承担。
[complaint:内容投诉]
智造资料网打造智能制造3D图纸下载,在线视频,软件下载,在线问答综合平台 » ProE工程图教程-装配图创建案例

