用 AutoCAD2004 拼画装配图
装配图是用来表达机器(或部件)的工作原理、装配关系的图样。完整的装配图是由一组视图、尺寸标注、技术要求、明细栏和标题栏组成。对于经常绘制装配图的用户,将常用零件、部件、标准件和专业符号等做成图库。如将轴承、弹簧、螺钉、螺栓等制作成公用图块库,在绘制装配图时采用块插入的方法插入到装配图中,可提高绘制装配图的效率。
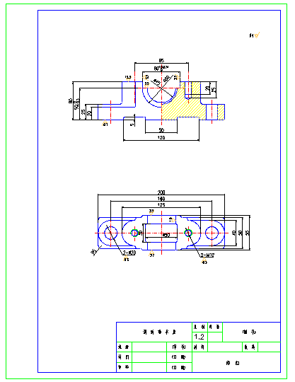
当机器(或部件)的大部分零件图已由 AutoCAD2004 绘出时,就可以采用 AutoCAD 插入图形文件的方法拼画装配图。下面以绘制图 15 - 1 所示的滑动轴承装配图为例,介绍拼画装配图的方法和步骤。
图 15 - 1
图 15 - 2 、 15 - 3 、 15 - 4 、 15 - 5 是由 AutoCAD2004 绘制的滑动轴承座、轴承盖、上、下轴衬的零件图,螺栓、螺母和油杯等已做成了公用图块,则可按下述步骤拼画滑动轴承装配图。
图 15 - 2
图 15 - 3
图 15 - 4
图 15 - 5
• 调用 A3 样板图
绘图环境可根据需要进行修改。
• 选择基础零件作为拼画装配图的基础
滑动轴承的基础零件是轴承座,所以复制一张轴承座零件图,并对其进行编辑修改。例如:删除装配图上不需要的表面粗糙度符号,关闭尺寸线层、文字层和剖面线层等。修改后的轴承座视图如图 15 - 6 所示,并以此图作为拼画装配图的基础。
图 15 - 6
• 插入轴承盖和上、下轴衬
同样,在插入之前也需对零件图进行修改和编辑,删除多余的尺寸、表面粗糙度、剖面线等,如图 15 - 7 插入轴承盖视图;选择可用部分插入到基础图的相应视图中,如图 15 - 8 ;删除多余的图线,调整轴承盖左视图至相应位置。如图 15-9 。
图 15 - 7
图 15 - 8
图 15 - 9
• 补画轴承座左视图,插入螺栓、螺母、油杯等
补画轴承座左视图;按相同比例插入螺栓、螺母等标准件图块并对被遮挡部分进行消隐或修剪、擦除等操作。
• 整理视图、标注尺寸、对零件进行编号、绘制并填写明细栏等
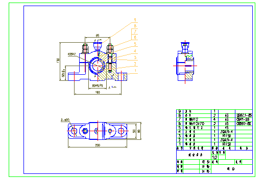
整理视图时可绘制出剖面线及其它细小结构等,标题栏和明细栏可以做到样板图中,这样将更便于装配图的绘制;检查全图并修改,保证视图正确,如图 15 - 10 。
六、存盘或打印输出。
注意:在拼画装配图时,每插入一个零件后都要作适当的编辑和修改,不要把所有的零件都插入后再修改,这样由于图线太多,修改将变得非常困难。
图 15 - 10
该文章所属专题:机械制图与AutoCAD
1;所有标注为智造资料网zl.fbzzw.cn的内容均为本站所有,版权均属本站所有,若您需要引用、转载,必须注明来源及原文链接即可,如涉及大面积转载,请来信告知,获取《授权协议》。
2;本网站图片,文字之类版权申明,因为网站可以由注册用户自行上传图片或文字,本网站无法鉴别所上传图片或文字的知识版权,如果侵犯,请及时通知我们,本网站将在第一时间及时删除,相关侵权责任均由相应上传用户自行承担。
[complaint:内容投诉]
智造资料网打造智能制造3D图纸下载,在线视频,软件下载,在线问答综合平台 » CAD教程第33章-用 AutoCAD2004 拼画装配图(图文教程)

