机床夹具的种类和结构虽然繁多,但它们的组成均可概括为以下几个部分,这些组成部分既相互独立又相互联系。
(1) 定位元件
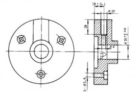
定位元件保证工件在夹具中处于正确的位置。如图3-2所示,钻后盖上的φ10㎜孔,其钻夹具如图3-3所示。夹具上的圆柱销5、菱形销9和支承板4都是定位元件,通过它们使工件在夹具中占据正确的位置。
(2) 夹紧装置
夹紧装置的作用是将工件压紧夹牢,保证工件在加工过程中受到外力(切削力等)作用时不离开已经占据的正确位置。图3-3中的螺杆8(与圆柱销合成一个零件)、螺母7和开口垫圈6就起到了上述作用。
(3) 对刀或导向装置
对刀或导向装置用于确定刀具相对于定位元件的正确位置。如图3-3中钻套l和钻模板2组成导向装置,确定了钻头轴线相对定位元件的正确位置。铣床夹具上的对刀块和塞
尺为对刀装置。

(4) 连接元件
连接元件是确定夹具在机床上正确位置的元件。如图3-3中夹具体3的底面为安装基面,保证了钻套1的轴线垂直于钻床工作台以及圆柱销5的轴线平行于钻床工作台。因此,夹具体可兼作连接元件。车床夹具上的过渡盘、铣床夹具上的定位键都是连接元件。
(5) 夹具体
夹具体是机床夹具的基础件,如图3-3中的件3,通过它将夹具的所有元件连接成一个整体。
(6) 其它装置或元件
它们是指夹具中因特殊需要而设置的装置或元件。

若需加工按一定规律分布的 1—钻套 2—钻模板 3—夹具体 4—支承板 5—圆柱销
多个表面时,常设置分度装 6—开口垫圈 7—螺母 8—螺杆 9—菱形销
置;为了能方便、准确地定位,常设置预定位装置;对于大型夹具,常设置吊装元件等
免责声明:
1;所有标注为智造资料网zl.fbzzw.cn的内容均为本站所有,版权均属本站所有,若您需要引用、转载,必须注明来源及原文链接即可,如涉及大面积转载,请来信告知,获取《授权协议》。
2;本网站图片,文字之类版权申明,因为网站可以由注册用户自行上传图片或文字,本网站无法鉴别所上传图片或文字的知识版权,如果侵犯,请及时通知我们,本网站将在第一时间及时删除,相关侵权责任均由相应上传用户自行承担。
[complaint:内容投诉]
智造资料网打造智能制造3D图纸下载,在线视频,软件下载,在线问答综合平台 » 机床夹具的组成(图文教程)
1;所有标注为智造资料网zl.fbzzw.cn的内容均为本站所有,版权均属本站所有,若您需要引用、转载,必须注明来源及原文链接即可,如涉及大面积转载,请来信告知,获取《授权协议》。
2;本网站图片,文字之类版权申明,因为网站可以由注册用户自行上传图片或文字,本网站无法鉴别所上传图片或文字的知识版权,如果侵犯,请及时通知我们,本网站将在第一时间及时删除,相关侵权责任均由相应上传用户自行承担。
[complaint:内容投诉]
智造资料网打造智能制造3D图纸下载,在线视频,软件下载,在线问答综合平台 » 机床夹具的组成(图文教程)

