6. 6 联动夹紧机构
根据工件结构特点和生产率的要求,有些夹具要求对一个工件进行多点夹紧,或者需要同时夹紧多个工件。如果分别依次对各点或各工件夹紧,不仅费时,也不易保证各夹紧力的一致性。为提高生产率及保证加工质量,可采用各种联动夹紧机构实现联动夹紧。
联动夹紧是指操纵一个手柄或利用一个动力装置,就能对一个工件的同一方向或不同方向的多点进行均匀夹紧,或同时夹紧若干个工件。前者称为多点联动夹紧,后者称为多件联动夹紧。
6.6.1.多点联动夹紧机构
图6-46 浮动压头示意图
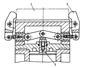
图6-47 两点对向联动夹紧机构
1-工件 2-浮动压板 3-活塞杆
最简单的多点联动夹紧机构是浮动压头,如图6-46所示。其特点是具有一个浮动元件1,当其中的某一点夹压后,浮动元件就会摆动或移动,直到另一点也接触工件均衡压紧工件为止。
图6-47为两点对向联动夹紧机构,当液压缸中的活塞杆3向下移动时,通过双臂铰链使浮动压板2相对转动,最后将工件1夹紧。
6.6.2.多件联动夹紧机构
多件联动夹紧机构,多用于中、小型工件的加工,按其对工件施加力方式的不同,一般可分为平行夹紧、顺序夹紧、对向夹紧及复合夹紧等方式。
图6-48 平行式多件联动夹紧机构
1-工件 2-压板 3-摆动压块 4-球面垫圈 5-螺母 6-垫圈 7-柱塞 8-液性性质
图6-48(a)为浮动压板机构对工件平行夹紧的实例。由于压板2、摆动压块 3 和球面垫圈 4 可以相对转动,均是浮动件,故旋动螺母 5 即可同时平行夹紧每个工件。图6-48(b)所示为液性介质联动夹紧机构。密闭腔内的不可压缩液性介质既能传递力,还能起浮动环节作用。旋紧螺母 5 时,液性介质推动各个柱塞 7,使它们与工件全部接触并夹紧。
6.7 夹紧机构设计实例
夹紧机构对夹具的整体结构起决定性的影响。在选择或设计夹紧机构时,灵活性很大,在满足产品质量的前提下,应注意使夹具的复杂程序与生产批量相适应,夹紧机构的结构要便于制造、调整、使用和维修。
1.设计夹紧机构的步骤
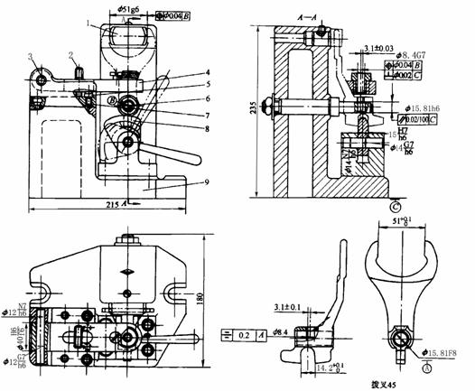
如图6-49所示,按第四节定位装置设计实例所确定的定位方案,分析确定其夹紧机构
当定位心轴水平放置时,在 Z525 立钻机上钻 f8.4mm 孔的钻削力和扭矩均由定位心轴来承担。这时工件的夹紧有两种方案。
(1) 在心轴轴向施加轴向力夹紧
在心轴端部采用螺旋夹紧机构,夹紧力与切削力处于垂直状态。这种结构虽然简单,但装卸工件却比较麻烦。[yao_page]
(2)在槽14.2mm中采用带对斜面的偏心轮定位件夹紧
当偏心轮转动时,对称斜面楔入槽中,斜面上的向上分力迫使工件孔f15.81F8 与定位心轴的下母线紧贴,而轴向分力又使斜面与槽紧贴,使工件在轴向被偏心轮固定,起到了既定位又夹紧的作用。
显然,后一方案具有操作方便的优点,机构如图6-49所示。偏心轮装在其支座中,安装调整夹具时,偏心轮的对称斜面的中心与夹具钻套孔中心线保持 3.1±0.03mm 的要求。夹紧
时,通过手柄顺时针转动偏心轮,使其对称面楔入工件槽内,在定位的同时将工件夹紧。由于切削力不大,故工作可靠。
图6-49 拔叉钻孔夹具
1-扁销 2-紧定螺钉 3-销轴 4-钻模板 5-支承钉 6-定位轴 7-偏心轮 9-夹具体
该夹具对工件定位考虑合理,且采用偏心轮使工件既定位又夹紧,简化了夹具结构,适用于成批生产。
6.8 夹具体
6.8.1 夹具体的基本要求
夹具体是整个夹具的基础件。在夹具体上要安装组成该夹具所需要的各种元件、机构、装置等;并且还必须便于装卸工件以及在机床上的固定。因此,夹具体的形状和尺寸,主要取决于夹具上各组成件分布情况,工件的形状、尺寸以及加工性质等。
对于夹具体的设计提出以下一些基本要求:
1. 应有足够的强度和刚度
以保证加工过程在夹紧力、切削力等外力作用下,不致产生不允许的变形和振动。为此,夹具体应具有足够的壁厚,在刚度不足处可设置一些加强筋,一般加强筋厚度取壁厚的 0.7~0.9 倍,筋的高度不大于壁厚的5倍。近年来有些工厂采用框形结构的夹具体,可进一步提高强度及刚度,而重量却能减轻。
2. 力求结构简单,装卸工件方便
要防止无法制造和难以装卸的现象发生。在保证强度和刚度的前提下,尽可能体积小,重量轻,特别对手动、移动或翻转夹具,要求夹具总重量不超过100N(相当于10kg),以便于操作。
3.有良好的结构工艺性和使用性
以便于制造、装配和使用。夹具体上有三部分表面是影响夹具装配后精度的关键,即夹具体的安装基面(与机床连接的表面);安装定位元件的表面;安装对刀或导向装置的表面。而其中往往以夹具体的安装基面作为加工其它表面的定位基准,因此在考虑夹具体结构时,应便于达到这些表面的加工与要求。对于夹具体上供安装各元件的表面,一般应铸出 3~5mm高的凸台,以减少加工面积。夹具体上不加工的毛面与工件表面之间应保证有一定的空隙,以免安装时产生干涉,空隙大小可按以下经验数据选取:
夹具体是毛面,工件也是毛面时,取 8~15mm;夹具体是毛面,而工件是光面时,取 4~10mm。
![]()
4. 夹具体的尺寸要稳定
即夹具体经制造加工后,应防止其日久变形。为此,对于铸造夹具体,要进行时效处理;对于焊接夹具体,则要进行退火处理。铸造夹具体的壁厚变化要和缓、均匀,以免产生过大内应力。
5. 排屑要方便
为了防止加工中切屑聚积在定位元件工作表面上或其它装置中,而影响工件的正确定位和夹具的正常工作,因此在设计夹具体时,要考虑切屑的排除问题。当加工所产生的切屑不多时,可适当加大定位元件工作表面与夹具体之间的距离或增设容屑沟,以增加容屑空间,如图6-50所示。
6.夹具在机床上安装要稳定、可靠
对于固定在机床上的夹具应使其重心尽量低;对于不固定在机床上的夹具,则夹具的重心和切削力作用点,应落在夹具体在机床上的支承面范围内,夹具越高则支承面积应越大。为了使接触面稳定、可靠,夹具体底面中部一般应挖空。对于旋转类的夹具体,要求尽量无凸出部分或装上安全罩。在加工中要翻转或移动的夹具体,通常要在夹具体上设置手柄或手扶部位以便于操作。对于大型夹具,为考虑便于吊运,在夹具体上应设置吊环螺栓或起重孔。
6.8.2 夹具体的毛坯制造方法
在选择夹具体的毛坯制造方法时,应以下面因素作为考虑依据,即工艺性,结构合理性,制造周期,经济性,标准化可能性以及工厂的具体条件等。生产中常用的夹具体毛坯制造方法有以下四种
1. 铸造夹具体
铸造夹具体工艺性好,可以铸出各种复杂的外形,且抗压强度、刚度和抗振性都较好。但生产周期长,为消除内应力,铸件需经时效处理,故成本较高。
铸造夹具体的材料大多采用灰铸铁HT15-33 或 H
T20-40;当要求强度高时,也可采用铸钢件;要求重量轻时,在条件允许下也可采用铸铝件。
2.焊接夹具体
焊接夹具体夹具体与铸造夹具体相比,其优点是易于制造,生产周期短,成本低,重量轻。缺点是焊接过程中产生的热变形和残余应力对精度影响较大,故焊接后需经退火处理,此外焊接夹具体较难获得复杂的外形。
3.锻造夹具体
锻造夹具体夹具体只适用于形状简单,尺寸不大的场合,一般情况下较少使用。
4.装配夹具体
装配夹具体是很有发展前途的一种制造方法。即选用标准毛坯件或标准零件组装成所需夹具体结构,这样不仅可大为缩短夹具体的制造周期,而且可组织专门工厂进行专业成批生产,有利于提高经济效益,进一步降低成本。当然要推广这种方法,必须实现夹具的结构标准化和系列化。
1;所有标注为智造资料网zl.fbzzw.cn的内容均为本站所有,版权均属本站所有,若您需要引用、转载,必须注明来源及原文链接即可,如涉及大面积转载,请来信告知,获取《授权协议》。
2;本网站图片,文字之类版权申明,因为网站可以由注册用户自行上传图片或文字,本网站无法鉴别所上传图片或文字的知识版权,如果侵犯,请及时通知我们,本网站将在第一时间及时删除,相关侵权责任均由相应上传用户自行承担。
[complaint:内容投诉]
智造资料网打造智能制造3D图纸下载,在线视频,软件下载,在线问答综合平台 » 机床夹具设计教程-联动机构与夹具体(图文教程)

