第三章 胶件结构
胶件结构不合理,会造成模具制造和胶件成形的困难;模具工程师应对胶件结构提出改进方案,并知会产品设计人员,由其确认。
当接到客户资料,应对资料进行必要的处理,其方式见本章附录1。
根据客户资料,胶件结构分析主要有以下几方面:(1)注塑工艺对胶件结构的要求;(2)模具对胶件结构的要求;(3)产品装配对胶件结构的要求;(4)表面要求。
3.1 注塑工艺对胶件结构的要求
胶件产生收缩凹陷、气烘、困气、变形、烧焦等工艺性问题,是与胶件的局部胶厚、浇口设置、冷却等因素影响有关。分析胶件结构的工艺性应从以下几方面进行。
3.1.1 壁厚
胶件壁厚应均匀一致,避免突变和截面厚薄悬殊的设计,否则会引起收缩不均,使胶件表面产生缺陷。
胶件壁厚一般在1~6mm范围内,最常用壁厚值为1.8~3mm,这都随胶件类型及胶件大小而定。
对已建3D模型之胶件,应用 Pro/E 进行截面分析,可发现胶件壁厚不均匀问题,其步骤:
Analysis ® Model Analysis ® Thickness ® [给定最大胶厚和最小胶厚,选分析起始点和结束点,确定分析所对应的平行截面]®Compute ,如图3.1.1 图3.1.2所示。
另外,胶件壁厚还与熔体充模流程有密切关系;其流程是指熔料从浇口起流向型腔各处的距离。在常规工艺条件下,流程大小与胶件壁厚成正比关系。胶件壁厚越大,则允许最大流程越长。可利用关系式或图表(见《塑料模具技术手册》68~69页)校核胶件成形的可能性。
胶件壁厚为2.5mm,常规成形条件,其常用料的流程如下:
ABS : 流程220 mm; PC : 流程120 mm;
HDPE: 流程280 mm; POM : 流程180 mm。
常见壁厚不均会产生的问题:
(1)局部厚胶位如图3.1.1所示,易产生表面收缩凹陷。
(2)如图3.1.2所示,胶件两边薄胶位,易产生成形滞流现象。
(3)止口位如图3.1.3所示,胶厚采用渐变方法以消除表面白印;另有胶件内部拐角位增加圆角使其壁厚均匀。
(4)如图3.1.4所示,胶件平面中间凹位过深,实际成形胶件产生拱形变形;解决变形的方法是减小凹位深度,使壁厚尽量均匀。


(5)如图3.1.5所示,尖角位表面易产生烘印,避免烘印的办法是加圆角过渡。
3.1.2 (筋)骨位
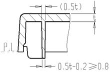
胶件骨位其作用有增加强度、固定底面壳、支撑架、按键导向等。由于骨位与胶件壳体连接处易产生外观收缩凹陷;所以,要求骨位厚度应小于等于0.5t(t为胶件壁厚),一般骨位厚度在0.8~1.2mm范围。

图3.1.6
当骨深15mm以上,易产生走胶困难、困气,模具上可制作镶件,也方便省模、排气。
骨深15mm以下,脱模斜度应有0.5˚以上;骨深15mm以上,骨位根部与顶部厚度差不小于0.2mm,如图3.1.6所示。
为改善某些深骨位的流动状况,骨位上增加走胶米仔;如图3.1.7所示喇叭骨加走胶米仔,模具制作镶件。

该文章所属专题:模具设计指南
3.1.3 浇口
胶件浇口位置和入浇形式的选择,将直接关系到胶件成形质量和注射过程能否顺利进行。胶件的浇口位置和形式,应进行分析确定;对客户胶件资料中已确定的浇口,也需进行分析,对不妥之处提出建议。

浇口的设置原则如下:
(1)保证胶料的流动前沿,能同时到达型腔末端,并使其流程为最短,如图3.1.8所示;
(2)浇口应先从壁厚较厚的部位进料,以利于保压,减少压力损失;
(3)型腔内如有小型芯或嵌件时,浇口应避免直接冲击,防止变形;
(4)浇口的位置应在胶件容易清除的部位,修整方便,不影响胶件的外观,如图3.1.9所示;

(5)有利于型腔内排气,使腔内气体挤入分模面附近;
(6)避免胶料流动出现“跑道”效应,使胶件产生困气、熔接痕现象;
(7)避免浇口处产生气烘、蛇纹等现象,如图3.1.10 图3.1.11图3.1.12所示;

(8)胶料流入方向,应使其流入型腔时,能沿着型腔平行方向均匀地流入,避免胶料流动各向异性,使胶件产生翘曲变形、应力开裂现象,如图3.1.13 图3.1.14所示。

对一些胶料充模流动复杂的胶件,以及,一模多腔或多种成品的模具如图3.1.15所示,入浇口位置和尺寸的确定,可申请借助CAE(Moldflow软件)分析解决。

该文章所属专题:模具设计指南
3.2 模具对胶件结构的要求
分析胶件结构是否符合模具成形和出模的要求,可从如下几方面进行:脱模斜度、擦碰位、行位、斜顶、尖薄钢位、出模。
3.2.1 脱模斜度
胶件必须有足够的脱模斜度,以避免出现顶白、顶伤和拖白现象。脱模斜度与胶料性能、胶件形状、表面要求有关。
常用胶料最小脱模斜度的推荐值(见《塑料模具技术手册》67页)。对胶件3D文件中没有脱模斜度要求的部位,参照技术说明中一般脱模斜度的要求。胶件外观表面要求光面或纹面,其脱模斜度也不同,斜度值如下:
(1)外表面光面小胶件脱模斜度/1˚,大胶件脱模斜度/3˚;
(2)外表面蚀纹面Ra < 6.3脱模斜度/3˚,Ra/6.3脱模斜度/4˚;
(3)外表面火花纹面Ra < 3.2脱模斜度/3˚,Ra/3.2脱模斜度/4˚。
对已建3D模型之胶件,应用Pro/E进行脱模斜度检查,其步骤如下:
Analysis ® Surface Analysis ®
Draft Check®[给定最大斜度值,选分析
Part或Surface,确定分析所对应的方向面] ® Compute。

应注意,在修改胶件脱模斜度时,还需保证胶件装配关系和外观的要求,如图3.2.1所示。
3.2.2 擦、碰面
模具擦、碰面如图3.2.2所示。模具的擦面应有斜度,擦面斜度有两个功用:
(1)防止溢胶,因为竖直贴合面不能加预载;

(2)减少磨损。
分析擦、碰面可从如下几方面考虑;
(1)保证结构强度。如图3.2.3为避免模具凸出部位变形或折断,设计上B/H之值大于等于1/3较合理。

(2)防止产生披峰。如图3.2.3所示,碰面贴合值E/1.2mm。如图3.2.4图3.2.5所示,保证擦面间隙值 e/0.25mm。若按擦面斜度考虑, h£3mm时,斜度 α/5˚;h > 3mm时,斜度 α/3˚;某些胶件对斜度有特定要求时,擦面高度 h/10mm,允许斜度 α/2˚ 。对擦碰面尖部封胶位应有圆角R0.5以上。

(3)便于模具加工和维修。如图3.2.6 图3.2.7所示,转轴位模具上制作镶件。

3.2.3 行位、斜顶
胶件侧壁有凹凸形状、侧孔和扣位时,模具开模顶出胶件前则须将侧向型芯抽出,此机构称行位。如图 3.2.8 所示,胶件外侧孔,需后模行位抽芯。如图 3.2.9 所示,胶件内侧凹槽,若用斜顶出模,顶部开距不够,须采用内行位。


另外,利用斜向顶出,顶出和抽芯同时完成的顶出机构称斜顶。对胶件上需抽芯的部位,当行位空间不够时,可利用斜顶机构完成。斜顶机构中,斜向顶出距离应大于抽芯距离( B > H )如图3.2.10所示,防止顶出干涉。
如图3.2.11所示,胶件内、外侧壁都有凹形,内侧有骨位阻碍和高度不够原因,须对外侧壁前模行位,内侧壁斜顶出模。

如图3.2.12所示,胶件侧孔周围不能有夹线,侧孔须前模行位抽芯,扣位斜顶出模。
该文章所属专题:模具设计指南
3.2.4 分模面
胶件资料中,不论分模面是否作出规定,模具设计者都须具体确定;对已作规定的分模面,存在不合理之处,应反馈对方。

分析胶件分模面时注意以下几点:
(1)按外观要求,确定表面夹线位置,如图3.2.13所示。
(2)将胶件有同轴度要求或易错位的部分,放置分模面同一侧,如图3.2.14图3.2.15所示。

(3)考虑脱模斜度造成的胶件大、小端尺寸差异,如图3.2.16所示。

(4)确定胶件在模具内的方位,使之形成的分模面应尽量防止产生侧孔或侧凹,以避免采用复杂的模具结构,如图3.3.16图3.3.17所示。

3.2.5 尖、薄钢位
避免影响模具强度及使用寿命的尖、薄钢位。一般尖、薄钢位在胶件上不易反映出来,分析它应结合胶件的模具情况。模具上产生尖、薄钢位的原因有两方面 —— 胶件结构和模具结构。
(1)胶件结构产生的尖、薄钢位。如图3.2.18图3.2.19所示,胶件双叉骨,模具上产生尖、薄钢位;可改为单叉骨或加大中间宽度,避免模具产生尖、薄钢位。

(2)模具结构产生的尖、薄钢位。如图3.2.20所示,胶件边缘圆角处,模具上易出

现尖钢;模具结构如图3.2.21所示,此方法分模,出现尖钢;图3.2.22所示,分模面延圆弧法线方向,可避免尖钢。


3.2.6 胶件出模
胶件的出模通常使用顶针、司筒和推板顶出。若胶件上有特殊结构或表面光洁度要求时,需采用其它方式出模,如顶块顶出、斜向顶出、螺纹旋转出模、二次顶出等。对某些透明胶件的顶出,还须注意顶出痕迹不能外露。
如图3.2.23所示,多腔薄壳小胶件,使用推板顶出。

如图3.2.24所示,胶件为透明薄片,为避免顶出夹线痕迹,采用顶块顶出;注意,此类胶件底边不要有圆角,防止顶出痕迹透出。
如图3.2.25所示,胶件有内凹弧,采用二次顶出机构,实现胶件出模。

该文章所属专题:模具设计指南
3.3 产品装配对胶件结构的要求
胶件在产品中的装配关系,会给模具制造提供一些有关胶件要求的信息,如与其它胶件的配合间隙、连接方式等。
3.3.1 装配干涉分析
模具工程师根据各胶件的连接方式、配合间隙,装配3D模型;分析各胶件之间是否干涉。应用Pro/E,分析各胶件之间干涉情况,其步骤如下:
Analysis ® Model Analysis ® Pairs Clearance(分析一个组合中,两个零件之间的间隙或干涉情况) ® [选择分析的两个Part或Surface] ® Compute。
另一种,整个组合件的干涉检查方法:
Analysis ® Model Analysis ® Global Interference(分析整个组合中,各零件与零件之间的干涉情况) ® [选择整个组合] ® Compute (得出整个组合中,各零件与零件之间的干涉信息)。
3.3.2 装配间隙
各胶件之间的装配间隙应均匀,一般胶件间隙(单边)如下:
(1)固定件之间配合间隙 0~0.1mm,如图3.3.1所示;

(2)面、底壳止口间隙0.05~0.1mm,如图3.3.2所示;
(3)规则按钮(直径Ø£15 )的活动间隙(单边)0.1~0.2mm;规则按钮(直径Ø >15 )的活动间隙(单边)0.15~0.25mm;异形按钮的活动间隙0.3~0.35mm,如图3.3.3所示。

3.3.3 柱位、扣位连接
分析连接各胶件的柱位、扣位,如图3.3.4图3.3.5所示。检查装配后的3D模型及各胶件2D文件中的柱位、扣位尺寸,它们的位置尺寸要保持一致。当胶件的柱位或扣位尺寸更改后,应对其配合胶件尺寸也进行更改。

由于柱位根部与胶壳连接处的胶壁会突然变厚,某些胶件资料中又没减胶的说明,这时,模具上须在柱位根部加钢(加火山口),避免胶件表面产生缩痕。
常见柱位尺寸加火山口数据如下表:

注明:
1)上述数据平均胶厚为2.5,如图3.3.6所 示;
2)对小于M2.6的螺丝柱,原则上不设火山 口,但吊针底胶厚应在1.2至1.4mm;
3)对有火山口的螺丝柱,原则上都应设置火 箭脚,以提高强度及便于胶料流动。

该文章所属专题:模具设计指南
3.4 表面要求
指各胶件在装配后,外露部分的状况;其胶件表面的文字、图案、纹理、外形及安全标准要求等。
3.4.1 文字、图案和浮雕
胶件上直接模塑出的文字、图案,如客户无要求,可采用凸形文字、图案。胶件的文字、图案为凹形时,模具上则为凸形,模具制作相对复杂。
模具上文字、图案的制作方法通常有三种:
(1)晒文字、图案(也称化学腐蚀);
(2)电极加工模具,雕刻电极或CNC加工电极;
(3)雕刻或CNC加工模具。
若采用电极加工文字、图案,其胶件上文字、图案的工艺要求如下:
(1)胶件上为凸形文字、图案,凸出的高度0.2~0.4mm为宜,线条宽度不小于0.3mm,两条线间距离不小于0.4mm,如图3.4.1所示。
(2)胶件上为凹形文字或图案,凹入的深度为0.2~0.5mm,一般凹入深度取0.3mm为宜;线条宽度不小于0.3mm,两条线间距离不小于0.4mm,如图3.4.2所示。

胶件表面浮雕的制作,常用雕刻方法加工模具。由于胶件3D文件不会有浮雕造型,2D文件上浮雕的大小也是不准确的,其浮雕的形状是依照样板为标准。因此,模具设计和制造人员,应了解雕刻模制作过程;对雕刻模的制作配合,如何定位,都应在分析中确定。
3.4.2 胶件外形
胶件外形应符合各类型产品的安全标准要求。胶件上,不应出现锋利边、尖锐点;对拐角处的内外表面,可用增加圆角来避免应力集中,提高胶件强度,改善胶件的流动情况,如图3.4.3所示。
胶件3D造型,若表面出现褶皱或细小碎面时,确定改善表面的方案;或者,在制造中修整电极,来满足光顺曲面的要求,如图3.4.4所示。

3.4.3 表面纹理
胶件外观表面纹理的要求,常为光面或纹面;纹面又有晒纹(也称化学腐蚀纹)和火花纹两种。其脱模斜度(见3.2.1节)。
当胶件表面还需喷油、丝印时,胶件表面应为光面或幼纹面(Ra<6.3),纹面过粗易产生溢油现象。丝印面选在胶件凸出或平整部位较好;喷油后的表面,会放大成型时产生的表面痕迹。
附录1 客户资料的转换与处理
模具设计的主要依据是客户胶件资料,资料包括图纸、样板和电子文件。输入胶件资料,进行相应转换与处理,以达到模具设计所需的要求。
1.1 资料处理
胶件资料来源形式,并进行相应处理。
(1)图纸资料 根据图纸建成3D胶件模型或2D图形。
(2)样板资料 实测样板,建成3D胶件模型或2D图形。另外,依据样板采用雕刻方法加工模具。
(3)电子文件 括2D或3D电子文件;常见2D格式为:xxx.prt、xxx.dwg、xxx.dxf和xxx.igs;3D格式为:xxx.prt.x、xxx.igs、xxx.dxf和xxx.stp。如果文件格式符合要求,直接使用;否则,文件须进行相应转换与处理。
当同一胶件资料描述某一部位,出现两者不一致时,需由TE组确认。
1.2 文件转换
模房CAD/CAM常用软件有CADKEY、Pro/ENGINEER、Space-E/CAM和Mastercam。
2D文件为xxx.dwg用CADKEY转入;转入不成功,其原因是低版本软件不兼容高版本软件的文件。可先在AutoCAD软件内,输出一个低版本的 xxx.dwg或xxx.dxf文件,再回到CADKEY内转入。或者,用高版本的CADKEY转入xxx.dwg文件。
客户提供的3D文件是Pro/E软件建立的,如果调入不成功,其原因是低版本软件不兼容高版本软件的文件。可在高版本Pro/E上输出 xxx.stp或xxx.igs文件,再到低版本的Pro/E去转入。
当提供的3D文件是其它软件所建立时,文件格式通常为xxx.igs。转入Pro/E内,曲面与曲面之间构成了封闭的区域,则Pro/E系统会自动在封闭区域形成实体(实体的边界线成白色线条),若曲面与曲面之间有间隙(一般称为“裂缝”),则有间隙的区域在画面上呈现黄色。因此,转入xxx.igs文件后,画面上某些区域呈黄色的线条,即代表这些区域需要修补。
1.3 IGS文件的处理
转入 xxx.igs文件形成裂缝,有如下原因:

(1)原先相邻的两个曲面不相接,其情况如同曲面被剥离开,如图1-1所示,或一个曲面穿透到另一个曲面。
(2)原先被接合(Merge)或被裁剪(Trim)的曲面变为没有被接合或裁剪,曲面边会多出去,如图1-2所示。

(3)曲面的边扭曲变形,如图1-3所示。
(4)曲面丢失,呈现缺面。
(5)部分曲面被打乱。
(6)一些辅助曲面都被转入,呈乱面。
处理上述问题的基本概念,是将曲面的边界线整理为正常(或合理)的状态。对裂缝曲面的修补方式如下:
(1)去除多余或辅助的曲面。在软件输出xxx.igs前,可先复制出实体表面,再输出只有实体表面的 xxx.igs文件,就可不带入多余的辅助曲面。或者,删除多余曲面,其步骤;
Feature ® Redefine ® [选转入进来的曲面任意处] ® Heal Geometry (几何整修) ® Delete ® [选预删除的多余曲面]。
(2)软件自动修补小裂缝,其步骤;
Feature ® Redefine ® [选转入进来的曲面任意处] ®Heal Geometry® Manual(手动修整边界线) ® Fix Bndries(修整边界线) ® Zip Gaps(修补小裂缝) ® Auto Select(自动选出可修补的小裂缝)® Zip Gaps ® Accept(接受修补结果)
(3)软件无法自动修补的裂缝,其修补步骤;
Feature ® Redefine ® [选转入进来的曲面任意处] ®Heal Geometry ®Manual® Fix Bndries ® Edit Bndry (编辑裂缝面的边界线) ® [选需修补曲面] ® SelContour(选择需修补有黄色的边界线变为淡咖啡色显示)®Modify®MoveVertex(移动端点的方法修补,即先选择旧端点,再选择新端点移动,如图1-4所示)® Done

再修补面的边界线,选Fix Bndries ®Zip Gaps ® Sel Chain(选需修补相邻两边界的面)® Done ® Zip Gaps ® Accept修补面边界的其它方法:Edit Bndry® [选需修补曲面]® Sel Contour ®Modify
® Straighten (拉为直线,选择两点,将边界线恢复至该有的直线)
® Merge Edges (合并段线,将链内多段线合并为一整段线)
® Move Vertex (移动端点,使旧线段到正确的位置)
® SetTanCond (改两段线为相切或垂直)
® Divide (线条上增加断点)
另外,编辑整理边界时,建立新线条的方法如下: Edit Bndry® [选需修补曲面]Sel Contour ® Create
® Project (选择某线条,投影到要修整的曲面上)
® Make Isoline (选择两条线的交点,由此两条线中挑选所需的线条)
® Connect (选择两个点,拉出直线或曲线后,再投影到要修整的曲面上)
® Intersect (选择一个曲面,取得要修整曲面和所选择曲面的交线)
(4)曲面丢失,呈现缺面的裂缝,其修补前先确定曲面特征,再重新建立曲面,并将其Merge起来。对一些修补困难,其特征清楚的曲面,也可先删除,再重建曲面.
该文章所属专题:模具设计指南
1;所有标注为智造资料网zl.fbzzw.cn的内容均为本站所有,版权均属本站所有,若您需要引用、转载,必须注明来源及原文链接即可,如涉及大面积转载,请来信告知,获取《授权协议》。
2;本网站图片,文字之类版权申明,因为网站可以由注册用户自行上传图片或文字,本网站无法鉴别所上传图片或文字的知识版权,如果侵犯,请及时通知我们,本网站将在第一时间及时删除,相关侵权责任均由相应上传用户自行承担。
[complaint:内容投诉]
智造资料网打造智能制造3D图纸下载,在线视频,软件下载,在线问答综合平台 » 模具设计指南-3.胶件结构(图文教程)

