1.1. 澆口
常見澆口類型有直接澆口﹑側澆口﹑潛伏式澆口﹑點澆口等多種。設計時應根據产品的不同要求選擇適合的類型.尤其当制品外觀有要求時,要慎重選擇。见图表:
表-1
浇口类型 | 优点 | 缺点 | 适用产品 |
直接浇口 | 熔融树脂直接入腔、压力损失小、保压补缩作用强. | 去除困难、浇口痕迹明显、浇口周围应力大. | CD门、底壳. |
侧浇口 | 加工容易、易保证浇口加工精度. | 有浇口痕迹、浇口修改困难. | CD门、中层、镜件、按钮、布网架、手挽、电池门、CD座、装饰件、面板、盖板. |
潜伏式浇口 | 浇口痕迹不明显、可自动切断浇口. | 加工困难、浇口尺寸精度不易保证. | 齿轮、手挽、按钮(仅指钮身高度大于15MM的情况). |
点浇口 | 开模时自动切断浇口、浇口周围残留应力小、痕迹小、可设置多点浇口. | 压力损失大、要求较高的注射力. | 底壳、面壳、按钮(仅指钮周边均有骨位的情况)例CD109钮组. |
1.1. 1直接澆口
對大型單一型腔制品成型效果好,需注意唧嘴底部与产品之间隔10MM。例如底殼類制品.其尺寸要求如圖:

1.1.2.側澆口
側澆口設置於制品分型面處,制品允許有澆口痕跡才可采用,側澆口包括邊緣澆口和搭接澆口,其澆口尺寸與制品壁厚﹑大小﹑材料等諸多因素有關,一般規格如圖1-5:

表1-1
代号 | 一般值 | 常用值 |
L | 1.5~2.5 | 1.5 |
B | 1.5~5 | 2 |
T | 0.5~1.5 | 0.8 |
在選擇側澆口時,必須充分考慮制品外觀要求,盡量從靠近(避免直接正对碰穿位)制品大的碰穿孔位置進膠,例如大裝飾件等制品.因為這樣可以減少夾水紋。
邊緣澆口與搭接澆口的選擇見圖:

同時選擇澆口位置時,應防止制品产生滯留现象,應遠離厚﹑薄交接處,從厚的地方進澆,避免澆口正對柱位、碰穿位,防止型芯因沖擊而變形。
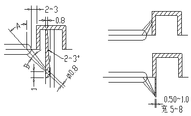
1.1.3潛伏式澆口﹕
潛伏式澆口有潛頂針﹑潛薄片﹑潛產品等幾種.潛水也可以開在前模一側。
如圖: α=30~45o β=15~20o

潛水運用使得產品分型面無澆口疤痕,并且可自動切斷澆口,同時也改善了制品表

面因為噴射產生缺陷的可能,應用廣泛。
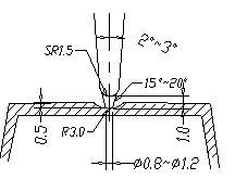
1.1.4 .點澆口
點澆口垂直設置於制品表面,其尺寸如圖:

1.2. 轉水口
一模多腔模具中,有時要設置轉水口;轉水口一般采用波子螺絲,即限位鋼銖限位,大小为M8,轉水口采用公司自制標准。如图所示,材料GS-738.

1.6. 唧嘴
大水口模胚,若前模高度足够,则唧嘴沉入内模以减短主流道长度,结构如图示。

1.3. 典型產品流道澆口布置。
1.3.1.按鈕等電鍍產品需設置環形流道,前模要加膠柱,其高度应超出制品前模部分的厚度2MM,并且按鈕每一鈕均需設進澆點,保証進料均勻。
1.3.2.鏡類产品應從長度方向或靠近長度方向進膠,如圖:
1.3.3.底壳类制品一般采用直接浇口进浇,特殊情况细水口进胶。

1.3.4.手挽只設一個澆口,盡量從轉柱位進澆,不能從轉柱位進澆時,采用潛水方式但要避免從手握位進澆。
1;所有标注为智造资料网zl.fbzzw.cn的内容均为本站所有,版权均属本站所有,若您需要引用、转载,必须注明来源及原文链接即可,如涉及大面积转载,请来信告知,获取《授权协议》。
2;本网站图片,文字之类版权申明,因为网站可以由注册用户自行上传图片或文字,本网站无法鉴别所上传图片或文字的知识版权,如果侵犯,请及时通知我们,本网站将在第一时间及时删除,相关侵权责任均由相应上传用户自行承担。
[complaint:内容投诉]
智造资料网打造智能制造3D图纸下载,在线视频,软件下载,在线问答综合平台 » 塑料模具澆口设计(图文教程)

