1 导套GA标准
代号: GA d-L-数量例: GA 10-30-4

d | D1 | H | L | |||||
8 | 12 | 15 |
15 |
20 |
25 |
30 |
35 |
40 |
10 | 14 | 17 | ||||||
12 | 17 | 20 | ||||||
14 | 19 | 22 | ||||||
16 | 22 | 25 | ||||||
18 | 23 | 26 | ||||||
20 | 25 | 28 | ||||||
25 | 32 | 35 | ||||||
2 导柱(GP)标准
代号: GP D-L-数量例: GP 8-70-4

D | H | L | ||||||
8 | 10 | 50 | 60 | 70 | 80 | 90 | 100 | 120 |
10 | 12 | 50 | 60 | 70 | 80 | 90 | 100 | 120 |
12 | 14 | 50 | 60 | 70 | 80 | 90 | 100 | 120 |
14 | 16 | 50 | 60 | 70 | 80 | 90 | 100 | 120 |
16 | 18 | 50 | 60 | 70 | 80 | 90 | 100 | 120 |
18 | 20 | 50 | 60 | 70 | 80 | 90 | 100 | 120 |
20 | 22 | 50 | 60 | 70 | 80 | 90 | 100 | 120 |
25 | 28 | 50 | 60 | 70 | 80 | 90 | 100 | 120 |
3 销钉(DP)标准
代号: DP D-L-数量例: DP 6-70-4
D | 长度L | ||||||||||||||||||
10 | 15 | 20 | 25 | 30 | 35 | 40 | 45 | 50 | 55 | 60 | 65 | 70 | 75 | 80 | 85 | 90 | 95 | 100 | |
3 | √ | √ | √ | √ | √ | √ | √ | √ | √ | √ | √ | √ | √ | √ | √ | √ | √ | √ | √ |
4 | √ | √ | √ | √ | √ | √ | √ | √ | √ | √ | √ | √ | √ | √ | √ | √ | √ | √ | √ |
5 | √ | √ | √ | √ | √ | √ | √ | √ | √ | √ | √ | √ | √ | √ | √ | √ | √ | √ | √ |
6 | √ | √ | √ | √ | √ | √ | √ | √ | √ | √ | √ | √ | √ | √ | √ | √ | √ | √ | √ |
8 | √ | √ | √ | √ | √ | √ | √ | √ | √ | √ | √ | √ | √ | √ | √ | √ | √ | √ | √ |
10 | √ | √ | √ | √ | √ | √ | √ | √ | √ | √ | √ | √ | √ | √ | √ | √ | √ | √ | |
12 | √ | √ | √ | √ | √ | √ | √ | √ | √ | √ | √ | √ | √ | √ | √ | √ | √ | √ | |
14 | √ | √ | √ | √ | √ | √ | √ | √ |
| ||||||||||
4 螺丝(CB)标准
代号: CB M-L-数量例: CB M6-45-12

M | D | H | B | L |
M3 *0.5 | 5.5 | 3 | 2.5 | 6 8 10 12 15 20 |
M4 *0.7 | 7 | 4 | 3 | 8 10 12 15 20 ...50 |
M5 *0.8 | 8.5 | 5 | 4 | 8 10 12 15 20 ...100 |
M6 *1.0 | 10 | 6 | 5 | 10 12 15 20 ...120 |
M8 *1.25 | 13 | 8 | 6 | 12 15 20 ...100 |
M10 *1.5 | 16 | 10 | 8 | 15 20 ...150 |
M12 *1.75 | 18 | 12 | 10 | 25 30 35 40 45 50 ..100 110 .. 150 |
M16 *2.0 | 24 | 16 | 14 | 30 35 40 45 50 ..100 110 .. 260 |
M20 *2.5 | 30 | 20 | 17 | 40 45 50 ..100 110 .. 300 |
5 等高螺丝(MSB)标准
代号: MSB D-L-数量例: MSB 6-45-6

MXP | D | D1 | H | B | S | L |
M5 x0.8 | 6 | 10 | 5 | 4 | 8 | 10 15 20 25 30 35 40 45 50 55 |
M6 x1.0 | 8 | 13 | 6 | 5 | 9 | 10 15 20 25 30 35 40 45 50 55 60 65 70 75 80 85 90 95 100 110 120 |
M8 x1.25 | 10 | 16 | 8 | 6 | 12 | 10 15 20 25 30 35 40 45 50 55 60 65 70 75 80 85 90 95 100 110 120 |
M10 x1.5 | 13 | 18 | 10 | 8 | 16 | 15 20 25 30 35 40 45 50 55 60 65 70 75 80 85 90 95 100 110 120 130 |
M12 x1.75 | 16 | 24 | 14 | 10 | 18 | 15 20 25 30 35 40 45 50 55 60 65 70 75 80 85 90 95 100 110 120 130 140 150 |
6 两用销(GLS)标准
代号: GLS D-A-L-数量例: GLS 6-1.6-33-12

D | W | E | D1 | L | A |
4 | 2.0 | 5 | 6 | 22 25 28 30 33 36 | 0.8 |
6 | 3.6 | 7 | 8 | 22 25 28 30 33 36 | 1.6 |
8 | 5.0 | 7 | 10 | 22 25 28 30 33 36 | 2.0 |
10 | 6.0 | 7 | 13 | 25 28 30 33 36 40 50 | 2.5 |
13 | 7.0 | 7 | 16 | 25 28 30 33 36 40 50 | 3.6 |
16 | 8.0 | 12 | 19 | 25 28 30 33 36 40 50 60 | 4.0 |
20 | 10.0 | 12 | 23 | 25 28 30 33 36 40 50 60 70 | 5.0 |
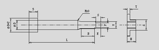
7 顶针(LA/LB)标准
代号: LA D-L-数量例: LA 6-35-12
代号: LB D-L-数量例: LB 6-35-12

代号 | D | D2 | D1 | L | |||||||||
15 | 20 | 22 | 25 | 30 | 35 | 40 | 45 | 50 | 55 | ||||
LA | 3 | 5 | 3 | √ | √ | √ | √ | √ | |||||
4 | 6 | 4 | √ | √ | √ | √ | √ | √ |
|
|
|
| |
5 | 7 | 4 | √ | √ | √ | √ | √ | √ | √ |
|
|
| |
6 | 8 | 5 | √ | √ | √ | √ | √ | √ | √ | √ | √ |
| |
8 | 10 | 7 | √ | √ | √ | √ | √ | √ | √ | √ | √ | √ | |
LB | 3 | 5 |
| √ | √ | √ | √ | √ | |||||
4 | 6 |
| √ | √ | √ | √ | √ | √ |
|
|
|
| |
5 | 7 |
| √ | √ | √ | √ | √ | √ | √ |
|
|
| |
6 | 8 |
| √ | √ | √ | √ | √ | √ | √ | √ | √ |
| |
8 | 10 |
| √ | √ | √ | √ | √ | √ | √ | √ | √ | √ | |
8 插针(HDB)标准
代号: HDB D-L-数量例: HDB 4-55-8

D | H | L | D | H |
1.5 | 2.0 | 42 52 62 72 | 4.0 | 6.0 |
2.0 | 4.0 | 4.5 | 6.5 | |
2.5 | 4.5 | 5.0 | 7.0 | |
3.0 | 5.0 | 5.5 | 7.5 | |
3.5 | 5.5 | 6.0 | 8.0 |
9 抽牙冲头(ADK)标准
代号: ADK D-L-V-数量例: ADK 4-50-V2.22-9

MXp |
E |
P |
B |
S |
V | hxd (spcc) | ||||||
T | 0.6 | 0.8 | 1.0 | 1.2 | 1.6 | 2.0 | ||||||
M2.6x 0.45 |
2.7 |
1.5 |
6 |
2 | 2.22 | d | 3.12 | 3.34 | 3.72 |
|
|
|
H | 1.3 | 1.47 | 1.77 |
|
|
| ||||||
2.25 | d | 3.15 | 3.37 | 3.75 |
|
|
| |||||
H | 1.3 | 1.5 | 1.8 |
|
|
| ||||||
2.32 | d | 3.22 | 3.44 | 3.82 |
|
|
| |||||
H | 1.35 | 1.6 | 1.82 |
|
|
| ||||||
2.35 | d | 3.25 | 3.47 | 3.85 |
|
|
| |||||
H | 1.35 | 1.6 | 1.82 |
|
|
| ||||||
M3.0x 0.5 |
3.6 |
1.9 |
8 |
3 | 2.59 | d | 3.49 | 3.79 | 3.99 | 4.39 |
|
|
H | 1.3 | 1.55 | 1.75 | 2.05 |
|
| ||||||
2.63 | d | 3.53 | 3.83 | 4.03 | 4.43 |
|
| |||||
H | 1.35 | 1.6 | 1.75 | 2.07 |
|
| ||||||
3.7 | 2.72 | d | 3.62 | 3.92 | 4.12 | 4.52 |
|
| ||||
H | 1.37 | 1.6 | 1.77 | 2.1 |
|
| ||||||
2.76 | d | 3.6 | 3.96 | 4.16 | 4.56 |
|
| |||||
H | 1.4 | 1.65 | 1.8 | 2.15 |
|
| ||||||
M4.0x 0.7 |
3.9 |
2.4 |
8 |
3 | 3.39 | d | 4.29 | 4.59 | 4.79 | 5.07 | 5.79 |
|
H | 1.5 | 1.77 | 2.0 | 2.17 | 2.6 |
| ||||||
3.44 | d | 4.34 | 4.64 | 4.84 | 5.12 | 5.84 |
| |||||
H | 1.5 | 1.77 | 2.0 | 2.2 | 2.65 |
| ||||||
4.1 | 3.64 | d | 4.45 | 4.48 | 5.04 | 5.32 | 6.04 |
| ||||
H | 1.6 | 1.85 | 2.07 | 2.27 | 2.7 |
| ||||||
3.69 | ||||||||||||
![]() 鲜花 | ![]() 握手 | ![]() 雷人 | ![]() 路过 | ![]() 鸡蛋 |
最新评论...
- 日
- 周
- 月
- 15019229965
-

扫一扫,关注公众号
-
-

关注公众号,每天免费获取下载资源 关注我们,每天可以享受免费下载,扫描左边二维码,即可关注,你还在等什么? |


1;所有标注为智造资料网zl.fbzzw.cn的内容均为本站所有,版权均属本站所有,若您需要引用、转载,必须注明来源及原文链接即可,如涉及大面积转载,请来信告知,获取《授权协议》。
2;本网站图片,文字之类版权申明,因为网站可以由注册用户自行上传图片或文字,本网站无法鉴别所上传图片或文字的知识版权,如果侵犯,请及时通知我们,本网站将在第一时间及时删除,相关侵权责任均由相应上传用户自行承担。
[complaint:内容投诉]
智造资料网打造智能制造3D图纸下载,在线视频,软件下载,在线问答综合平台 » 冲模标准零件表(图文教程)












说点什么...