序号 | 符号名称 | 符号绘制标准 | 应用示例 |
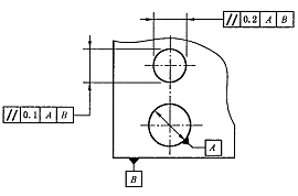
1 | GB/T 1182-2008 基准符号。 涂黑三角形及中轴线可任意变换位置,方框和字母只允许水平放置不允许歪斜;方框外边的连线也只允许在水平或铅垂两个方向画出。 |
|
|
2 | GB/T 4458.4-2003; 标注正方形结构尺寸时在尺寸前面加注正方形符号。 高度h=3.5mm |
|
|
3 | GB/T 4458.4-2003; 标注弧长时在尺寸前面加注弧长符号。 高度h=R=3.5mm |
|
|
4 | GB/T 4458.4-2003;GB/T 16675.2-1996 尺寸注法; 沉孔或锪平符号。 高度h=3.5mm |
|
|
5 | GB/T 4458.4-2003; GB/T 16675.2-1996 尺寸注法; 沉孔或锪平深度符号。 高度h=3.5mm |
| |
6 | GB/T 4458.4-2003; GB/T 16675.2-1996 尺寸注法; 埋头孔符号。 高度h=3.5mm |
|
序号 | 符号名称 | 符号绘制标准 | 应用示例 |
7 | GB/T 15754-1995 锥度符号或莫氏锥度注法。 高度h=3.5mm |
|
|
8 | JB/T 5061-2006 定位支撑符号。 高度h=3.5mm |
|
|
9 | JB/T 5061-2006 辅助支撑符号。 高度h=3.5mm |
|
|
10 | JB/T 5061-2006 辅助支撑符号。 高度h=5mm |
|
|
11 | GB/T 4459.5-1999 中心孔符号。 高度h=3.5mm; 高度H1=5mm。 |
|
|
12 | JB/T 8555-2008 热处理技术要求在零件图样上的表示方法。粗糙度符号的三角形部分为测量点符号。可随图形进行缩放。 |
|
|
免责声明:
1;所有标注为智造资料网zl.fbzzw.cn的内容均为本站所有,版权均属本站所有,若您需要引用、转载,必须注明来源及原文链接即可,如涉及大面积转载,请来信告知,获取《授权协议》。
2;本网站图片,文字之类版权申明,因为网站可以由注册用户自行上传图片或文字,本网站无法鉴别所上传图片或文字的知识版权,如果侵犯,请及时通知我们,本网站将在第一时间及时删除,相关侵权责任均由相应上传用户自行承担。
[complaint:内容投诉]
智造资料网打造智能制造3D图纸下载,在线视频,软件下载,在线问答综合平台 » 机械图纸尺寸标注中常见符号的意义(图文教程)
1;所有标注为智造资料网zl.fbzzw.cn的内容均为本站所有,版权均属本站所有,若您需要引用、转载,必须注明来源及原文链接即可,如涉及大面积转载,请来信告知,获取《授权协议》。
2;本网站图片,文字之类版权申明,因为网站可以由注册用户自行上传图片或文字,本网站无法鉴别所上传图片或文字的知识版权,如果侵犯,请及时通知我们,本网站将在第一时间及时删除,相关侵权责任均由相应上传用户自行承担。
[complaint:内容投诉]
智造资料网打造智能制造3D图纸下载,在线视频,软件下载,在线问答综合平台 » 机械图纸尺寸标注中常见符号的意义(图文教程)


























