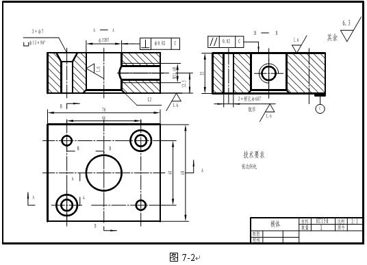
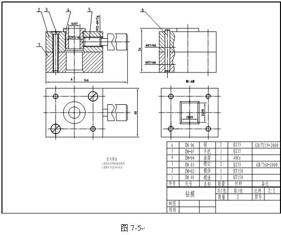
实验七 绘制钻模装配图


| 制成图块,将直线的端点设为插入点。 ,回车后出现引线设置对话框,单击注释标签,在注释类型中设定为块参考,单击引线和箭头标签,箭头设置为小点。执行“引线”标注零件序号。 |
最新评论...
资讯幻灯片
热门评论
- 08-31
- 03-11
- 02-07
- 02-05
- 04-24
- 04-24
- 04-24
- 04-24
- 04-24
- 04-24
热门专题
排行榜
- 日
- 周
- 月
- 15019229965
-

扫一扫,关注公众号
-
-

关注公众号,每天免费获取下载资源 关注我们,每天可以享受免费下载,扫描左边二维码,即可关注,你还在等什么? |


免责声明:
1;所有标注为智造资料网zl.fbzzw.cn的内容均为本站所有,版权均属本站所有,若您需要引用、转载,必须注明来源及原文链接即可,如涉及大面积转载,请来信告知,获取《授权协议》。
2;本网站图片,文字之类版权申明,因为网站可以由注册用户自行上传图片或文字,本网站无法鉴别所上传图片或文字的知识版权,如果侵犯,请及时通知我们,本网站将在第一时间及时删除,相关侵权责任均由相应上传用户自行承担。
[complaint:内容投诉]
智造资料网打造智能制造3D图纸下载,在线视频,软件下载,在线问答综合平台 » CAD绘图技能实验(七)绘制钻模装配图(图文教程)
1;所有标注为智造资料网zl.fbzzw.cn的内容均为本站所有,版权均属本站所有,若您需要引用、转载,必须注明来源及原文链接即可,如涉及大面积转载,请来信告知,获取《授权协议》。
2;本网站图片,文字之类版权申明,因为网站可以由注册用户自行上传图片或文字,本网站无法鉴别所上传图片或文字的知识版权,如果侵犯,请及时通知我们,本网站将在第一时间及时删除,相关侵权责任均由相应上传用户自行承担。
[complaint:内容投诉]
智造资料网打造智能制造3D图纸下载,在线视频,软件下载,在线问答综合平台 » CAD绘图技能实验(七)绘制钻模装配图(图文教程)
























































说点什么...