1.1 国家标准关于制图的一般规定
1.1.1 图纸幅面及格式(GB/T 14689-1993)
1.1.1.1 图纸幅面
为了合理利用图纸和便于图样管理,国标中规定了五种标准图纸的幅面,其代号分别为A0、A1、A2、A3、A4。绘图时应优先选用国标中规定的幅面尺寸(表1-1)。必要时,也允许以基本幅面的短边的整数倍加长幅面。
表1-1图纸幅面尺寸 mm
幅面代号 | A0 | A1 | A2 | A3 | A4 |
B×L | 841×1189 | 594×841 | 420×594 | 297×420 | 210×297 |
a | 25 | ||||
c | 10 | 5 | |||
e | 20 | 10 | |||
1.1.1.2 图框格式
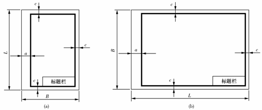
无论图纸是否装订,都必须用粗实线画出图框,其格式分为不留装订边和留装订边,如图1-1和图1-2所示。其尺寸均按表1-1中的规定。但应注意,同一产品的图样只能采用一种格式。

图1-1 无装订边的图纸格式
有时为了复制或缩微摄影的方便,还采用对中符号。对中符号是从周边画入图框内约5 mm的一段粗实线,如图1-1(b)所示。

图1-2 有装订边的图纸格式
1.1.1.3 标题栏及明细表
每张图样上都应有标题栏,用来填写图样上的综合信息,标题栏配置在图纸的右下方,其格式如图1-3所示。明细栏是装配图中才有的。在学校的制图作业中标题栏也可采用图1-3(b)所示的简化形式。标题栏中文字方向必须与看图方向一致,标题栏内一般图名用10号字书写,图号、校名用7号字书写,其余都用5号字书写。

(a)
(b)
图1-3 标题栏的格式
1.1.2 比例(GB/T 14690-1993)
图样中机件要素的线性尺寸与实际机件相应要素的线性尺寸之比称为比例。即
比例=图形中线性尺寸大小∶实物上相应线性尺寸大小。
比例一般分为原值比例、缩小比例及放大比例三种类型。绘制图样时,尽可能采用原值比例,以便从图中看出实物的大小。根据需要也可采用放大或缩小的比例,但不论采用何种比例,图中所注尺寸数字仍为机件的实际尺寸,且图样按比例放大或缩小,仅限于图样上各线性尺寸而与角度无关。绘制同一机件的各个视图应采用相同的比例,并在标题栏中统一填写,当某个视图采用了不同的比例时,必须在该图形的上方加以标注。常用的比例见表1-2。
表1-2比例
原值比例 | 1∶1 |
缩小比例 | 1∶1.5 1∶2 1∶2.5 1∶3 1∶4 1∶5 1∶10n 1∶1.5×10n 1∶2×10n 1∶2.5×10n 1∶5×10n |
放大比例 | 2∶1 2.5∶1 4∶1 5∶1 (10×n)∶1 |
该文章所属专题:机械制图技术教程
1.1.3 字体(GB/T 14691-1993)
图样中除图形外,还需用汉字、数字和字母等进行标注或说明,它是图样的重要组成部分。字体包括汉字、数字及字母的字体。
(1)图样中书写的字体必须做到:字体端正、笔画清楚、排列整齐、间隔均匀。
(2)字体的号数即字体的高度(单位为毫米),分别为20、14、10、7、5、3.5、2.5、1.8等八种,字体的宽度约等于字体高度的2/3。数字及字母的笔画宽度约为字高的1/10。
汉字不宜采用2.5和1.8号,以免字迹不清。
(3)汉字 汉字应写成长仿宋字体,并应采用国家正式公布的简化字。
汉字要求写得整齐匀称。书写长仿宋体的要领为:横平竖直、注意起落、结构匀称、填满方格。 图1-4为长仿宋体字示例。

图1-4 长仿宋字体示例
(4)数字及字母 数字及字母有直体和斜体之分。在图样中通常采用斜体。斜体字的字头向右倾斜,与水平线成75°角。拉丁字母以直线为主体,减少弧线,以便书写及计算机绘图。数字和字母的笔画粗度约为字高的1/10。罗马数字上的横线不连起来。国家标准规定的数字和字母的书写形式如图1-5所示。
用作指数、分数、极限偏差、注脚等的字母及数字,一般采用小一号的字体,如图1-6所示。

图1-5 数字和字母示例

图1-6 字体组合应用示例
1.1.4 图线(GB/T 4457.4-2002)
1.1.4.1 基本线型
在机械制图中常用的线型有实线、虚线、点画线、双点画线、波浪线、双折线等,它们的使用在国标中都有严格的规定(见表1-3),使用时应严格遵守。
表1-3基本线型及应用
图线名称 | 代码 No. | 线 型 | 线宽 | 一般应用 |
细实线
| 01. 1
|
| d / 2
| 尺寸线 、尺寸界线、剖面线、引出线、螺纹牙底线、重合断面轮廓线、可见过渡线
|
波浪线
|
| 断裂处边界线、局部剖分界线
| ||
双折线
|
| 断裂处边界线、视图与 局部剖视图的分界线
| ||
粗实线
| 01. 2
|
| d
| 可见轮廓线、螺纹牙顶线
|
细虚线
| 02. 1
|
| d / 2 | 不可见轮廓线、不可见过渡线
|
粗虚线
| 02. 2
|
| d | 允许表面处理的表示线
|
细点画线
| 04. 1
|
| d / 2 | 轴线、对称中心线、分度圆(线)
|
粗点画线
| 04. 2
|
| d | 限定范围表示线(特殊要求)
|
细双点画线
| 05. 1
|
| d / 2 | 相邻辅助零件的轮廓线、可动零件的极限位置的轮廓线
|
1.1.4.2 图线宽度
在机械图样中采用粗细两种线宽,它们之间的比例为2∶1。
图线的宽度d应根据图形的大小和复杂程度,在下列数系中选择:0.13,0.18,0.25,0.35,0.5,0.7,1,1.4,2 mm。该数系的公式为1∶2。通常情况下,粗线的宽度采用0.7 mm,细线的宽度采用0.35 mm。在同一图样中,同类图线的宽度应一致。

图1-7 图线应用示例
1.1.4.3 图线的应用
图1-7所示为上述几种图线的应用举例。在图示零件的视图上,粗实线表示该零件的可见轮廓线;虚线表示不可见轮廓线;细实线表示尺寸线、尺寸界线及剖面线;波浪线表示断裂处的边界线及视图和剖视的分界线;细点画线表示对称中心线及轴线;双点画线表示相邻辅助零件的轮廓线及极限位置轮廓线。
1.1.4.4 图线的画法(见图1-8)
(1) 同一图样中同类图线的宽度应基本一致。虚线、点画线及双点画线的线段长度和间隔应各自大致相等。

图1-8 图线交接处的画法
(2) 绘制圆的对称中心线时,圆心应为线段的交点。点画线和双点画线的首末两端应是线段而不是点,且应超出图形外约2~5 mm。
(3) 在较小的图形上绘制点画线或双点画线有困难时,可用细实线代替。
(4) 虚线、点画线、双点画线相交时,应该是线段相交。当虚线是粗实线的延长线时,在连接处应断开。
(5) 当各种线型重合时,应按粗实线、虚线、点画线的优先顺序画出。
该文章所属专题:机械制图技术教程
1.1.5 尺寸注法(GB/T 4458.4-2003)
国家标准中规定了标注尺寸的规则和方法。绘图时必须严格遵守。
1.1.5.1 基本规则
(1)机件的真实大小应以图样上所注的尺寸数值为依据,与图形的大小及绘图的准确度无关。
(2) 图样中(包括技术要求和其他说明)的尺寸,以毫米为单位时,不需标注计量单位符号或名称,如采用其他单位,则应注明相应的单位符号。
(3) 图样中所标注的尺寸,为该图样所示机件的最后完工尺寸,否则应另加说明。
(4) 机件的每一尺寸,一般只标注一次,并应标注在反映该结构最清晰的图形上。
1.1.5.2 尺寸标注的组成
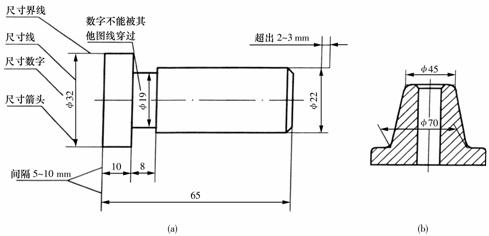
一个完整的尺寸,由尺寸数字、尺寸线、尺寸界线和尺寸的终端(箭头或斜线)组成,如图1-9所示。
(1) 尺寸界线 尺寸界线用细实线绘制,并应由图形的轮廓线、轴线或对称中心线处引出。也可利用轮廓线、轴线或对称中心线作尺寸界线。尺寸界线一般应与尺寸线垂直,必要时允许倾斜,如图1-9(b)所示。
(2) 尺寸线 尺寸线表明尺寸度量的方向,必须单独用细实线绘制,不能用其他图线代替,也不得与其他图线重合或画在其延长线上。标注线性尺寸时,尺寸线必须与所标注的线段平行。在同一图样中,尺寸线与轮廓线以及尺寸线与尺寸线之间的距离应大致相当,一般以不小于5 mm为宜,如图1-9(a)所示。尺寸线的终端可以用两种形式,如图1-10所示。机械图一般用箭头,其尖端应与尺寸界线接触,箭头长度约为粗实线宽度的6倍。土建图一般用45°斜线,斜线的高度应与尺寸数字的高度相等。

图1-9 尺寸的组成
图1-10 尺寸线终端的形式
(3) 尺寸数字 线性尺寸的数字一般应注写在尺寸线的上方,或注写在尺寸线的中断处,尺寸数字不可被任何图线所穿过,如图1-9所示。
线性尺寸的数字方向,一般应按图1-11所示方向注写,即水平方向的尺寸数字字头朝上;垂直方向的尺寸数字字头朝左;倾斜方向尺寸数字字头有朝上的趋势,如图1-11(a)所示。应避免在图示30°范围内标注尺寸,当无法避免时,可按图1-11(b)的形式标注。
图1-11 线性尺寸数字的方向
1.1.5.3 常用尺寸注法
在实际绘图中,尺寸标注的形式很多,常用尺寸的标注方法如表1-4所示。
1.1.5.4 标注尺寸的符号及缩写词
标注尺寸的符号及缩写词应符合表1-5的规定。
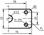
表1-4 常用尺寸的注法
尺寸种类 | 图 例 | 说 明 |
圆和圆弧
|
| 在直径、半径尺寸数字前,分别加注符号¢、R; 尺寸线应通过圆心(对于直径)或从圆心画出(对于半径) |
大圆弧
|
| 需要标明圆心位置,但圆弧半径过大,在图纸范围内又无法标出其圆心位置时,用左图; 不需标明圆心位置时,用右图 |
角度
|
| 尺寸界线沿径向引出;尺寸线为以角度顶点为圆心的圆弧。尺寸数字一律水平书写,一般写在尺寸线的中断处,也可注在外边或引出标注 |
小尺寸和小圆弧
|
|
位置不够时,箭头可画在外边,允许用小圆点或斜线代替两个连续尺寸间的箭头。 在特殊情况下,标注小圆的直径允许只画一个箭头;有时为了避免产生误解,可将尺寸线断开 |
对称尺寸
|
|
对称机件的图形如只画出一半或略大于一半时,尺寸线应略超过对称中心线或断裂线。此时只在靠尺寸界线的一端画出箭头 |
球 面
|
|
一般应在“¢”或“R”前面加注符号“S”。但在不致引起误解的情况下,也可不加注 |
弧长和 弦长
|
|
尺寸界线应平行于该弦的垂直平分线;表示弧长的尺寸线用圆弧,同时在尺寸数字上加注“⌒” |
表1-5 尺寸标注常用符号及缩写词
名词 | 直径 | 半径 | 球直径 | 球半径 | 厚度 | 正方形 | 45°倒角 | 深度 | 沉孔或锪平 | 埋头孔 | 均布 |
符号或 缩写词 | Ф | R | SФ | SR | t | □ | C |
|
|
| EQS |
该文章所属专题:机械制图技术教程
1;所有标注为智造资料网zl.fbzzw.cn的内容均为本站所有,版权均属本站所有,若您需要引用、转载,必须注明来源及原文链接即可,如涉及大面积转载,请来信告知,获取《授权协议》。
2;本网站图片,文字之类版权申明,因为网站可以由注册用户自行上传图片或文字,本网站无法鉴别所上传图片或文字的知识版权,如果侵犯,请及时通知我们,本网站将在第一时间及时删除,相关侵权责任均由相应上传用户自行承担。
[complaint:内容投诉]
智造资料网打造智能制造3D图纸下载,在线视频,软件下载,在线问答综合平台 » 机械制图教程-(1.1)国家标准关于制图的一般规定(图文教程) ...




















