联轴器所联接的两轴,由于制造及安装误差,承载后的变形以及温度变化的影响等,往往不能保证严格的对中,而是存在着某种程度的相对位移,如下图<联轴器所联两轴的相对位移>所示。这就要求设计联轴器时,要从结构上采取各种不同的措施,使之具有适应--定范围的相对位移的性能。

联轴器所联两轴的相对位移
根据对各种相对位移有无补偿能力(即能否在发生相对位移条件下保持联接的功能),联轴器可分为刚性联轴器(无补偿能力)和挠性联轴器(有补偿能力)两大类。挠性联轴器又可按是否具有弹性元件分为无弹性元件的挠性联轴器和有弹性元件的挠性联轴器两个类别。挠性联轴器因具有挠性,故可在不同程度上补偿两轴间某种相对位移。
(一) 刚性联轴器
这类联轴器有套筒式、夹壳式和凸缘式等。这里只介绍较为常用的凸缘联轴器。
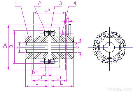
凸缘联轴器是把两个带有凸缘的半联轴器用键分别与两轴联接,然后用螺栓把两个半联轴器联成一体,以传递运动和转矩(右图<凸缘联轴器>)。这种联轴器有两种主要的结构型式:右 图<凸缘联轴器a>是普通的凸缘联轴器,通常是靠铰制孔用螺栓来实现两轴对中;右图<凸缘联轴器b>是有对中榫的凸缘联轴器,靠一个半联轴器上的凸肩与另一个半联轴器上的凹槽相配合而对中。联接两个半联轴器的螺栓可以采用A级或B级的普通螺栓,此时螺栓杆与钉孔壁间存在间隙,转矩靠半联轴器接合面的摩擦力矩来传递(右图<凸缘联轴器b>);也可采用铰制孔用螺栓,此时螺栓杆与钉孔为过渡配合,靠螺栓杆承受挤压与剪切来传递转矩(右图 <凸缘联轴器a>)。为了运行安全,凸缘联轴器可作成带防护边的(图<凸缘联轴器c>)。

图<凸缘联轴器>
凸缘联轴器的材料可用灰铸铁或碳钢,重载时或圆周速度大于30m/s时应用铸钢或锻钢。
由于凸缘联轴器属于刚性联轴器,对所联两轴间的相对位移缺乏补偿能力,故对两轴对中性的要求很高。当两轴有相对位移存在时,就会在机件内引起附加载荷,使工作情况恶化,这是它的主要缺点。但由于构造简单、成本低、可传递较大转矩,故当转速低、无冲击、轴的刚性大、对中性较好时亦常采用。
(二) 挠性联轴器
l.无弹性元件的挠性联轴器
这类联轴器因具有挠性,故可补偿两轴的相对位移。但因无弹性元件,故不能缓冲减振。常用的有以下几种:
1)十字滑块联轴器
十字滑块联轴器由两个在端面上开有凹槽的半联轴器1、3,和一个两面带有凸牙的中间盘2所组成。凹凸牙可在凹槽中滑动,故可补偿安装及运转时两轴间的相对位移。


图<十字滑块联轴器>
这种联轴器零件的材料可用45号钢,工作表面须进行热处理,以提高其硬度;要求较低时也可用Q275钢,不进行热处理。为了减少摩擦及磨损,使用时应从中间盘的油孔中注油进行润滑。因为半联轴器与中间盘组成移动副,不能发生相对转动。故主动轴与从动轴的角速度应相等。在两轴间有相对位移的情况下工作时,中间盘会产生很大的离心力,从而增大动载荷及磨损。因此选用时应注意其工作转速不得大于规定值。
这种联轴器一般用于转速n<250r/min,轴的刚度较大,且无剧烈冲击处。效率η=1-(3~5)fy/d,这里f为摩擦系数,一般取为0.12~0.25;y为两轴间径向位移量,mm;d为轴径,mm。
2)滑块联轴器
如右图<滑块联轴器>所示,这种联轴器与十字滑块联轴器相似,只是两半联轴器上的沟槽很宽,并把原来的中间盘改为两面不带凸牙的方形滑块,且通常用夹布胶木制成。由于中间滑块的质量减小,又具有弹性,故允许较高的极限转速。中间滑块也可用尼龙6制成,并在配制时加入少量的石墨或二硫化钼,以便在使用时可以自行润滑。
这种联轴器结构简单,尺寸紧凑,适用于小功率、高转速而无剧烈冲击处。


图<滑块联轴器>
3)十字轴式万向联轴器
如右图<十字轴式万向联轴器a>所示,它由两个叉形接头1、3,一个中间联接件2和轴销4(包括销套及铆钉)、5所组成;轴销4与5互相垂直配置并分别把两个叉形接头与中间件2联接起来。这样,就构成了一个可动的联接。这种联轴器可以允许两轴间有较大的夹角(夹角α最大可达35°~45°),而且在机器运转时,夹角发生改变仍可正常传动;但当过大时,传动效率会显著降低。
这种联轴器的缺点是:当主动轴角速度ω1为常数时,从动轴的角速度 并不是常数,而是在一定范围内(ω1cosα≤ω3≤ω1/cosα)变化,因而在传动中将产生附加动载荷。为了改善这种情况,常将十字轴式万向联轴器成对使用(右图<十字轴式万向联轴器b>),但应注意安装时必须保证轴、 轴与中间轴之间的夹角相等,并且中间轴的两端的叉形接头应在同一平面内(右图<双万向联轴器>)。只有这种双万向联轴器才可以得到ω3 =ω1

图<十字轴式万向联轴器>

图<双万向联轴器>
4)齿式联轴器
齿式联轴器由两个带有内齿及凸缘的外套筒3和两个带有外齿的内套筒1所组成。两个内套筒1分别用键与两轴联接,两个外套简3用螺栓5联成一体,依靠内外齿相啮合以传递转矩。由于外齿的齿顶制成椭球面,且保证与内齿啮合后具有适当的顶隙和侧隙,故在传动时,套筒1可有轴向和径向位移以及角位移(下图<齿式联轴器b>)。又为了减少磨损,可由油孔4注入润滑油,并在套筒1和3之间装有密封圈6,以防止润滑油泄漏。

齿式联轴器中,所用齿轮的齿廓曲线为渐开线,啮合角为20°,齿数一般为30~80,材料一般用45号钢或ZG310-570。这类联轴器能传递很大的转矩,并允许有较大的偏移量,安装精度要求不高;但质量较大,成本较高,在重型机械中广泛应用。
5)滚子链联轴器
下图为滚子链联轴器。这种联轴器是利用一条公用的双排链条2同时与两个齿数相同的并列链轮啮合来实现两半联轴器1与4的联接。为了改善润滑条件并防止污染,一般都将联轴器密封在罩壳3内。
滚子链联轴器的特点是结构简单,尺寸紧凑,质量小,装拆方便,维修容易、价廉并具有一定的补偿性能和缓冲性能,但因链条的套筒与其相配件间存在间隙,不宜用于逆向传动和起动频繁或立轴传动。同时由于受离心力影响也不宜用于高速传动。

2.有弹性元件的挠性联轴器
如前所述,这类联轴器因装有弹性元件,不仅可以补偿两轴间的相对位移,而且具有缓冲减振的能力。弹性元件所能储蓄的能量愈多,则联轴器的缓冲能力愈强;弹性元件的弹性滞后性能与弹性变形时零件间的摩擦功愈大、则联轴器的减振能力愈好。这类联轴器目前应用很广,品种亦愈来愈多。
制造弹性元件的材料有非金属和金属两种。非金属有橡胶、塑料等,其特点为质量小,价格便宜,有良好的弹性滞后性能,因而减振能力强。金属材料制成的弹性元件(主要为各种弹簧)则强度高、尺寸小而寿命较长。
联轴器在受到工作转矩T以后,被联接两轴将因弹性元件的变形而产生相应的扭转角
;
与T成正比关系的弹性元件为定刚度,不成正比的为变刚度。非金属材料的弹性元件都是变刚度的,金属材料的则由其结构不同可有变刚度的与定刚度的两种。常用非金属材料的刚度多随载荷的增大而增大,故缓冲性好,特别适用于工作载荷有较大变化的机器。
1)弹性套柱销联轴器
这种联轴器的构造与凸缘联轴器相似,只是用套有弹性套的柱销代替了联接螺栓。因为通过蛹状的弹性套传递转矩,故可缓冲减振。弹性套的材料常用耐油橡胶,并作成截面形状如图中网纹部分所示,以提高其弹性。半联轴器与轴的配合孔可作成圆柱形或圆锥形。
半联轴器的材料常用HT200,有时也采用35号钢或ZG270-500;柱销材料多用35号钢。这种联轴器可按标准(GB/T4323-1984)选用,必要时应按下式验算弹性套与孔壁间挤压应力σp和柱销弯曲应力σb。即

式中:Tca—计算转矩[参见式],N·m;
z —柱销数目;
D1—柱销中心所在的圆直径,mm;
[σ]p—许用挤压应力,对橡胶弹性套,[σ]p=2MPa;


[σ]b—柱销的许用弯曲应力,[σ]b=0.25[σ]s,[σ]s为柱销材料的屈服极限,MPa;
d、s、L见图,mm。
这种联轴器制造容易,装拆方便,成本较低,但弹性套易磨损,寿命较短。它适用于联接载荷平稳、需正反转或起动频繁的传递中、小转矩的轴。
2)弹性柱销联轴器
这种联轴器的结构见下图,工作时转矩通过
两半联轴器及中间的尼龙柱销而传给从动轴。为了防止柱销脱落,在半联轴器的外侧,用螺钉固定了挡板。
这种联轴器与弹性套柱销联轴器很相似,但传递转矩的能力很大,结构更为简单,安装、制造方便,耐久性好,也有一定的缓冲和吸振能力,允许被联接两轴有一定的轴向位移以及少量的径向位移和角位移,适用于轴向窜动较大、正反转变化较多和起动频繁的场合,由于尼龙
柱销对温度较敏感,故使用温度限制在-20~+70℃的范围内。


3)星形弹性联轴器
如下图所示,两半联轴器1、3上均制有凸牙,用橡胶等类材料制成的星形弹性件2,放置在两半联轴器的凸牙之间。工作时,星形弹性件受压缩并传递转矩。这种联轴器允许轴的径向位移为0.2mm,偏角位移为1°30'。因为弹性件只受压不受拉,工作情况有所改善,故寿命较长。

图<星形弹性联轴器>
4)梅花形弹性联轴器
这种联轴器如下图所示,其结构形式及工作原理与星形弹性联轴器相似,但半联轴器与轴配合的孔可作成圆柱形或圆锥形,并以梅花形弹性件取代星形弹性件。弹性件可根据使用要求选用不同硬度的聚氨酯橡胶、铸型尼龙等材料制造。工作温度范围为-35~+80℃,短时工作温度可达100℃,传递的公称转矩为16~25000N·m。

图<梅花形弹性联轴器>
5)轮胎式联轴器
轮胎式联轴器如下图所示,用橡胶或橡胶织物制成轮胎状的弹性元件1,两端用压板2及螺钉3分别压在两个半联轴器4上。这种联轴器富有弹性,具有良好的消振能力,能有效地降低动载荷和补偿较大的轴向位移,而且绝缘性能好,运转时无噪声。缺点是径向尺寸较大;当转矩较大时,会因过大扭转变形而产生附加轴向载荷。为了便于装配,有时将轮胎开出径向切口5,但这时承载能力要显著降低。

6) 膜片联轴器
膜片联轴器的典型结构如下图。其弹性元件为一定数量的很薄的多边环形(或圆环形)金属膜片叠合而成的膜片组,在膜片的圆周上有若干个螺栓孔,用铰制孔用螺栓交错间隔与半联轴器相联接。这样将弹性元件上的弧段分为交错受压缩和受拉伸的两部分,拉伸部分传递转矩,压缩部分趋向皱折。当机组存在轴向、径向和角位移时,金属膜片便产生波状变形。
这种联轴器结构比较简单,弹性元件的联接没有间隙,不需润滑,维护方便,平衡容易,质量小,对环境适应性强,但扭转弹性较低,缓冲减振性能差,主要用于载荷比较平稳的高速传动。



1;所有标注为智造资料网zl.fbzzw.cn的内容均为本站所有,版权均属本站所有,若您需要引用、转载,必须注明来源及原文链接即可,如涉及大面积转载,请来信告知,获取《授权协议》。
2;本网站图片,文字之类版权申明,因为网站可以由注册用户自行上传图片或文字,本网站无法鉴别所上传图片或文字的知识版权,如果侵犯,请及时通知我们,本网站将在第一时间及时删除,相关侵权责任均由相应上传用户自行承担。
[complaint:内容投诉]
智造资料网打造智能制造3D图纸下载,在线视频,软件下载,在线问答综合平台 » 联轴器的种类和特性(图文教程)

