1.零件图的阅读
1.1概述
在设计和制造工作中,经常需要读零件图,其目的就是要求根据零件图,想象出零件的内外结构形状,了解零件的尺寸和各项技术要求等。例如在设计零件时,往往需要参考同类零件图纸,研究改进零件的结构和理性;在制造零件时,首先要看懂图纸,采取合理的制造加工方法,以达到图样所提出的要求,保证产品质量。 根据实际零件画出零件图的过程,称为零件测绘。零件测绘是部件(或机器)测绘中的重要一环,在机器设计、仿制或维修时都会碰到。如机器中某一零件损坏,又无配件或图纸,这时就必须测绘该零件。零件的结构形状,根据零件在机器或部件中的作用和制造工艺上的要求不同,常有各种不同的结构。我们从零件结构的分析中,能进一步了解组成零件的各部分结构特点、作用和要求,这有助于深刻地认识零件,从而更好地掌握零件的表达方法。这样在画零件图时,就能做到心中有数,减少盲目性,使画出的图形符合生产实际。测绘时,首先按零件图的表达要求,徒手画出零件的草图,测量出它的尺寸和制订出它的技术要求,然后根据零件草图画出零件工作图,为设计机器、维修零件和准备配件创造条件。
1.2 读零件图的方法与步骤
(1)概括了解 根据标题栏了解零件的名称、材料、编号用以及图形的比例大小等。必要时还需要结合装配图或其他设计资料,弄清它是在什么机器上用的,并大致了解零件的公用和形状。
(2)分析视图,想象形状 首先找出主视图,确定各视图间的关系,并找到剖视、剖面的剖切位置、投影方向等,然后再研究各视图的表达重点。
(3)形体分析 根据零件的功用和视图特征,从图上对零件进行形体分析,把它分解成几个部分。从主视图入手,将所分的几个部分,一个一个地分析,利用投影规律,结合其他有关视图、剖视图、剖面图,找出有关该部分的图形,特别是要找出反映他们形状特征和位置特征的图形,再把这些图联系起来,运用结构分析和投影分析,想象它的空间形状,然后综合各部分形状,弄清他们之间的相对位置,最后确定零件的整体结构形状。 看图的一般顺序应是:首先分析并看懂零件“外部”由哪些几何形体组成,其次分析并看懂零件“内部”形状。对于零件上内、外部的交线,应分析清楚他们的成因和性质。零件上的倒角、圆角、小孔和键槽等可视为细节,不必单独作为几何形体进行分析。
(4)尺寸分析 根据零件图上标注尺寸的原则来分析尺寸,首先找出各个方向的主要基准,在按形体分析在图样上标注的各个尺寸,分清哪些是零件的主要尺寸。
(5)了解技术要求 首先了解零件的加工精度、公差和表面粗糙度。其次再分析了解零件图中所注写的其他技术要求和说明(如热处理要求等)。
1.3 读零件图举例
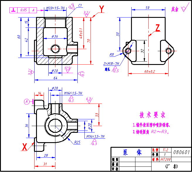
现以图6-1柱塞泵泵体零件图为例,说明该零件图的方法和步骤。

图6-1泵体零件图
(1)概括了解 从图6-1可知,零件的名称为泵体,属于箱体类零件。它必有容纳其他零件的内腔结构。材料是铸铁,零件的毛坯是铸造而成,结构较复杂,加工工序较多。
(2)分析视图,弄清各视图之间的投影关系及所采用的表达方法图中为三个基本视图,主视图取全剖,俯视图取局部剖,左视图为外形图。
(3)分析投影、想象零件的结构形状 读图的基本方法是分形体看,先看主要部分,后看次要部分;先看整体,后看细节;先看易懂的部分,后看难懂得部分。还可根据尺寸及功用判断、想象形体。分析图6-1的各投影可知,泵体零件由泵体和两块安装板组成。
①泵体部分:其外形为左面方形右面半圆柱形状;内腔为圆柱形,容纳柱塞泵的柱塞等零件;后面和右面各有一个圆柱形的凸台,分别为进、出油孔与内腔相通。
②安装板部分:从左视图和俯视图可知,在柱塞泵的左边有两块三角形安装板,其上有螺纹孔。
③两个圆柱形的进出油口,分别位于泵体的右边和后边。 通过以上分析,可以想象出泵体的整体形状如图6-2所示。

(4)分析尺寸和技术要求 在图6-2中,从俯视图的尺寸31和14可知长度方向的尺寸基准是安装板的左端面;从主视图的尺寸70和48±0.1可知高度方向的尺寸基准是泵体上面;从俯视图的尺寸33和左视图的尺寸60±0.2可知宽度方向的尺寸基准是泵体的前后对称面。进出油孔的中心高47±0.1和安装板两螺孔的中心距60±0.2的要求比较高,加工时必须保证。 分析表面粗糙度时,要注意与尺寸的关系。还应了解零件制造、加工时的某些特殊要求。两螺孔端面及顶面等处的表面为零件的结合面,为防止漏油,表面粗糙度要求较高。
1;所有标注为智造资料网zl.fbzzw.cn的内容均为本站所有,版权均属本站所有,若您需要引用、转载,必须注明来源及原文链接即可,如涉及大面积转载,请来信告知,获取《授权协议》。
2;本网站图片,文字之类版权申明,因为网站可以由注册用户自行上传图片或文字,本网站无法鉴别所上传图片或文字的知识版权,如果侵犯,请及时通知我们,本网站将在第一时间及时删除,相关侵权责任均由相应上传用户自行承担。
[complaint:内容投诉]
智造资料网打造智能制造3D图纸下载,在线视频,软件下载,在线问答综合平台 » 机械制图-5.1零件图的阅读(图文教程)

