零件图中,除应有一组完整的视图表达零件的结构形状外,还需标注尺寸,以表达零件的大小。如果尺寸标注不全,则无法加工;尺寸标注不清晰甚至错误,将会产生废品;尺寸标注不合理,就会给生产过程造成困难。所以应认真、细致地对待尺寸的标注。
本章着重讨论根据生产实际需要在零件图中标注尺寸必须遵循的基本知识和方法。
1.
尺寸标注的基本要求
1.1尺寸标注的完整

图4-1
不要标注多余尺寸
1.2 尺寸标注的清晰
标注尺寸时,应努力做到注写清晰、布局恰当、便于查找。为此,除必须遵守国家标准《机械制图》中有关尺寸标注的规定外,还应注意以下几点:
(1)集中与分散相结合
为了加工、检验时便于查对尺寸,应把零件上同一形体的尺寸应尽量集中标注在表达该形体最明显的一两个视图上。这样便于在看图时把了解零件的形体及其有关尺寸紧密结合起来。但如果尺寸过于集中,必然影响图面的清晰,所以应视具体情况把零件上不同形体的尺寸,适当地分散标注,使集中标注与分散标注相结合。如图4-2(a)所示,把沉孔的直径和深度尺寸均集中标注在主视图上,而将表示T型槽的尺寸集中标注在左视图上。这样将同一结构的尺寸适当集中,不同结构的尺寸适当地分散标注,可使图形清晰,阅读方便。图4-2(b)中尺寸标注紊乱,布局不当,在加工、检验时查对尺寸也较困难,尤其对形体复杂的零件,更应避免这样标注尺寸。

(a)尺寸的集中标注(好)

(b)尺寸的分散标注(不好)
图4-2 尺寸标注的集中与分散
(2)内、外形体的尺寸分开标注
零件内部与外部形体的尺寸应尽量分开标注,并将尺寸引出图形之外,从而使标注的尺寸较为清晰。但标注时还应视具体情况而定,不要绝对化。
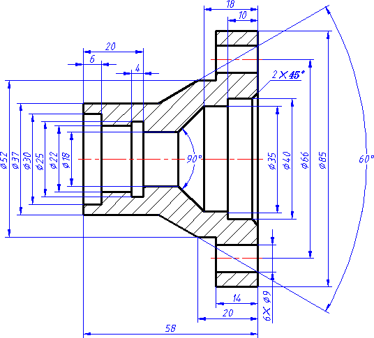
如图4-3所示零件的轴向尺寸,凡属外部形体的尺寸,均布置在视图的下方,属内部形体的尺寸则布置在视图的上方;对于径向尺寸,由于该零件两端
均有阶梯孔,若将内、外直径尺寸分别引向一端,则图线交错太多。因此,内、外直径可就近向两端引出标注。由上例可看出,内、外形体分开标注尺寸有其优点,但也不是绝对的。

图4-3
标注的尺寸清晰图
(3)避免尺寸相交
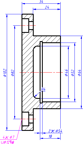
在标注尺寸的过程中,应当注意尽量避免尺寸线与尺寸线,尺寸线或尺寸界线与图形轮廓线相交。通常将同一方向相互平行的尺寸,按大小顺序,把小尺寸标注在靠近图形的位置,大尺寸放在小尺寸之外,并使尺寸线之间的间距适当。如图4-4所示轴承端盖的尺寸标注,其中φ46标注在右边的内侧,φ64标注在右边的外侧,φ52标注在两者之间,且尺寸线彼此之间的间隔一致;其他方向的尺寸标注方法相同,而形体内部过小的尺寸8和R4可就近标注,以避免与形体多多相交。

4-4
避免尺寸相交
1.3 尺寸标注的合理
在标注尺寸时,不仅要做到完整、清晰,而且应尽量做到合理地标注尺寸。这项要求是指标注尺寸应满足结构设计的要求,同时还应考虑到加工方便、测量简单、便于装配等多方面的问题。
1;所有标注为智造资料网zl.fbzzw.cn的内容均为本站所有,版权均属本站所有,若您需要引用、转载,必须注明来源及原文链接即可,如涉及大面积转载,请来信告知,获取《授权协议》。
2;本网站图片,文字之类版权申明,因为网站可以由注册用户自行上传图片或文字,本网站无法鉴别所上传图片或文字的知识版权,如果侵犯,请及时通知我们,本网站将在第一时间及时删除,相关侵权责任均由相应上传用户自行承担。
[complaint:内容投诉]
智造资料网打造智能制造3D图纸下载,在线视频,软件下载,在线问答综合平台 » 机械制图-3.1尺寸标注的基本要求(图文教程)

