第一讲
一、教学目标
(一)能力目标
能计算定轴轮系的传动比及齿轮的转速,并会判断其转向
(二)知识目标
1.了解轮系的类型
2.掌握定轴轮系传动比的计算及转向判断
二、教学内容
1.轮系的功用和分类
2.定轴轮系的传动比
三、教学的重点与难点
重点:定轴轮系传动比的计算。
难点:定轴轮系的转向判别。
四、教学方法与手段
采用多媒体教学(加动画演示),讲授时联系实际,便于学生接受。
12.1 定轴轮系及其传动比计算
轮系:用一系列互相啮合的齿轮将主动轴和从动轴连接起来,这种多齿轮的传动装置称为轮系。
功用:获得多种转速;实现较远轴之间的运动和动力的传递;获得较大的传动比;实现运动的合成与分解。

平面定轴轮系 空间定轴轮系
分类:按轮系中各齿轮轴线是否相互平行,可分为平面齿轮系和空间齿轮系;按轮系运转时齿轮的轴线是否固定,又可分为定轴轮系和行星轮系。
在运转过程中,各轮几何轴线的位置相对于机架是固定不动的轮系称为定轴轮系。定轴轮系又可分为平面定轴轮系和空间定轴轮系。
12.1.1平面定轴轮系传动比的计算
若A——输入轴 B——输出轴,则轮系传动比为
![]()
一对外啮合圆柱齿轮传动比i12=n1/n2=-z2/z1
一对内啮合圆柱齿轮传动比i12=n1/n2=+z2/z1
圆锥齿轮传动比i12=n1/n2=z2/z1,转向用箭头标注法。
![]()
![]()
![]()
![]()
![]()

4——惰轮:不改变传动比的大小,但改变轮系的转向
结论:平面定轴轮系传动比等于组成轮系的各对齿轮传动比的连乘积,也等于从动轮齿数的连乘积与主动轮齿数连乘积之比。首末两轮的转向,取决于齿轮系中外啮合齿轮的对数。
通式:
m——外啮合的次数
12.1.2空间定轴轮系传动比的计算
![]()
转向关系用箭头表示
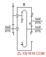
例12.1 图中,设蜗杆1为右旋,转向如图所示,
,
,
,
,
,
,
,
。若蜗杆转速
,求内齿轮5的转速
和转向。

• 解:轮系传动比的大小![]()
• 所以:![]()
蜗杆轴的转向n1是给定的,按传动系统路线依次用箭头标出各级传动的转向,最后获得
的转向。
小结:
1、轮系的类型。
2、定轴轮系传动比的计算及转向判断。
作业与思考:
1、什么是惰轮?它在轮系中起什么作用?
2、在定轴轮系中,如何来确定首、末两轮转向间的关系?
3、定轴轮系与行星轮系的主要区别是什么?
4、轮系中各齿轮的转向如何确定?
该文章所属专题:机械设计教程
第二讲
一、教学目标
(一)能力目标
1.能正确计算行星轮系和复合轮系的传动比。
2.熟悉轮系的应用。
(二)知识目标
1.掌握转化机构法求行星轮系的传动比。
2.掌握混合轮系传动比的计算。
3.熟悉轮系的应用。
二、教学内容
1.周转轮系的传动比
2.混合轮系的传动比
三、教学的重点与难点
重点:行星轮系、混合轮系传动比的计算。
难点:转化机构法求轮系的传动比。
四、教学方法与手段
采用多媒体教学,联系实际讲授,提高学生的学习兴趣。
12.2 行星轮系传动比的计算
12.2.1行星轮系的分类
若轮系中,至少有一个齿轮的几何轴线不固定,而绕其它齿轮的固定几何轴线回转,则称为行星轮系。如图所示的轮系中,齿轮2除绕自身轴线回转外,还随同构件H一起绕齿轮1的固定几何轴线回转,该轮系即为行星轮系。齿轮2称为行星轮,H称为行星架或系杆,齿轮1、3称为太阳轮。

行星轮系的组成:行星轮、行星架(系杆)、太阳轮
12.2.2行星轮系传动比的计算
以差动轮系为例(反转法)
转化机构(定轴轮系) T的机构
1
![]()
2
![]()
3
![]()
4
![]()
![]()
差动轮系:2个运动
行星轮系:
,
![]()
![]()
![]()
对于行量轮系:![]()
∴![]()
∴![]()
例12.2:图示为一大传动比的减速器,Z1=100,Z2=101,Z2'=100,Z3=99。求:输入件H对输出件1的传动比iH1

解:1,3中心轮;2,2'行星轮;H行星架
给整个机构(-WH)绕OO轴转动
![]()
∵W3=0
∴![]()
![]()
∴![]()

若Z1=99
![]()
行星轮系传动比是计算出来的,而不是判断出来的。
12.2.3复合轮系传动比的计算
复合轮系:轮系中既含有定轴轮系又含有行星轮系,或是包含由几个基本行星轮系的复合轮系。
复合轮系传动比的计算:先将混合轮系分解成行星轮系和定轴轮系,然后分别列出传动比计算式,最后联立求解。
1、分析轮系的组成
1、2、2'、3——定轴轮系;
1'、4、3'、H——周转轮系
2、分别写出各轮系的传动比
定:![]()
周:![]()
3、找出轮系之间的运动关系

联立求解:

(H,5这一整体)
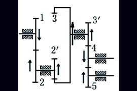
例12.3 电动卷扬机减速器, Z1=24,Z2=48,Z2'=30,Z3=90
Z3'=20,Z4=30,Z5=80,求i1H

解:(1)1,2-2',3,H——周转轮系;3',4,5——定轴轮系
(2)![]()
(3)![]()
(4)联立 ![]()
![]()
若![]()
![]()
12.3 齿轮系的应用
12.3.1定轴轮系的应用
①实现大传动比传动
②实现较远距离的传动(减小机构的尺寸和重量)
![]()
③实现换向传动
④实现变速传动(汽车齿轮变速箱)
⑤实现多分路传动(机械式钟表机构)
12.3.2行星轮系和复合轮系的应用
①实现大传动比
②实现运动的合成
③实现运动的分解。(汽车后桥差减速器)
④实现变速、换向传动
⑤结构紧凑的大功率传动
⑥利用行星轮输出的复杂运动满足某些特殊要求。
12.4 其他新型齿轮传动装置简介
12.4.1摆线针轮行星传动
摆线针轮行星传动的工作原理、输出机构与渐开线少齿差行星传动基本相同,其结构上的差别在于行星轮2改为延长外摆线的等距曲线作齿廓称为摆线轮;用针棒代替中心轮1的轮齿,称为针轮。

摆线针轮行星传动机构
具有减速比大(一般可达iHV=9~ 115,多级可获得更大的减速比),结构紧凑、传动效率高(一般可达90%~ 94% 左右)、传动平稳等优点。此外,还有无齿顶相碰和齿廓重叠干涉等问题。
12.4.2谐波齿轮传动
这种传动是借助波发生器迫使相当于行星轮的柔轮产生弹性变形,来实现与钢轮的啮合。
谐波齿轮传动由三个基本构件组成:谐波发生器、刚轮、柔轮。
12.5 减速器
减速器的种类很多。常用的齿轮及蜗杆减速器按其传动及结构特点,大致可分为三类:
(1)齿轮减速器:主要有圆柱齿轮减速器、圆锥齿轮减速器和圆锥—圆柱齿轮减速器三种。
(2)蜗杆减速器:主要有圆柱蜗杆减速器、圆弧齿蜗杆减速器、锥蜗杆减速器和蜗杆—齿轮减速器等。
(3)行星减速器:主要有渐开线行星齿轮减速器、摆线针轮减速器和谐波齿轮减速器等。
12.5.1常用减速器的主要类型、特点和应用
1、齿轮减速器
齿轮减速器按减速齿轮的级数可分为单级、二级、三级和多级减速器几种;按轴在空间的相互配置方式可分为立式和卧式减速器两种;按运动简图的特点可分为展开式、同轴式和分流式减速器等。单级圆柱齿轮减速器的最大传动比一般为8——10,作此限制主要为避免外廓尺寸过大。若要求i>10时,就应采用二级圆柱齿轮减速器。
二级圆柱齿轮减速器应用于i:8—50及高、低速级的中心距总和为250—400mmm的情况下。三级圆柱齿轮减速器,用于要求传动比较大的场合。圆锥齿轮减速器和二级圆锥—圆柱齿轮减速器,用于需要输入轴与输出轴成90~配置的传动中。因大尺寸的圆锥齿轮较难精确制造,所以圆锥—圆柱齿轮减速器的高速级总是采用圆锥齿轮传动以减小其尺寸,提高制造精度。齿轮减速器的特点是效率高、寿命长、维护简便,因而应用极为广泛。
2、蜗杆减速器
蜗杆减速器的特点是在外廓尺寸不大的情况下可以获得很大的传动比,同时工作平稳、噪声较小,但缺点是传动效率较低。蜗杆减速器中应用最广的是单级蜗杆减速器。
单级蜗杆减速器根据蜗杆的位置可分为上置蜗杆、下置蜗杆及侧蜗杆三种,其传动比范围一般为i:10—70。设计时应尽可能选用下置蜗杆的结构,以便于解决润滑和冷却问题。
3、蜗杆—齿轮减速器
这种减速器通常将蜗杆传动作为高速级,因为高速时蜗杆的传动效率较高。它适用的传动比范围为50—130。
12.5.2减速器传动比的分配
由于单级齿轮减速器的传动比最大不超过10,当总传动比要求超过此值时,应采用二级或多级减速器。此时就应考虑各级传动比的合理分配问题,否则将影响到减速器外形尺寸的大小、承载能力能否充分发挥等。根据使用要求的不同,可按下列原则分配传动比:
(1)使各级传动的承载能力接近于相等;
(2)使减速器的外廓尺寸和质量最小;
(3)使传动具有最小的转动惯量;
(4)使各级传动中大齿轮的浸油深度大致相等。
12.5.3减速器的结构
图示为单级直齿圆柱齿轮减速器的结构,它主要由齿轮(或蜗杆)、轴、轴承、箱体等组成。箱体必须有足够的刚度,为保证箱体的刚度及散热,常在箱体外壁上制有加强肋。为方便减速器的制造、装配及使用,还在减速器上设置一系列附件,如检查孔、透气孔、油标尺或油面指示器、吊钩及起盖螺钉等。
小结:
1、行星轮系传动比的计算。
2、混合轮系传动比的计算。
3、轮系的应用。
作业与思考:
1、“转化机构法”的根据何在?
2、摆线针轮行星传动中,针轮与摆线轮的齿数差为多少?
3、谐波齿轮减速器与摆线针轮减速器相比有何特点?
该文章所属专题:机械设计教程
1;所有标注为智造资料网zl.fbzzw.cn的内容均为本站所有,版权均属本站所有,若您需要引用、转载,必须注明来源及原文链接即可,如涉及大面积转载,请来信告知,获取《授权协议》。
2;本网站图片,文字之类版权申明,因为网站可以由注册用户自行上传图片或文字,本网站无法鉴别所上传图片或文字的知识版权,如果侵犯,请及时通知我们,本网站将在第一时间及时删除,相关侵权责任均由相应上传用户自行承担。
[complaint:内容投诉]
智造资料网打造智能制造3D图纸下载,在线视频,软件下载,在线问答综合平台 » 机械设计教程-12轮系(图文教程)

