8 螺纹及螺纹紧固件画法
本标准根据GB/T 4459.1-1995机械制图 螺纹及螺纹紧固件表示法的规定制定。
8.1 螺纹的表示法
(1)螺纹牙顶圆的投影用粗实线表示,牙底圆的投影用细实线表示,在螺杆的倒角或倒圆部分也应画出。在垂直于螺纹轴线的投影面的视图中,表示牙底圆的细实线只画约3/4圈(空出约1/4圈的位置不作规定),此时,螺杆或螺孔上的倒角投影不应画出(图1~3)。在垂直于螺纹轴线的投影面的视图中,需要表示部分螺纹时,表示牙底圆的细实线也应适当地空 出一段,如图4所示。



(2)有效螺纹的终止界线(简称螺纹终止线)用粗实线表示,外螺纹终止线的画法如图1a、2a;内螺纹终止线的画法如图3、5a。
(3)螺尾部分一般不必画出,当需要表示螺尾时,该部分用与轴线成30。的细实线画出(图1a、5a)。
(4)不可见螺纹的所有图线用虚线绘制(图6)。
(5)无论是外螺纹或内螺纹,在剖视或剖面图中的剖面线都应画到粗实线(图2~5)。
(6)绘制不穿通的螺孔时,一般应将钻孔深度与螺纹部分的深度分别画出(图3、5a)。


(7)当需要表示螺纹牙型时,可按图7的形式绘制。

(8)圆锥外螺纹和圆锥内螺纹的表示法如图8、9。


(9)以剖视图表示内外螺纹的连接时,其旋合部分应按外螺纹的画法绘制,其余部分仍按各自的画法 表示(图10、11)。

8.2 螺纹的标注方法
8.2.1 螺纹标注的基本要求:
a 标准的螺纹,应注出相应标准所规定的螺纹标记。
b 应符合GB/T 4459.1-1995的要求。
c 基本模式为:
(螺纹代号)(公称直径)×{螺距(导程/线数)}(旋向)-(公差代号)-(旋合长度)。
例:M20 ×1.5(3/2)右
a螺纹的公称直径是指螺纹的大径
b粗牙螺纹不标螺距。
c当线数为1时,导程与线数不标。
d当旋向为右旋时允许右字省略,当左旋时标LH。
e旋合长度为中等时,N可省略。
(4)规格代号前的国标号若有规定说明可省略,否则应标注。
8.2.3 螺纹标注
(1)标准的螺纹,应注出相应标准所规定的螺纹标记。
(2)公称直径以mm为单位的螺纹,其标记应直接注在大径的尺寸线上(图12)或其引出线上(图 13~15)。
(3)管螺纹,其标记一律注在引出线上,引出线应由大径处引出(图16~18)或由对称中心处引出(图 19)。


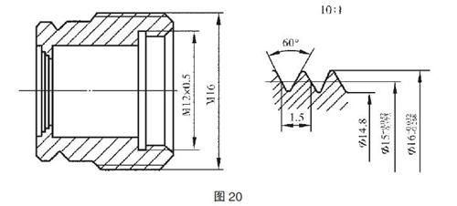
(4)非标准的螺纹应画出螺纹的牙型,并注出所需要的尺寸及有关要求(图20)。

(5)图样中所标注的螺纹长度,均指不包括螺尾在内的完整螺纹长度,见图21。当需要标出螺尾长 度时,其标注方法见图22。

该文章所属专题:机械制图标准学习
8.3 在装配图中螺纹紧固件的画法
(1)在装配图中,当剖切平面通过螺杆的轴线时,对于螺柱、螺栓、螺钉、螺母及垫圈等均按未剖切绘制(图23~26);螺纹紧固件的工艺结构,如倒角、退刀槽、缩颈、凸肩等均可省略不画(图24~26)。
(2)在装配图中,不穿通的螺纹孔可不画出钻孔深度,仅按有效螺纹部分的深度(不包括螺尾)画出 (图 24~26)。


(3)在装配图中,常用螺栓、螺钉的头部及螺母等也可采用表1所列的简化画法,如图24所示。


该文章所属专题:机械制图标准学习
1;所有标注为智造资料网zl.fbzzw.cn的内容均为本站所有,版权均属本站所有,若您需要引用、转载,必须注明来源及原文链接即可,如涉及大面积转载,请来信告知,获取《授权协议》。
2;本网站图片,文字之类版权申明,因为网站可以由注册用户自行上传图片或文字,本网站无法鉴别所上传图片或文字的知识版权,如果侵犯,请及时通知我们,本网站将在第一时间及时删除,相关侵权责任均由相应上传用户自行承担。
[complaint:内容投诉]
智造资料网打造智能制造3D图纸下载,在线视频,软件下载,在线问答综合平台 » 机械制图标准学习-螺纹及螺纹紧固件画法(图文教程)

