1. 图示机构中有_____个虚约束。
(A)0 (B) 1 (C)2 (D)3
2.图示机构要有确定运动,需要有_____个原动件。
(A)0 (B)1 (C)2 (D)3

3.平面四杆机构中,若各杆长度分别为a=40、b=60、 c=60 、 d=70。当以a为机架,则此四杆机构为_________。
4.在双曲柄机构中,已知三杆长度为a=80, b=150 , c=120, 则d杆长度为________。
(A) d<110 (B)110≤d≤190 (c) d<190
5.凸轮机构从动杆的运动规律,是由凸轮_____ 所决定的。
(A)转速 (B)轮廓曲线 (C) 形状
6.凸轮机构中,基圆半径是指凸轮转动中心至______向径。
(A)理论轮廓线上的最大 (B) 实际轮廓线上的最大
(C) 理论轮廓线上的最小 (D) 实际轮廓线上的最小
7.键联接的主要用途是使轮与轮毂之间________
(A)沿轴向固定并传递轴向力 (B) 沿轴向可作相对滑动并具由导向性
(C)沿周向固定并传递扭距 (D) 安装拆卸方便
8.A、B、C 三种类型的普通平键b、h、h相同,则工作中受挤压面积最大的应属____型。
9.平键联接所能传递的最大扭距为T,现要传递的扭距为1.5T,则应_______。
(A)把键长增大到1.5倍 (B) 把键宽增加到1.5倍
(C) 把键高增加到1.5倍 (D) 安装一对平键
10.拧紧螺母的效率,主要与螺母的______有关
(A) 导程角 (B) 线数 (C) 螺距和牙型角 (D)导程角和牙型角
11.采用螺纹联接时,若被联接件总厚度较大,且材料较软,在需要经常装拆的情况下宜采用________。
(A) 螺栓联接 (B) 双头螺柱联接 (C)螺钉联接
12.普通螺栓联接中的松螺纹和紧螺纹之间的主要区别是:松螺纹联接中的螺纹部分不存在_____作用。
(A) 拉伸 (B) 扭转 (C) 剪切 (D) 弯曲
13.被联接件受横向外力作用时,如采用普通螺栓联接则螺栓可能的失效形式为_________。
(A) 剪切与剂压破坏 (B) 拉断 (C) 拉扭断裂
14.三角带传动和平皮带传动相比较,。其主要优点是___________。
(A) 在传递相同功率时尺寸较小 (B) 传动效率高
(C) 带的寿命长 (D) 带的价格便宜
15.国标规定:三角带有_____________七种类型传递能力最大的为____型。最小的为___型。代号A1000表示________________。
16.带的传动中的有效圆周Ft _________。
(A) 随负载的增加而增加 (B) 随负载的增加而减少 (C) 与负载无关
17.带传动的中心距与小带轮的直径一定时,若增大传动比。则小带轮包角_______。
(A) 增大 (B) 减小 (C) 不变
18.汽车下部,由发动机、变速器、通过万向联轴器带动后轮差速器的轴,是______。
(A)心轴 (B) 转轴 (C)传动轴
19.渐开线齿廓形状取决于________直径大小。
20.一个齿轮上的圆有________。
(A) 齿顶圆,齿根圆 (B) 齿顶圆,齿根圆,分度圆,基圆
(C ) 齿顶圆,节圆,基圆。齿根圆 (D) 齿顶圆,分度圆,节圆,齿根圆,基圆,
21.渐开线标准直齿圆柱齿轮传动,其正确啮合条件为__________。
22.两轴在空间交错900的传动,如已知传递载荷及传动比都较大,则宜选用_______。
(A) 螺旋齿轮传动 (B)斜齿圆锥齿轮传动 (C)蜗轮蜗杆传动
23.当两轴距离较远,且要求传动比准确,宜采用_______。
(A) 带传动 (B)一对齿轮传动 (C) 轮系传动
24.一渐开线标准直齿圆柱齿轮,跨6个齿与跨7个齿所测的公法线长度分别为42.14mmy与49.52mm ,则该齿轮模数为________。
25.闭式硬齿面齿轮传动的强度设计,首先按__________强度条件计算出_________。
1.()根据曲柄存在的条件已判定铰接四杆机构中存在曲柄,则此机构是不会成为双摇杆机构的。
2.()普通平键联接是依靠键的上下两面的摩擦力来传递扭距的。
3.()三角形螺纹具有较好的自锁性能。螺纹之间的摩擦力及支承面之间的摩擦力都能阻止螺母的松脱。所以就是在振动及交变载荷作用下,也不需要防松。
4.()m,d,ha* c*都是标准值的齿轮是标准齿轮。
5.()渐开线标准直齿圆柱齿轮传动,由于安装不准确,产生了中心距误差,但其传动比的大小仍保持不变。
1. 下列凸轮机构中,图_______所画的压力角是正确的。

2. 图示为尖顶对心移动从动杆盘状凸轮机构
(1) 绘出压力角
(2) 绘出凸轮基圆半径
(3) 绘出从动杆升程h

3. 计算图示机构的自由度,并判定其是否具有确定的运动。

4. 螺纹联接的自锁条件是什么?在螺纹导程角,摩擦系数相同情况下,试比较三角形、梯形、矩形螺纹的自锁性与效率。
5. 轴的结构设计主要考虑的因素有哪些?
四.计算题。
1.已知一对正确安装的标准渐开线正常齿轮的ɑ=200,m=4mm,传动比i12=3,中心距a=144mm。
试求两齿轮的齿数、分度圆半径、齿顶圆半径、齿根圆半径。
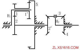
2.图示轮系,已知Z1=20、Z1'=24、Z2=30、Z2'=Z3= Z4=25、Z5=74,且已知nH1=100转/分。求nH2。

参考答案
该文章所属专题:机械设计基础试题
参考答案:
| 一 、填空: |
| 1 1 |
| 2 1 |
| 3 双曲柄机构 |
| 4 110≤d≤190 |
| 5 凸轮廓线 |
| 6 实际轮廓线上的最小 |
| 7 沿周向固定并传递扭距 |
| 8 B |
| 9 安装一对平键 |
| 10 导程角和牙型角 |
| 11 双头螺柱联接 |
| 12 拉断 |
| 13 传动效率高 |
| 14 Y Z A B C D E Y A型标准长度1000mm |
| 15 与负载无关 |
| 16 减小 |
| 17 传动轴 |
| 18 基圆 |
| 20 齿顶圆,齿根圆,分度圆,基圆 |
| 21 模数和压力角相等 |
| 22 蜗轮蜗杆传动 |
| 23 轮系传动 |
| 24 m=5 |
| 25 齿根弯曲疲劳强度 模数 |
| 二、判断 |
| 1 错 |
| 2 错 |
| 3 错 |
| 4 错 |
| 5 对 |
| 三、回答 |
| 1 b |
| 2 图示 |
| 3 2 不具有确定的运动 |
| 4 升角小于等于当量摩擦角 三角螺纹自锁最好,梯形次之,矩形最差。效率矩形自锁最好,梯形次之,三角螺纹最差。 |
| 5 轴上零件的轴向、周向定位,装拆,加工工艺 |
| 四、计算 |
| 1. 144=4/2(Z1+iZ1) Z1=18 Z2=3*18=54 d1=4*18 =72 d2=4*54 =216 da1=72+2*4=80 ra1=(72+2*4)/2=40 da2=216+2*4=224 ra2=(216+2*4)/2=112 df1=72-2*1,25*4=62 rf1=(72-2*1,25*4)/2=31 df2=216-2*1,25*4=206 rf2=(216-2*1,25*4)/2=103 |
| 2 (n2-nH1)/(n5-nH1)=-Z1Z5/Z2Z1' n5=0 n2/nH1=1+Z1Z5/Z2Z1' nH1=100 求出n2=305.6 (n2-nH2)/(n4-nH2)=-Z4/Z2' n2/nH2=1+Z4/Z2' 305.6/nH2=1+25/25 nH2=152.8 |
该文章所属专题:机械设计基础试题
1;所有标注为智造资料网zl.fbzzw.cn的内容均为本站所有,版权均属本站所有,若您需要引用、转载,必须注明来源及原文链接即可,如涉及大面积转载,请来信告知,获取《授权协议》。
2;本网站图片,文字之类版权申明,因为网站可以由注册用户自行上传图片或文字,本网站无法鉴别所上传图片或文字的知识版权,如果侵犯,请及时通知我们,本网站将在第一时间及时删除,相关侵权责任均由相应上传用户自行承担。
[complaint:内容投诉]
智造资料网打造智能制造3D图纸下载,在线视频,软件下载,在线问答综合平台 » 机械设计基础试题(6)(图文教程)

