1.机构具有确定运动的条件是:_____________________________________。
2.图示机构要有确定运动需要有_________________个原动件。
3.平面四杆机构中,若各杆长度分别为a=30,b=50,c=80,d=90,当以a为机架,则该四杆机构为________________。
4. 曲柄摇杆机构中,曲柄为主动件时,_______________________死点位置。
(A)曲柄与连杆共线时,(B)摇杆与连杆共线时,(C)不存在,
5.凸轮机构基圆半径越___,压力角越___,机构传动性能越好。
6.键联接的主要用途是:__________________,键“12X50”的含义是__________________。
7.普通平键联接所能传递的最大转矩为T,现要传递的转矩为1.5T,则应________________________。
(A)把键长增大到1.5倍,(B)把键高增大到1.5倍 (C)把键宽增大到1.5倍 (D)安装一对平键
8. 螺纹的公称直径是指它的___________,螺纹“M12X1.5左”的含义是____________________。
9. 普通螺栓联接中的松螺纹联接与紧螺纹联接之间的主要区别是:松螺纹联接中的螺纹部分不存在________________作用。
(A)拉伸 (B)扭转 (C)剪切 (D)弯曲
10. 一调整螺旋,采用双线粗牙螺纹,螺距为3毫米,为使螺母相对螺杆沿轴线移动2毫米,则螺杆应转_________圈,
11.国标规定,三角带有___________________________共七种类型,代号“B2240”表示的含义是:_____________________________________。
12.带传动主要是依靠_____________来传递与动和动力,
(A)带和两轮接触面之间的正压力 (B)带的紧边拉力
(B) 带和两轮接触面之间的摩擦力 (D)带松边拉力
13.三角带横截面为等腰梯形,夹角为40度,在设计三角带轮时,轮槽夹角一般确定为 ______________________
(A) 大于40度 (B)等于40度 (C)小于40度
14.带传动的中心距与小带轮的直径一定时,若增大传动比,则小带轮包角_______________,
15.渐开线齿廓形状取决于_____________________直径大小,
16.渐开线标准直齿圆柱齿轮传动,正确啮合条件是_____________________________________,
17.齿轮传动的重合度越大,表示同时参与啮合的轮齿数目________________,齿轮传动越_______________,
18.一渐开线标准直齿圆柱齿轮的齿距为15.7毫米,齿根圆直径为367.5mm,则该齿轮的齿数为______________,
19.闭式软齿面齿轮传动的强度设计,首先按_______________________强度条件计算,校核_________________。
20.轮系通常分为____________________________和___________________________两种。
二、简要回答
1.作出下列机构图示位置压力角。
(1)作出图示位置压力角;
(2)求该凸轮基圆半径rb;
(3)求从动杆升程h。
3.螺纹联接的自锁条件是什么?在公称直径,螺旋升角,摩擦系数相同的情况下,试比较三角形螺纹、 梯形螺纹、矩形螺纹的自锁性(简述理由)。
三、计算题
1, 一对标准直齿圆柱齿轮传动,已知两齿轮齿数分别为40和80,并且测得小齿轮的齿顶圆直径为420mm,求两齿轮的主要几何尺寸。
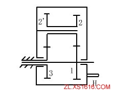
2, 图示轮系,已知各轮齿数Z1=Z2'=41,Z2=Z3=39,求手柄H与轮1的传动比i1H。

参考答案
该文章所属专题:机械设计基础试题
参考答案
| 一、填空: |
| 1 原动件数等于机构的自由度数 |
| 2 1 |
| 3 双曲柄机构 |
| 4 不存在 |
| 5 大 小 |
| 6 周向固定 传递运动和转矩 |
| 7 安装一对平键 |
| 8 外径 左旋细牙螺纹公称直径12 |
| 9 扭转 |
| 10 1/3 |
| 11 Y Z A B C D E 基准长度2240mm |
| 12 带和两轮接触面之间的摩擦力 |
| 13 小于40度 |
| 14 变小 |
| 15 基圆 |
| 16 模数相等,压力角相等 |
| 17 多平稳 |
| 18 76 |
| 19 齿面接触疲劳 齿根弯曲疲劳强度 |
| 20 定轴轮系 行星轮系 |
| 二、简答 |
| 1 图 |
| 2 图 |
| 3 螺旋升角小于当量摩擦角 由于当量摩擦角的关系,三角螺纹自锁最好,矩形最差 |
| 4 离心力大 转数多 |
| 5 大小齿轮材料及热处理硬度差50左右,由于小齿轮转数多,更快失效 |
| 三、计算题 |
| 1 m=420/(40+2)=10 d1=400 d2= 800 da2=800+20=820 df1=400-2*1.25m=375 df2=800-2*1.25m=775 a=10/2(40+80)=600 p=3.14*m=31.4 |
| 2 (n1-nH)/(0-nH)=z2 z3/z1 z2' (-n1/nH)+1=z2 z3/z1 z2' i1H=1-(39*39/41*41)=0.095 |
该文章所属专题:机械设计基础试题
1;所有标注为智造资料网zl.fbzzw.cn的内容均为本站所有,版权均属本站所有,若您需要引用、转载,必须注明来源及原文链接即可,如涉及大面积转载,请来信告知,获取《授权协议》。
2;本网站图片,文字之类版权申明,因为网站可以由注册用户自行上传图片或文字,本网站无法鉴别所上传图片或文字的知识版权,如果侵犯,请及时通知我们,本网站将在第一时间及时删除,相关侵权责任均由相应上传用户自行承担。
[complaint:内容投诉]
智造资料网打造智能制造3D图纸下载,在线视频,软件下载,在线问答综合平台 » 机械设计基础试题(4)(图文教程)

