一、连杆主体
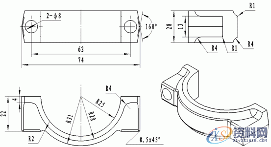
1.工作图


图1
2.产品分析
1)结构分析
本例中的连杆,由于其形状不规则,又含有较多的倒圆角,且各部分的厚度不相同。造型时可按下列步骤进行:先画二维曲线再采用拉伸的方法构造基础的实体;考虑到连杆是关于左右和上下对称的,只做1/4的实体即可;拉伸中灵活运用偏置值和起始距离等参数,可以简便地完成造型。
2)构造框图
连杆建模步骤
步骤 | 模型 | 说明 | 步骤 | 模型 | 说明 |
1 | ![]() | 绘制草图曲线 | 2 | ![]() | 拉伸连杆主体 |
3 | ![]() | 拉伸连杆头部 | 4 | ![]() | 拉伸凹槽 |
5 | ![]() | 拉伸凸棱 | 6 | ![]() | 实体倒圆 |
7 | ![]() | 建立拔模斜度 | 8 | ![]() | 镜像实体 |
9 | ![]() | 构造孔特征 |
3.操作步骤
1)绘制二维轮廓
采用草图图标
,绘制下图所示二维轮廓图。
,绘制下图所示二维轮廓图。
图2
2)拉伸连杆主体


图3 图4
单击拉伸命令
,在选择意图对话框中选择“已连接曲线”,鼠标单击连杆主体曲线,在拉伸对话框中设置拉伸参数为:起始0,结束6.5,方式为创建。生成的拉伸实体如图3所示。
,在选择意图对话框中选择“已连接曲线”,鼠标单击连杆主体曲线,在拉伸对话框中设置拉伸参数为:起始0,结束6.5,方式为创建。生成的拉伸实体如图3所示。3)拉伸连杆头部
拉伸的方法和步骤与上面大致相同。在拉伸对话框中设置拉伸参数为:起始0,结束10,方式为求和。生成的拉伸实体如图4所示。
4)构造连杆的凹槽
拉伸的方法和步骤与上面大致相同。在拉伸对话框中设置拉伸参数为:起始3,结束6.5,方式为求差。生成的拉伸实体如图5所示。


图5 图6
5)拉伸凸棱
单击拉伸命令
,在选择意图对话框中选择“单个曲线”,鼠标单击草图曲线中R25的边,在拉伸对话框中设置拉伸参数如下图所示,注意偏置中结束值的正负。生成的拉伸实体如图6所示。
,在选择意图对话框中选择“单个曲线”,鼠标单击草图曲线中R25的边,在拉伸对话框中设置拉伸参数如下图所示,注意偏置中结束值的正负。生成的拉伸实体如图6所示。
图7
采用同样的办法拉伸连杆头部的另外一个凸棱,在拉伸对话框中设置偏置参数为:起始0,结束4。生成的拉伸实体如图8所示。


图8 图9
6)实体倒圆
实体倒圆要按照从大到小的顺序。
选择图标
,在对话框中将“默认半径”的值改为40,并且在实体上选取要倒圆的边,单击“应用”按钮即可。
,在对话框中将“默认半径”的值改为40,并且在实体上选取要倒圆的边,单击“应用”按钮即可。 同样的办法,在对话框中将“默认半径”的值改为25,在实体上选择相应的边。
将将“默认半径”的值改为3.5,选择连杆头部凸棱的边(注意选择顺序),单击“应用”按钮。
同理,输入相应的半径值,将凹槽的各边倒圆角,如图9所示。
7)建立拔模斜度
单击图标
,选择“从固定边缘拔模”图标
,修改自动判断矢量为
,选择拔模的边,在角度栏输入“10”,单击确定结束,结果图10所示。
,选择“从固定边缘拔模”图标
,修改自动判断矢量为
,选择拔模的边,在角度栏输入“10”,单击确定结束,结果图10所示。
图10
8)镜像实体
由于只建立了整个连杆的1/4可以通过左右和上下镜像完成其余部分。
a 建立辅助平面(基准平面):这里我们可以直接使用XY平面和XZ平面为基准平面。
b 选择实例特征图标
,在对话框中选择“镜像体”选项。
,在对话框中选择“镜像体”选项。c 选中需要镜像的实体,单击
确定。
确定。d 选择镜像的基准平面,分别以XY平面和XZ平面为基准平面,镜像实体,再对实体进行布尔运算,得到如图8所示实体。
9)构造孔特征a
10)构造孔特征b 使用孔特征命令设置好孔的参数,定位后得到孔。
11)镜像孔特征b 使用镜像特征镜像孔特征b,得到图1所示实体。
二、连杆接头
1.连杆接头工作图

2 步骤提示
A、抓住关键,构造二维草图
B、通过拉伸完成连杆接头的主体
C、倒角、拔模等操作完成半个实体的构造
D、通过镜像完成整个实体的构造
步骤 | 模型 | 说明 | 步骤 | 模型 | 说明 |
1 | ![]() | 绘制草图曲线 | 2 | ![]() | 拉伸 |
3 | ![]() | 拉伸 | 4 | ![]() | 倒角 |
5 | ![]() | 拔模 | 6 | ![]() | 镜像 |
N95口罩耳带机、N95切片加内置鼻梁一体机、N95口罩机整套现货,预订电话:13018639977
CNC数控编程培训、塑胶模具设计培训,冲压模具设计培训,精雕、ZBrush圆雕培训、Solidworks产品设计培训、pro/E产品设计培训,潇洒职业培训学校线下、线上网络学习方式,随到随学,上班学习两不误,欢迎免费试学!
学习联系李老师电话:13018639977(微信同号)QQ:2033825601
学习地址:东莞市横沥镇新城工业区兴业路121号-潇洒职业培训学校
免责声明:
1;所有标注为智造资料网zl.fbzzw.cn的内容均为本站所有,版权均属本站所有,若您需要引用、转载,必须注明来源及原文链接即可,如涉及大面积转载,请来信告知,获取《授权协议》。
2;本网站图片,文字之类版权申明,因为网站可以由注册用户自行上传图片或文字,本网站无法鉴别所上传图片或文字的知识版权,如果侵犯,请及时通知我们,本网站将在第一时间及时删除,相关侵权责任均由相应上传用户自行承担。
[complaint:内容投诉]
智造资料网打造智能制造3D图纸下载,在线视频,软件下载,在线问答综合平台 » UG模具设计-UGNX4.0连杆造型设计
1;所有标注为智造资料网zl.fbzzw.cn的内容均为本站所有,版权均属本站所有,若您需要引用、转载,必须注明来源及原文链接即可,如涉及大面积转载,请来信告知,获取《授权协议》。
2;本网站图片,文字之类版权申明,因为网站可以由注册用户自行上传图片或文字,本网站无法鉴别所上传图片或文字的知识版权,如果侵犯,请及时通知我们,本网站将在第一时间及时删除,相关侵权责任均由相应上传用户自行承担。
[complaint:内容投诉]
智造资料网打造智能制造3D图纸下载,在线视频,软件下载,在线问答综合平台 » UG模具设计-UGNX4.0连杆造型设计
















