我所前几年从国外引进某型号数控精加工精机床数台,被加工零件装卡一直采用硬装卡方式。去年我所开发的某系列产品中的一个关键零件需要在该机床上加工,因该工件为低强度薄壁件,不允许采用硬装卡方式,需采用真空吸附的方式,故我们对该机床进行了改造。设计了真空吸附控制系统,经过一年的试用表明,基本能满足使用要求,但效果不是太好。最近我们对真空系统进行了进一步的改造,使用效果非常好。它由真空泵提供真空源,在真空主管路上并联多台数控机床,实现多路真空吸附。为保证机床吸附口的真空稳定性,原有系统采用每台车床旁装真空瓶的办法,其体积较大,即不美观又妨碍工人现场操作。改进后在机房集中配置两个真空瓶,机床旁采用真空减压阀等一系列控制元件来提高真空的稳定性。现有系统结构紧凑,性能安全可靠,操作简单方便。

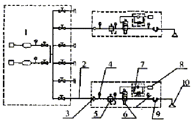
1.真空源 2.软尼龙管 3.单向阀 4.真空表 5.真空减压阀 6.2位3通阀 7.真空破坏调速阀 8.消声器 9.真空过滤器 10.机床吸盘
图1 真空控制原理图
工作原理
该真空吸附回路原理见图1。真空表4用于监测真空回路的真空值。当真空泵端因故突然停止抽气,真空下降时,带管接头单向阀3可快速切断真空回路,保持吸盘内的真空压力不变,延缓吸吊工件脱落的时间,以便采取安全补救措施。
根据半精加工及精加工要求不同吸力的情况,可通过真空减压阀5实现对吸盘内真空度的调节,调节范围为O~-O.1MPa 。其调节方法为预先设定被吸工件所需真空度压力值,然后将开关旋置于接通状态,旋钮式2位3通阀6旋到“吸”的位置,开始抽取真空。
因机房真空罐有足够的容积,当吸盘真空度达到减压阀5的设定值时,真空将稳定在该设定值。卸工件时将旋钮式2位3通机控阀6旋到“卸”的位置,则与真空泵段自动断开,关闭进气端,开启排气端,可根据需要调节真空破坏调速阀7控制放气速度,从而控制卸工件的快慢。真空破坏调速阀7的排气口安装有消声器8,可以降低噪音。
在机床吸盘与真空泵之间设置了真空过滤器9对油污、粉层起过滤作用,以防止真空系统中的元件受污染出现故障。
流量计算
已知各支路配管内径D为f7.5mm ,管长L为2m,查图2得出配管容积V为0.0881。查图3得出配管的有效截面积S为25mm2。
从切换阀到吸盘之间配管系统的最大流量达到真空度的63%时的吸着响应时间达到真空度的95%时的吸着响应时间T2=3T1=0.057min。
为了找出系统漏率,利用SMC(中国)有限公司的ZL112真空发生器代替真空泵联接控制系统做吸取试验。系统显示吸盘内真空压力只能达到-0.05MPa ,根据真空发生器的流量特性曲线查得吸入流量为15l/min,也就是单个系统漏率为15l/min。

图2 配管容积

图3 配管有效截面积
系统由2台15l/s、的真空泵提供,总流量口总为1800F15l/s。考虑六台车床同时工作的情况下每台绷末支路上平均流量Q平=285l/min>277.515l/s,即最终各支路流量可达285l/min,在响应时间内整个系统流量满足需求。可调节截止阀的有效截面积设定其流量值为27.5l/min。当某一支路泄漏而与大气接通时,此支路的漏率即为277.5l/min,考虑其它五台车床同时工作的情况下各支路的漏率为15+277.5/5 = 70.5l/min,每台车床支路上平均流量Q平=Q总/5-口漏=289.5l/min>277.5 l/min ,即各支路仍可保证截止阀设定的流量值,在响应时间内各系统流量满足需求。因此当其中某一支路出现泄漏时不影响其它各支路的正常工作。

图4 流量特性曲线
外购元器件都是选用SMC(中国)有限公司,其产品性能可靠,经过使用证明整个控制系统操作简单,方便。
1;所有标注为智造资料网zl.fbzzw.cn的内容均为本站所有,版权均属本站所有,若您需要引用、转载,必须注明来源及原文链接即可,如涉及大面积转载,请来信告知,获取《授权协议》。
2;本网站图片,文字之类版权申明,因为网站可以由注册用户自行上传图片或文字,本网站无法鉴别所上传图片或文字的知识版权,如果侵犯,请及时通知我们,本网站将在第一时间及时删除,相关侵权责任均由相应上传用户自行承担。
[complaint:内容投诉]
智造资料网打造智能制造3D图纸下载,在线视频,软件下载,在线问答综合平台 » 数控机床真空系统改进设计(图文教程)

