联轴器是用来联接不同机构中的两根轴(主动轴和从动轴)使之共同旋转以传递扭矩的机械零件。在高速重载的动力传动中,有些联轴器还有缓冲、减振和提高轴系动态性能的作用。联轴器由两半部分组成,分别与主动轴和从动轴联接。一般动力机大都借助于联轴器与工作机相联接。
画联轴器装配图的具体步骤:
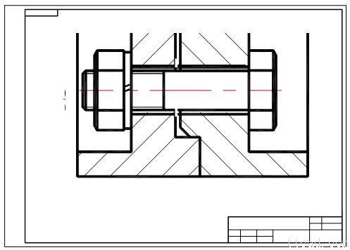
主视图主要反映内部结构;
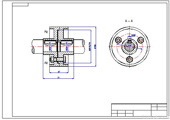
左视图反映外部形状。


1.先画基本视图的轴线、对称线、基准线。

2. 画主视图
先画主要件,再把其它的零件往上面装。开始就画剖视,表达内部结构

3. 按装配程序画其它零件(右半联轴器)。

从零件的结合面进行装配。

按装配程序画其它零件(轴、键)

注意剖切位置。

按装配程序画其它零件(螺栓、垫圈、螺母)

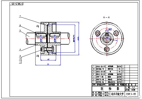
4. 检查,描深,并进行尺寸标注。

5.编序号,填写标题栏、明细表。

免责声明:
1;所有标注为智造资料网zl.fbzzw.cn的内容均为本站所有,版权均属本站所有,若您需要引用、转载,必须注明来源及原文链接即可,如涉及大面积转载,请来信告知,获取《授权协议》。
2;本网站图片,文字之类版权申明,因为网站可以由注册用户自行上传图片或文字,本网站无法鉴别所上传图片或文字的知识版权,如果侵犯,请及时通知我们,本网站将在第一时间及时删除,相关侵权责任均由相应上传用户自行承担。
[complaint:内容投诉]
智造资料网打造智能制造3D图纸下载,在线视频,软件下载,在线问答综合平台 » 联轴器的画法(图文教程)
1;所有标注为智造资料网zl.fbzzw.cn的内容均为本站所有,版权均属本站所有,若您需要引用、转载,必须注明来源及原文链接即可,如涉及大面积转载,请来信告知,获取《授权协议》。
2;本网站图片,文字之类版权申明,因为网站可以由注册用户自行上传图片或文字,本网站无法鉴别所上传图片或文字的知识版权,如果侵犯,请及时通知我们,本网站将在第一时间及时删除,相关侵权责任均由相应上传用户自行承担。
[complaint:内容投诉]
智造资料网打造智能制造3D图纸下载,在线视频,软件下载,在线问答综合平台 » 联轴器的画法(图文教程)

