
实训项目
1.自动变速器系统结构认识
2.自动变速器元件部位的分析
3.分析自动变速器系统档位传动路线实验
4.自动变速器系统的综合诊断
丰田车系自动变速器
一、 丰田车系自动变速器的型号及结构特点:
(一)、变速箱型号
在丰田汽车上,采用的自动变速箱形式较多,其型号主要有:A130L、A131(L)、A132(L)、A140E/L、A141E、A142E、A240E/L、A241E/L/H、A340E/H/F、A341E、A342E、A540E/H、A541E、A650E、A750E/F、A761E、A440F、A442F、U140E/F、U151E/F、U241E、A245E、A246E、U341E、U540E、U541E等。
丰田自动变速箱的型号与通用自动变速器的型号一样,都具有比较特定的含义,了解和掌握这些特定的含义,我们便可以先从型号上知道变速箱的一些特点,从而为我们后面的维修工作打下基础。下面以“A541E”为例,对丰田自动变速箱型号的含义进行说明:

特别说明:上述各型自动变速箱中,A340H、A340F、A540H型自动变速器,其后面均省略了“E”,它们都是电控自动变速器,并带锁止离合器;A241H、A440F、A442F型自动变速器,其后均省略了“L”,但均带有锁止离合器。对于改进后的自动变速器,只增加了锁止离合器或驱动轮的个数,其余未做改动,则只在原型号后加注“L”、“F”或“H”,原型号不变。
(二)结构特点
1、丰田自动变速器是最早采用电控系统的自动变速器之一,因此其纯液控变速器较少,现在运用较多的一般都是半电控或全电控自动变速器,半电控自动变速器都由一根节气门拉线调节主油压(图一),这种拉线只调油压,不调换挡点。
2、在丰田汽车的自动变速器中,行星齿轮机构大多采用辛普森行星齿轮机构,其特点是共用太阳轮,整体结构比较简单,这有利于初学者理解和分析变速箱的传动路线,并掌握其维修方法。
3、丰田四速自动变速器都由一个超速行星排和一个辛普森行星排组成,一般后驱变速器(如:A340E、A341E等)的超速行星排一般装在辛普森齿轮机构的前边,而前驱变速器(如:A140E、A540E等)的超速行星排则装在变速箱的尾部(辛普森行星排的后边)。
4、对于比较老款的丰田电控自动变速箱,多数阀体上有三个电磁阀,其中包括两个换挡电磁阀和一个锁止电磁阀。当变速箱出现故障进入安全应急模式运行时,电控系统通常将变速箱锁定在四挡,即变速箱锁四挡。
5、丰田自动变速器在机械构造方面,一般都设计有2挡手动带式制动器(图二),因此当变速杆置于手动2挡时,车辆都具有发动机制动作用。
二、施力装置和传动路线分析:
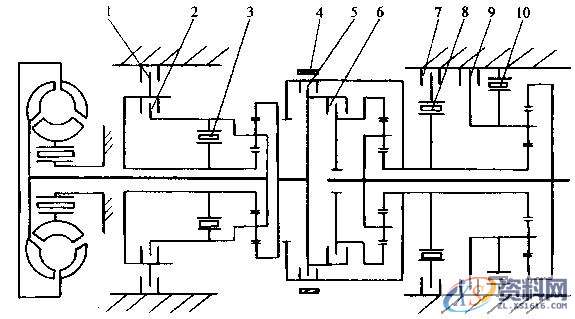
丰田自动箱型号较多,但行星齿轮机构与传动线路大体同,这里以内部结构比较典型的A340E自动变速器为例,分别对其施力装置和传动路线进行说明。该变速箱的行星齿轮机构采用一个单排行星齿轮机构(即超速行星排)和一个辛普森行星排组成,在辛普森行星排中,有一个共用太阳轮,太阳轮和前排齿圈可分别或同时作为动力输入元件,前排行星架与后排齿圈连为一体作为输出元件,后排行星架可独立运动,并与2号单向离合器、低倒挡制动器连接,在低倒挡时制动形成低速挡和倒挡。其动力传递示意图如图所示(元件说明:1-超速挡制动器 2-超速挡离合器 3-超速挡单向离合器 4-手动2挡带式制动器 5-高速挡/倒挡离合器 6-前进挡离合器 7-二挡制动器 8-1号单向离合器 9—低速挡/倒挡制动器 10—2号单向离合器)。


元件说明:C0—超速挡离合器 C1—前进挡离合器 C2—直接挡离合器
B0—超速挡制动器 B1—手动2挡带式制动器 B2—2挡制动器 B3—低倒挡制动器 F0—超速挡单向离合器 F1—1号单向离合器 F2—2号单向离合器
从以上元件施力装置工作表可以看出,该款变速箱在结构上设计有发动机制动作用,当变速杆处于手动2挡时,手动2挡带式制动器参与工作,固定辛普森行星排的共用太阳轮,所以当车辆下长坡或陡坡时,将变速杆置于手动2挡滑行可产生发动机制动作用,从而增强车辆的制动效果。而当变速杆处于“D”位时,手动2挡带式制动器不参与工作,因车辆下坡时驱动轮的转速比输入转速快,1号单向离合器打滑,所以此时车辆无发动机制动作用。
下面以手动2挡的2挡为例,分析其传动路线为:
变速杆置于手动2挡,动力由输入轴传入超速行星排的行星架,由于2挡时超速挡离合器接合,超速挡单向离合器锁止,将超速行星排连为一个整体,因超速行星排的齿圈与前进挡和直接挡离合器毂连为一体,此时前进挡离合器接合,动力由前进挡离合器输入到辛普森行星齿轮机构的前排齿圈,又因手动2挡带式制动器(当车辆滑行时产生发动机制动作用)与二挡制动器同时参与工作,1号单向离合器锁止,固定共用太阳轮,因此动力由前排行星架经传动轴输出到主减速器。
6、丰田自动变速器的变矩器都具有锁止功能。
三、丰田新旧款自动变速箱的改进说明:
前面我们已经讲到,丰田汽车主要采用AW公司生产的自动变速箱,而AW公司是世界上较大的汽车自动变速箱专业生产厂家之一,经过多年的发展,其自动变速箱主要有以下几个方面的改进:
1、在电控变速箱问世前,丰田液控自动变速器较少,主要有:A130L、A131L、A132L、A140L等,这种液控变速箱的变矩器都具有锁止功能,主要应用在80年代以前的老款丰田车型上,现在已被淘汰。
2、到1982年,电控自动变速箱最先在丰田公司问世,并应用在
皇冠(参数|图片)轿车上;1983年,丰田A140E电控变速箱紧接着问世,并装在四缸佳美轿车上,它把自动变速箱的发展推上了一个新高点。这款自动变速箱具有非常高的实用价值,直到现在还应用在排量较小的丰田佳美轿车上。
3、对于老款的丰田电控自动变速箱(如:A140E、A340E等),一般只有三个电磁阀,其中一个负责变矩器锁止,另外两个负责变速箱的换挡工作,变速箱的主油压则由一根节气门拉线来调节。
4、在机械构造方面,老款自动变速箱的ATF油与差速器油是分开的,差速器与变速箱主体各有一个通气孔。为便于自动变速箱维修和保养,后期自动变速箱将差速器油改为自动变速箱油,在结构设计上去掉了分隔两种油用的双面油封,并将通气孔连为一体(如图),这就避免了由于双面油封损坏造成两种油混在一起而损坏变速箱的故障。
5、90年代后期的丰田自动变速箱(如:A341E、A541E等),在电控系统方面做出了一些改进,主要是设计了一个EPC电磁阀,对自动变速箱的蓄压器背压进行调节,从而改善了车辆的换挡平顺性。但它对自动变速箱的主油压没有影响,所以这些自动变速箱仍设计有一根节气门拉线来调节主油压。
6、2000年以后的自动变速箱(如:U140F、U540E等),都为全电控自动变速箱。在电控系统方面,不仅设计了一个专门的EPC电磁阀来控制主油压,还设计了一个或多个换挡平顺阀,更好地改善了车辆的换挡平顺性和乘座舒适性。
四、工作元件的正确检测:
1、超速挡离合器的检查:丰田自动变速箱的超速挡离合器在1、2、3挡及倒挡都要参与工作,若出现磨损或烧蚀,在超速挡单向离合器打滑时会造成变速箱没有任何挡位,此维修时应注意检查超速挡离合器的静态油压是否符合标准。对于丰田前驱自动变速箱,其超速挡离合器一般装在变速箱尾部,较易出现离合器鼓泄压现象,维修时还应注意对其动态油压进行检测(有条件时可在总成测试机上进行测试。)
2、超速挡单向离合器的检查:从上述施力装置作用表中可以看出,超速挡单向离合器(如图)负责防止超速行星排中的行星架左转,若损坏后打滑,则它负责的工作改由超速挡离合器负责,变速器上所有的挡都还有,但因为超速挡离合器大部分只有2~3张摩擦片(个别的只有1张摩擦片),当车辆负荷急剧增加时(如:起步和急加速时),会出现超速挡离合器轻微打滑,若不及时更换超速挡单向离合器,会造成超速挡离合器连续烧蚀的现象。所以在维修丰田自动变速箱时,应注意检查超速挡单向离合器是否打滑,可先观察其磨损的状况,若磨损严重,应直接更换;若未发现明显磨损,也应进行加负荷的测试和检查。
3、电磁阀的检查:丰田电控自动变速箱一般有3~5个电磁阀,其中直径比较小的两个是换挡电磁阀,负责“D”位上的4个前进挡,直径比较大的是EPC和TCC电磁阀,分别负责油压调节和变矩器的锁止工作。换挡电磁阀一般都是常闭式通断电磁阀,阻值为12.5Ω左右,可采用12V电压直接进行动作测试;EPC和TCC电磁阀一般为脉冲电磁阀,其阻值约为5Ω,不能直接用12V电压进行动作测试,否则可能烧坏电磁阀,维修时可采用串接一个灯泡或一个阻值较小的电阻等方式进行动作测试。
五、丰田自动变速箱维修常见故障分析
1、车辆没有前进挡或倒挡
在丰田自动变速箱维修中,车辆出现没有前进挡或倒挡时比较容易确定故障原因,可先通过基本检查排除油泵、油压、液力变矩器等产生故障的可能。通过检测分析如果判定为变速器内部机械元件故障,则需要拆解自动变速器总成,在拆卸前应先分析一下可能的故障原因,下面以A340E为例进行说明。
前进挡不能行驶的可能原因是:超速挡离合器、超速挡单向离合器或前进挡离合器工作不正常;倒挡不能行驶的可能原因是:超速挡离合器、超速挡单向离合器、低倒挡制动器或直接挡离合器工作不正常。
一般离合器损坏常见的原因有:
A、离合器摩擦片烧蚀或脱落;
B、活塞密封圈或活塞损坏;
C、离合器壳体损坏泄压;
D、输入轴油道堵塞。
这些故障在拆下自动变速箱后进行解体检查,很容易发现变速箱的故障部位,大家在维修过程中根据实际需要进行更换或维修就可以了。值得注意的是:对于烧片的自动变速箱维修,大家应仔细检查、分析烧片的原因,特别应对离合器的油道(包括阀体、轴和壳体上的油道)及变速箱散热器进行分析、观察和清洗,以排除造成离合器片烧蚀的根本原因,防止更换摩擦片后再次出现烧片。
2、冷车进挡冲击
丰田自动变速箱出现进挡冲击的故障现象比较常见,一般都是由于油压调节故障造成,特别是冷车时出现进挡冲击的机率较大。
案例1:一辆1993年产丰田LS400轿车,搭载A341E自动变速器,行驶里程19.2万公里。该车因不走车在一家维修厂进行了自动变速箱维修,维修后出现冷车时,尤其是早晨第一次起动车,将换挡杆挂入D挡,自动变速器迟滞时间过长,然后内部发出异常的撞击声,车辆才可起步行驶。热车挂挡起步时,自动变速箱接合正常,无撞击声。
虽然进行自动变速箱维修大修,检查还应从基础开始,首先检查自动变速箱油面及油质都正常,检查节气门接线调整也正常。对自动变速箱进行控制单元诊断,结果无故障码输出,由此分析可能的故障原因有以下几种情况:
(1)、自动变速箱离合器间隙过大,冷车时自动变速箱油的粘度大,离合器接合时间延长,造成进挡冲击大;
(2)、储压器故障,储压器的作用是使离合器接合时动作柔和,损坏后也能造成挂挡冲击;
(3)、阀体故障。换挡阀、调节阀、转换阀等阀组发卡,冷车时自动变速箱油的粘度大,滑阀动作迟缓,造成冲击。
本着从简到繁的维修原则,先就车将阀体拆下解体,仔细观察发现内部较脏(原修理厂未解体清洗),其中两个滑阀及滑孔有轻微拉伤痕迹(如上图),分析其在冷车时有卡滞现象。将拉伤的滑阀沾着自动变速器油在阀孔内进行轻轻研磨,使其动作顺畅,再清洗干净后装配试车,故障排除
3、热车后行驶无力
案例2:一辆丰田皇冠3.0型轿车,搭载A340E自动变速箱,行驶里程26万公里,该车冷车时动力尚可,热车时行驶无力,一个小台阶都要加很大的油门才能爬上。在起步时,也要加大油门,才可慢慢起步。
从故障现象上分析,故障应由液压油泄漏引起。为进一步判断故障,可通过对自动变速箱做失速、液压等试验来确定具体的故障部位,具体操作如下:
起动发动机,让车辆上路运行,待发动机达到正常工作温度,自动变速箱油温达到70~80℃后,检查自动变速箱油面正常,调整发动机怠速转速约为800r/min;拉紧手制动器,并用垫木垫住4个车轮。
(1)、失速试验:左脚踩住制动踏板,起动发动机,将自动变速箱操纵杆挂入D挡,然后用右脚将油门快速踏到底(不能超过5秒),读取发动机转速。标准值为2350±150r/min,而该车却达到2800r/min;同样,试验R挡的失速转速也为2800r/min。D、R挡的失速转速均比标准值高的原因可判定为自动变速箱管路压力过低,或O/D单向离合器故障。
(2)、液压试验:将油压表接到自动变速器主油道测试孔上,起动发动机,分别记录下D、R挡在怠速和失速时的油压值如下表:

从以上液压试验测量值可知,该车实测油压均比标准油压低。根据失速试验和液压试验的结果,结合车辆道路试验的实际情况,可初步判定该车变速器油泵存在泄压故障。将变速器抬下,首先测量检查油泵的各个间隙,发现油泵的体隙和齿隙均较大,但未超出使用极限,但油泵齿的端隙(如上图)达到了0.40mm,而标准值为0.05~0.20mm,极限间隙为0.30mm,因此端隙已超过了其使用极限,这样就可确定故障是由油泵磨损引起的。当车辆在冷车时,由于自动变速箱油的粘度大、泄漏少,油泵产生的工作油压尚能满足要求,但热车后自动变速箱油的粘度变小、泄漏增加,油泵产生的工作油压降低,因而出现行驶无力现象。更换油泵后,故障排除。
4、解体维修后在D挡和2挡时不走车,手动1挡正常
出现这种故障现象,多数是由于人为装配错误故障造成。
案例3:一辆丰田佳美3.0轿车,装用A540E自动变速器,行驶里程为12.7万公里。该车因低倒挡制动器摩擦片烧蚀后无倒挡,在某维修厂进行了大修后,倒挡正常,但又出现了D挡和2挡时不走车的故障。
因该车在维修前无倒挡但有前进挡,经维修后故障刚好相反,出现了有倒挡而无前进挡的故障,因此可判定故障出在变速器内部控制执行元件与传动机构装配错误。解体检查变速箱,发现2号单向离合器的方向恰好装反了(光面应朝前装配,如上图)。将2号单向离合器重新安装好,故障排除。
5、热车后有时无挡
案例4:一辆凌志LS400轿车,装备了丰田A341E自动变速器,行驶里程为32.5万公里。该车检修发动机后,连续行驶了大约4小时后突然出现加速时发动机空转,无驱动车轮的感觉。
将汽车拖回厂后试车,车辆又能行驶,检查变速箱油时发现油位偏低,加足油后试车,发现换挡情况和传动情况都没有多大问题,经过几个小时的连续行驶,均未出现无挡情况,用户只好将车开走,但第三天又出现行驶中无挡现象,当维修人员赶到现场时(大约间隔1.5小时)又有挡了,且能正常行驶。据驾驶员反应,在行驶中突然出现滑挡的 车靠边停下,挂入任何行驶挡位均无驱动反应。
因为能够行驶时,各挡位接合及换挡情况都良好,故可排除变速器内部出现机械故障的可能性。提取自诊断系统故障代码,无故障码存贮。于是分析故障应在液压控制系统的一些重要阀上(如:安全阀、主油路压力调节阀等)存在偶尔发卡现象,因此决定拆下阀体进行清洗检查。在放油时发现变速器油已经变质,拆开油底壳,发现油底壳内已有较多的油泥、杂质等,滤清器内也覆盖了很多杂质。解体清洗并研磨滑阀,使其运动灵活,然后更换滤清器后装车路试,再无上述故障现象发生。
故障总结:长时间没有更换自动变速器油及滤清器,在汽车连续行驶后,变速器内部温度升高,使得阀体壁与滑阀之间的配合间隙发生变化。另外,在高速行驶时发动机转速较高,相应地油泵转子转动的速度也较高,在吸油口处产生的吸力也就很大,一些较细颗粒状杂质难免被吸入油泵而进入液压控制系统,并极可能造成滑阀卡滞现象。在停一段时间后变速器冷却下来,卡滞部位的间隙正常了,重新起动发动机时突然建立的油压会对滑阀产生冲击作用,这样卡滞的阀又能活动,因此汽车又能正常行驶一段时间。
六、特殊故障分析
案例5:一辆丰田LS400轿车,搭载A342E自动变速器,在一家修理厂更换了曲轴后油封,车辆出现了上坡时动力不足的现象。
从故障现象上分析,修理厂只更换了曲轴后油封,并没有对变速箱进行解体,怎么会造成车辆动力不足呢?考虑到车辆在更换了曲轴后油封时,拆装过自动变速器,可能是由于自动变速器上的线路、插接头或电磁阀、传感器等受到了损伤。因此,首先应查询自动变速器控制单元的故障存贮,打开点火开关,超速挡O/D开关置于接通位置,将诊断插座中的TE1和E1端子短接,从仪表上的O/D OFF灯读取变速器故障码为64,含义为3号电磁阀电路短路或断路故障,此电磁阀为线性脉冲式电磁阀,用于操纵锁止离合器的分离和接合。检查3号电磁阀线束无断、折处,再检查电磁阀插接器,发现插接器的锁销已断裂,插接头松动,将插接头拔下,用万用表测量电磁阀线圈的电阻为3.6Ω,符合标准,由此说明3号电磁阀本身没有损坏。将电磁阀插接器重新插牢,并用胶带固定,试车故障彻底排除。
故障总结:由于电磁阀插接器松动,引起3号电磁阀接触不良,从而造成上述故障现象,若插接器严重松动,其它几个电磁阀也会发生故障,故障现象也就不同。在实际维修过程中,我们经常发现一些维修人员将电磁阀插接器锁销损坏后,不进行任何处理,这样在插接器松动时易造成车辆各种故障,特别是有些插接头时紧时松,故障时隐时现,会给诊断造成很大麻烦,所以在维修时一定要注意这些问题。
七、维修装配注意事项
1、 丰田公司生产的后驱自动变速器,超速挡制动器的油缸是高速挡/倒挡离合器的支撑,由两根螺栓与变速箱壳体相连接,而这两根螺栓在油路阀体的下方。因此,只有先拆开油底壳和阀体,才能拆下超速制动器油缸的固定螺栓,这样才能顺利将其拆出。
2、变速器输出轴与复合行星排的后行星架之间有一卡簧,拆下该卡簧,才能顺利拆下最里端的低速挡/倒挡制动器。
3、丰田公司A340系列的全部自动变速器,二挡制动器活塞油缸的卡簧是带倒角的(即为锥形卡簧,如图),装配时有倒角的一面应朝前(油泵方向),一旦卡簧被装反,会因其无法完全入位,顶住工作活塞而使该制动器失效(该卡簧一旦装反,拆卸时会十分费劲)。
4、负责二挡的1号单向离合器凹槽深的一面应朝向二挡制动器活塞,一旦装反或打滑,将造成变速箱在“D”位上不能升挡。
5、另外,对于丰田公司生产的所有前驱自动变速器,装配时需注意2号单向离合器支承毂的光面(加工面)朝前(油泵方向),粗糙面(未加工面)朝后。该单向离合器从施力装置工作表上看只负责一挡,但装反后,除了手动一挡和倒挡外,其余各挡均变成了空挡,从而造成车辆在“D”位上无法行驶。
八、维修方法总结
1、从以上故障实例和上期我们分析的动力传动路线可知,丰田自动变速箱的超速挡离合器除在超速挡不参与工作外,其它各挡都要参与工作,因而当车辆出现无前进挡或倒挡时,超速挡离合器损坏的可能性较大,因此在维修时应重点检查超速挡离合器及其油路。
2、丰田自动变速箱的阀体内一般采用小钢球(如图)作为节流阀,维修工在拆解、清洗阀体时若不小心,很容易出现钢球错装或少装的现象。为了防止拆卸时钢球散落,可在分解上下阀体时将隔板与上侧阀体一同提起,钢隔板下面的钢球则留在下侧阀体内;再将上侧阀体连同钢隔板一同反转,使隔板朝上,然后再拿掉隔板,这样可使隔板上下两侧的小钢球都落入原油路中,不会散落而引起装配错误。
3、在丰田自动变速器中,一般都装有3个单向离合器,对初学者来说,很容易出现装错或装反的现象,为防止单向离合器装反有以下两种辨别方法:
(1)、记号识别法:在前驱变速箱的2号单向离合器外圈体两侧,一般都有光洁面和粗糙面之分,在没有拆卸单向离合器支架及卡块的情况下,光洁面应朝向变速器的前方(油泵方向),即装配时面向装配者;
(2)、转动方向分析法:在装好单向离合器及后排太阳轮后,用力转动太阳轮传动轴,顺时针传动应很轻松灵活,逆时针传动应有较大阻力,否则单向离合器已装反。
东莞潇洒职业培训学校开设课程有:数控编程培训、塑胶模具设计培训,冲压模具设计培训,精雕、ZBrush圆雕培训、Solidworks产品设计培训、pro/E产品设计培训、AutoformR7工艺分析培训,潇洒职业培训学校线下、线上网络学习方式,随到随学,上班学习两不误,欢迎免费试学!联系电话:13018639977
联系电话:13018639977(微信同号)QQ:2033825601
学习地址:东莞市横沥镇新城工业区兴业路121号-潇洒职业培训学校
1;所有标注为智造资料网zl.fbzzw.cn的内容均为本站所有,版权均属本站所有,若您需要引用、转载,必须注明来源及原文链接即可,如涉及大面积转载,请来信告知,获取《授权协议》。
2;本网站图片,文字之类版权申明,因为网站可以由注册用户自行上传图片或文字,本网站无法鉴别所上传图片或文字的知识版权,如果侵犯,请及时通知我们,本网站将在第一时间及时删除,相关侵权责任均由相应上传用户自行承担。
[complaint:内容投诉]
智造资料网打造智能制造3D图纸下载,在线视频,软件下载,在线问答综合平台 » 汽车电控自动变速器(丰田A540E前驱)解剖运行台

