为了便于技术交流,国家技术监督局发布了国家标准《技术制图》和《机械制图》,它对图样的内容、格式、尺寸标注和表达方法都做了统一规定。今年又参照了国际标准(ISO)再次进行修订,使之更加完善、合理和便于国际间的技术交流和贸易往来。因此绘图时必须严格遵守这些规定。本节主要介绍制图标准中图线以及尺寸标注的有关规定。
1.1图线及其画法
在绘制图形时,不同部位的轮廓线应采用不同类型的图线进行表示。国家标准(GB/T17540—1998)规定了15种基本线型的变形,绘制图样时,应采用标准中规定的图线。机械图样中常用的线型名称、形式、图线及其应用见表1-1所示。表1-1 线型名称、形式、宽度及应用
图线名称 | 图线形式、图线宽度 | 一般应用 |
粗实线 |
宽度:d≈0.5~2mm | 可见轮廓线、可见过渡线 |
细实线 |
宽度:d/4 | 尺寸线、尺寸界限、剖面线、重合断面的轮廓线、辅助线、引出线、螺纹牙底线及齿轮的齿根线 |
细虚线 |
宽度:d/4 | 不可见轮廓线、不可见过渡线 |
细点画线 |
宽度:d/4 | 轴线、对称中心线、轨迹线、节圆及节线 |
细双点画线 |
宽度:d/4 | 极限位置的轮廓线、相邻辅助零件的轮廓线、假想投影轮廓线的中断线 |
|
|
|
续表
图线名称 | 图线形式、图线宽度 | 一般应用 |
波浪线 |
宽度:d/4 | 机件断裂处的边界线、视图与局部视图的分界线 |
细双折线 |
宽度:d/4 | 断裂处的分界线 |
粗点化线 |
宽度:d | 有特殊要求的线或表面的表示线 |
|
|
|
绘制图样时需要注意:同一图样中同类图线的宽度应基本一致;两条平行线之间的距离不应小于粗实线宽度的2倍;绘制圆形的中心线时,圆心处应为线段的交点,而不应在短画或间断处相交;当虚线与虚线相交时,应画成短画于短画相交。
1.2 尺寸标注
图形只能表示机件的形状,而机件上各部分大小和相对位置,则必须由图上所注的尺寸来确定。所以图样中的尺寸是加工机件的依据。标注尺寸时,必须认真细致,尽量避免遗漏或错误,否则将会给生产带来困难和损失。
机械图中的尺寸由尺寸界线、尺寸线、箭头和尺寸数字组成。为了将图样中的尺寸标注得清晰、正确,需要注意:机件的真实大小以图样所注的尺寸数字为依据,与图形的大小及绘图的准确度无关,如图1-1所示。图样中的尺寸以mm为单位时,不需标注计量单位的代号或名称,如采用其他单位,则必须注明相应计量单位的代号或名称;图样中所注的尺寸为该机件的最后完工尺寸,否则应另加说明;机件的每一尺寸一般只标注一次,并标注在反映该结构最清晰的图形上。
1.3 平面图形的分析和画法
机件的轮廓形状是由一些直线和圆弧组成的几何图形。本节将介绍如何应用几何图形的知识画出机械零件轮廓的平面图形。平面图形是由集合图形和一些线段组成的图形,要正确画出平面图形,首先要对图形进行尺寸分析和线段分析,
1.3.1 尺寸分析
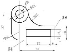
平面图形所注的尺寸,一般按作用可分为定形尺寸和定位尺寸,定形尺寸是确定图形中各组成部分的形状和大小的尺寸,定位尺寸是用以确定平面图形中各组成部分之间相对位置的尺寸。如图1-2中的直线段长度尺寸35、10、20,圆的直径尺寸F12、Φ24,圆弧半径R12、R22,即是定形尺寸;37和50是以底面和右侧面为基准,确定F24圆心位置的尺寸,5和6是确定长35和高10的矩形位置的尺寸。
在标注定位尺寸时需要注意,定位尺寸应以尺寸基准作为标注尺寸的起点,并且一个平面图形应有两个方向的尺寸基准(水平方向和竖直方向),通常是以图形的对称轴线,大直径圆的中心线和主要轮廓线作为尺寸基准。
1.3.2 线段分析
平面图形的线段(直线、圆和圆弧)按线段尺寸是否齐全可分为已知线段、中间线段和连接线段。已知线段就是定形尺寸和定位尺寸全部给出的线段;中间线段就是已知定形尺寸和一个方向的定位尺寸,需要根据边界条件用连接关系才能画出的线段;连接线段是只给出了定形尺寸而未标注定位尺寸的线段,如图1-3所示的手柄零件图形中,20、15、5、10、15为已知线段,R50为中间线段,R12为连接线段。

图1-2 尺寸分析 图1-3 手柄的线段分析
在画图时,首先应根据图形的尺寸分析、线段分析和确定基准,依次画出已知线、中间线和连接线,然后校核底稿并标注尺寸,最后整理图形,加深图线,即可完成图形的绘制。
1.4 平面投影
由初等几何学可知,不在同一条直线的三个点确定一平面。空间平面可以是三边形、多边形、圆等任意平面图形。平面多边形的投影可以根据点、线段的投影方法确定。如平面多边形的投影一般是先作出多边形各顶点的投影,然后同面投影相邻的点依次连线,即为平面多边形的投影。
1.4.1 平面投影特性
空间平面对投影面的相对位置可分为投影面的垂直面、投影面的平行面和投影面的倾斜面。其中投影面的垂直面和投影面的平行面统称为特殊位置平面,投影面的倾斜面为一般位置平面。
垂直于一个投影面,倾斜于另外两投影面的平面称为投影面的垂直面。此类平面的投影特性为:一个投影积聚为倾斜的直线,另两个投影为该平面的类似形,如图1-4所示。
平行于一个投影面的平面称为投影面的平行面。此类平面的投影特性为:投影面平行面在它所平行的投影面上的投影反映真形,另外两投影积聚为线段,且分别平行于相应的投影轴,如图1-5所示。
对三个投影面都倾斜的平面,称为一般位置平面。此类平面的三个投影均为类似线框,不反映平面的真实形状。在读图时,只要两个投影为类似形,就可以断定该平面为一般位置平面,如图1-6所示。
1.4.2 特殊位置圆的投影
特殊位置圆可分为与投影面平行的圆,以及与投影面垂直的圆。当圆平行于某一投影面时,圆在该投影面上的投影仍为圆,其余两投影均集聚为直线,其长度等于直径,且平行于相应的投影轴;当圆与投影面垂直时,圆在所垂直的投影面上的投影集聚为直线,直线的长度为圆的直径,其余两投影均为椭圆,如图1-7所示。

图1-6 一般位置平面的投影 图1-7 圆平行于投影面的投影
1.5 立体表面的截交线
有些机械零件为满足其设计功用及加工工艺要求,常需要将构成零件的基本几何体截切,这就产生肋平面与立体相交的问题。由于立体的种类不同,截平面与立体的位置不同。其截交线的形状也有所不同,但是,任何截交线都具有以下两个基本特性:截交线是截平面与立体表面的共有线,截交线上的点是截平面与立体表面上的共有点;截断面是封闭的平面图形。
1.5.1 平面立体表面的截交线
由于平面立体表面由平面围成,立体表面上的棱线为直线,所以截平面与平面立体相交所得的截交线形状是平面多边形。其多边形的定点是平面立体上棱线与截平面的交点;多边形的边是平面立体上表面与截平面的交线。由此可见,求平面立体表面的截交线,可先求出截断面中各顶点的投影,再按相邻点的顺序依次连线,即可做出多边形的投影。
由于正棱柱的各表面及棱线的投影具有积聚性,所以棱柱表面的截交线在有积聚性的投影中可直接确定,如图1-8所示。
由于棱锥表面的投影可能具有集聚性,可能不具有集聚性。因此,对投影不具有积聚性的表面其截交线必须通过作图得出,如 图1-9所示。
图1-8 正六棱柱表面的截交线
1.5.2 回转体表面的截交线
截平面与回转体截交,其截交线一般是封闭的平面曲线,可能是由曲线与直线所围成的平面图形或多边形。求作回转体表面截交线时,要根据回转体的投影特性和截平面相对回转体的相对位置,初步确定截断面的形状,然后决定作图方法作出截交线,如图1-10所示。

图1-9 棱锥表面的截交线 图1-10 回转体表面的截交线
由上图可以看出,回转体表面截交线的性质是,截交线是截平面与回转体表面的公共线,并且截交线上的点是截平面与回转体表面的公共点。为了作图方便,可以根据这一性质用集聚法和公共点法求出截交线的投影。
1.6 立体表面的相贯线
机械零件的形状往往是由两个以上的基本立体,通过不同的方式组合而形成的。组合时会产生两立体相交的情况,两立体相交称为两立体相贯,其表面形成的交线称为相贯线。
1.6.1 相贯线的基本性质
两立体相交时,相贯线的形状受相贯两立体的形状、大小和相对位置的影响而不同,如图1-11所示是平面立体与曲面立体相贯时的三种情况。
图1-11 相贯线
从上图可以看出,相贯线具有两个基本性质,即相贯线是两立体表面的共有线,也是两立体的分界线,并且相贯线上的点是两立体表面的共有点;相贯线一般是封闭的空间曲线,特殊情况为平面曲线或直线,也可能不封闭。
1.6.2 平面立体和回转体相贯的相贯线
由于平面立体的各表面为平面,因此平面立体中的某一表面与回转体表面的交线实际上是部分截交线,两部分截交线的交点成为几何点,它是平面立体的棱线对回转面的贯穿点。因此,求平面立体与回转体的相贯线,可归结为求截交线和贯穿点的问题。如图1-12所示是已知三棱柱与圆锥体相贯,求作其相贯线的投影步骤。
图1-12 三棱柱与圆锥体相贯线的画法
1.7 读图
在机械制图中,图样总的来说可以分为零件图和装配图两大类。在读此类图样时,首先要了解不同图样所要表达的不同目的,然后根据图样中的基本图形、尺寸标注、标题栏以及技术说明等内容,对图样中表达的零部件或机器的具体形状、大小、用途以及结构特点等,做细致的分析。
1.7.1 读零件图
阅读零件图的目的是根据零件图分析视图、分析尺寸、想象出零件的结构形状和大小,了解零件的各项技术要求,以便根据零件的特点在制造时采用适当的加工方法和检验手段来达到产品的质量要求;或者进一步研究零件结构的合理性,求得改进和创新。
读图时,首先分析形体,弄清结构形状,还要了解零件图的作用,根据零件常见的结构、工艺知识,进一步全面地分析结构,分析工艺,加深对零件图的理解。一般可分为读标题栏、分析视图想象零件空间形状、分析尺寸了解技术要求,以及综合归纳4个步骤。
1.7.2 读装配图和拆画零件图
表达机器或部件的连接、装配关系的图样,称为装配图。装配图和零件图的表达方法虽有许多相同之处,但因两种图样的要求不同,所以表达的侧重面也不同。装配图主要表达机器或部件的工作原理、各组成零件的装配关系,它是将制造出来的零件装配成机器的主要依据。
读装配图的目的是从装配图上了解机器或部件的用途、性能和工作原理,各组成零件之间的装配关系和技术要求,还要了解零件在机器中的作用,想象出它们的基本形体结构。在读装配图时,一般可分为概括了解机器或部件的用途、大小等基本特点,分析传动关系即工作原理,分析零件的装配关系,对部件的结构分析,分析零件,想象各零件的结构形状,读懂技术要求以及综合归纳几个步骤。
需要注意的是,上述读图方法和步骤仅是概括说明,在实际的读图过程中,几个步骤不能截然分开,而是交替进行,灵活掌握。
在设计部件时,需要根据装配图拆画零件图,简称简图。在拆画零件图时,首先从装配图中分出要拆画零件的视图轮廓,从装配图中拆去其他零件后,该零件上的一些原来被其他零件挡住的轮廓变为可见,应补全这些线段。然后根据该零件视图的表达要求绘制出所需的基本视图,并在检查后加深图形,最后标注尺寸与技术要求,填写标题栏,即可完成拆画零件图的任务,如图1-13所示。
图1-13 拆画零件图
1;所有标注为智造资料网zl.fbzzw.cn的内容均为本站所有,版权均属本站所有,若您需要引用、转载,必须注明来源及原文链接即可,如涉及大面积转载,请来信告知,获取《授权协议》。
2;本网站图片,文字之类版权申明,因为网站可以由注册用户自行上传图片或文字,本网站无法鉴别所上传图片或文字的知识版权,如果侵犯,请及时通知我们,本网站将在第一时间及时删除,相关侵权责任均由相应上传用户自行承担。
[complaint:内容投诉]
智造资料网打造智能制造3D图纸下载,在线视频,软件下载,在线问答综合平台 » 机械制图基本要求(图文教程)

