頂出系統
制品在模具中冷卻固化之后,需切實可靠將其從模具中推頂出來,這一機構稱之為頂出系統.同時必須保証,当模具閉合時,它不會與模具其它零部件發生干涉,并回到初始位置,以便開始下一循环。
1.1 頂出系統設計要点
1.1.1一般要求使頂出制品脫離模具5~10mm,如圖所示,對於大型深腔桶類制品而言,也可使頂出行程為制品深度的2/3,如圖。当产品上有骨位、柱位等结构时,一定要使其完全脱出模具。


1.1.2 頂出位置
正確的頂出位置,應設在制品脫模困難的地方,制品的骨位﹑柱位以及對內模有包緊力的地方均應考慮設置頂出機構.同時還應考慮頂出機構應設置在不影響制品外觀的部位,并且不能與其它零件 (如撐頭﹑螺絲等)發生干涉。
1.1.3設計中盡量選用大的頂針,大模不用小頂針,特別是要盡可能地避免采用3/64"的有托頂針.当在产品有相互配合的地方设置顶针时,顶针应高出后模面0.5MM。
1.1.4設置頂出機構時,應注意頂出产品的均衡性.
1.2 頂出機構的基本方式
頂出機構的基本方式有:圓頂針﹑扁頂針﹑司筒﹑直頂﹑推板等 .
1.2.1圓頂針分為單托和雙托兩種,
1) 頂針與公模的配合長度一般為2~3倍頂針直徑,但不能小於8,常用值為20mm,

如圖5-1
當d≦3mm D=d+0.6
當d>3mm D=d+1
2)当产品弧面上設置頂針時﹐為防止頂針頂出時滑動﹐需在頂針端面開“十”形防滑槽﹐槽深0.5mm.。
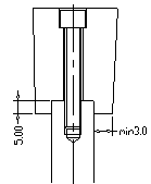
3)頂針與周邊零件的位置關系。頂針邊與骨位﹑鑲件的最小距離為2.0mm,與产品边﹑水道最小距離為3.0mm。.
4)当产品中柱位孔為前模碰穿方式,其下放置頂針時,處理方式如圖:

5)頂針的管位.當頂針位于圓弧面或者当顶针和司筒受胶位方向限制時,往往要設置管位裝置,管位方式有下列三種:

見圖,其中圖a為設置管位釘,較常用;圖b為加一管位塊;圖c為將頂針頭部加工為直邊,此方式較常用于大頂針的場合。
6)鏡類产品不允許产品上有頂出痕跡,常采用垃圾釘頂出,产品有扣時,頂針邊距产品邊2mm,無扣時為3mm,如圖:

7)有時,將頂針頂端加工成”z”形頭,達到制品留后模的目的,此時應保証,使”z”形頭方向一致。
8)当在流道上設置頂針時,要避免犯如下圖所示的錯誤,
圖a為鏡類产品,中間的頂針應取消。
圖b為鈕仔,并非要在每一澆道交叉處設置頂針,相隔太近則取消。
圖c為CD23C开关柱套钮模,1出16,当产品間距較小時,其第二分流道或第三分流道的頂針可取消。
圖d為潛水頂針設置,要保証8的尺寸。

1.2.2 司筒
1) 当产品帶有空心支柱的結構,且其高度较高,要求采用司筒頂出.柱位與司筒的匹配關系見表:
序號 | 柱外徑 | 柱內徑 | 司筒 | 司筒針 |
1 | ø3.0 | Ø1.1 | Ø3.175 | Ø1.2 |
2 | ø3.5 | Ø1.4 | Ø3.57 | Ø1.59 |
3 | ø4.0 | ø1.6 | Ø3.97 | Ø1.7 |
4 | ø5.0 | ø2.1 | Ø5.16 | Ø2.2 |
5 | 6.5 | ø2.5 | ø6.35 | ø2.6 |
当产品上存在裝防震膠的柱時,采用ø3/16”+ø1.7的司筒.若選用第5種規格的司筒,其司筒針為有托頂針,其規格見圖.3040以下模胚選用a類司筒針,3040以上模胚選用b類司筒針.如圖:

下單時的書寫格式為:
ø1/4”x司筒長x ø3.5x30x ø2.6xL
ø 1/4”x司筒長x ø3.5x50x ø2.6xL
CD座行位上需设司筒的,司筒规格统一为:
ø6.35x司筒長x ø1/8”x司筒针长
考虑换针的方便。

2) 司筒針一般采用無頭螺絲固定,但当多支司筒針相距很近時,采用壓塊与杯頭螺絲固定。
3) 鈕仔的固定用孔一般采用司筒頂出,并且一律采用ø3.57xø1.59的标准司筒,当不能用到標准司筒時,應保証孔的尺寸不變,適当加大外圓的尺寸,以選用標准司筒,其司筒針與前模的配合關系見圖:

4) 司筒應避開頂棍孔,19安或以上模具,可取消中間頂棍孔。
1.2.3扁頂針
當制品上有較深的骨位時,采用扁頂針頂出是切實有效的方法.但其加工困難,因此,模具型芯常采用鑲拼結構﹐例如手挽。見圖:
扁頂針的規格見附表4-2.3。

1.2.4 直頂
1) 直頂有兩種結構形式:原身直頂和推塊+頂針。
2) 直頂與产品完全貼合的一面做1°斜度,其余三面做3°斜度。
3) 當后模原身出時,直頂邊與产品膠位內側距離為0.3~0.5,当后模鑲鈳時,直頂邊緊貼鑲鈳邊.如圖:

4) 原身直頂采用T座与杯頭螺絲固定,其與后模的配合關系見如圖:

5) 当采用推塊十頂針的結構時,其位置關系見圖,推块四面斜度,靠近胶位一侧1°,其余三面3°。
1.2.5 推板
對輪廓封閉,周長較長,并且其內外表面均不允許有頂出痕跡的制品,或者当产品过深,又没有足够的位置放置足够的顶针时,常采用推板推出結構。其基本結構見圖:



1.3 先复位機構
1.3.1為了保証当模具閉合時,頂出系統能回到初始位置,以便開始下一個循环,必須設置先復位裝置,一般模具通常情況下采用彈簧復位。
1)彈簧長度計算:
彈簧總長=頂出高度x3.
彈簧空間=彈簧總長x80%(按預壓20%算).
当彈簧空間長度達到150mm,彈簧內要加一支扶針,如圖示:

2)復位彈簧統一選用公制黄彈簧,其常用規格有:ø 25﹑ø30﹑ø35﹑ø50﹑ø60。
3)彈簧孔大小,其尺寸標注如圖﹕

D=d+2. (d為彈簧外徑)
標注孔深H時﹐以頂点標注。
模胚宽度250以下,一般选用两根弹弓,宽度250的模胚,根据产品外形面积大小选择2根或4根弹弓。宽度超过250选用4根或以上的弹弓。确定弹弓位置需注意:
弹弓孔与模胚边最最小距离为15.0mm,与回针的最小距离为10MM,同时,弹弓孔不得与吊环孔螺丝等干涉。
否则,需调整。
当行位下有直頂﹐頂針等頂出機構時﹐為防止在合模過程中發生碰撞﹐損壞模具,應設置先復位機構﹐先復位機構的基本結構見圖﹕

N95口罩耳带机、N95切片加内置鼻梁一体机、N95口罩机整套现货,预订电话:13018639977
CNC数控编程培训、塑胶模具设计培训,冲压模具设计培训,精雕、ZBrush圆雕培训、Solidworks产品设计培训、pro/E产品设计培训,潇洒职业培训学校线下、线上网络学习方式,随到随学,上班学习两不误,欢迎免费试学!
联系电话:13018639977(微信同号)QQ:2033825601
学习地址:东莞市横沥镇新城工业区兴业路121号-潇洒职业培训学校
1;所有标注为智造资料网zl.fbzzw.cn的内容均为本站所有,版权均属本站所有,若您需要引用、转载,必须注明来源及原文链接即可,如涉及大面积转载,请来信告知,获取《授权协议》。
2;本网站图片,文字之类版权申明,因为网站可以由注册用户自行上传图片或文字,本网站无法鉴别所上传图片或文字的知识版权,如果侵犯,请及时通知我们,本网站将在第一时间及时删除,相关侵权责任均由相应上传用户自行承担。
[complaint:内容投诉]
智造资料网打造智能制造3D图纸下载,在线视频,软件下载,在线问答综合平台 » 塑胶模具设计顶出系统的设计方法

