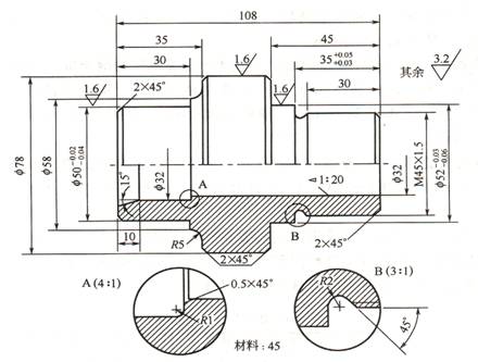
如图30为典型轴套类零件,该零件材料为45钢,无热处理和硬度要求,试对该零件进行数控车削工艺分析(单件小批量生产)。
(1)零件图工艺分析
该零件表面由内外圆柱面、内圆锥面、顺圆弧、逆圆弧及外螺纹等表面组成,其中多个直径尺寸与轴向尺寸有较高的尺寸精度和表面粗糙度要求。零件图尺寸标注完整,符合数控加工尺寸标注要求;轮廓描述清楚完整;零件材料为45钢,加工切削性能较好,无热处理和硬度要求。
通过上述分析,采用以下几点工艺措施。
①对图样上带公差的尺寸,因公差值较小,故编程时不必取平均值,而取基本尺寸即可。
②左右端面均为多个尺寸的设计基准,相应工序加工前,应该先将左右端面车出来。
③内孔尺寸较小,镗1:20锥孔与镗φ32孔及150锥面时需掉头装夹。
图30 轴承套零件 |
(2)选择设备
根据被加工零件的外形和材料等条件,选用CJK6240数控车床。
(3)确定零件的定位基准和装夹方式
①内孔加工
定位基准:内孔加工时以外圆定位;
装夹方式:用三爪自动定心卡盘夹紧。
②外轮廓加工
定位基准:确定零件轴线为定位基准;
装夹方式:加工外轮廓时,为保证一次安装加工出全部外轮廓,需要设一圆锥心轴装置(见图31双点划线部分),用三爪卡盘夹持心轴左端,心轴右端留有中心孔并用尾座顶尖顶紧以提高工艺系统的刚性。
(4)确定加工顺序及进给路线
加工顺序的确定按由内到外、由粗到精、由近到远的原则确定,在一次装夹中尽可能加工出较多的工件表面。结合本零件的结构特征,可先加工内孔各表面,然后加工外轮廓表面。由于该零件为单件小批量生产,走刀路线设计不必考虑最短进给路线或最短空行程路线,外轮廓表面车削走刀路线可沿零件轮廓顺序进行(见图32)。
(5)刀具选择
将所选定的刀具参数填入表11轴承套数控加工刀具卡片中,以便于编程和操作管理。注意:车削外轮廓时,为防止副后刀面与工件表面发生干涉,应选择较大的副偏角,必要时可作图检验。本例中选κ
=55
。
| |
图31 外轮廓车削装夹方案 | 图32 外轮廓加工走刀路线 |
表11 轴承套数控加工刀具卡片
产品名称或代号 | ××× | 零件名称 | 轴承套 | 零件图号 | ××× | ||||||||||
序号 | 刀具号 | 刀具规格名称 | 数量 | 加工表面 | 备注 | ||||||||||
1 | T01 | 450硬质合金端面车刀 | 1 | 车端面 |
| ||||||||||
2 | T02 | φ5㎜中心钻 | 1 | 钻φ5㎜中心孔 |
| ||||||||||
3 | T03 | φ26㎜钻头 | 1 | 钻底孔 |
| ||||||||||
4 | T04 | 镗刀 | 1 | 镗内孔各表面 |
| ||||||||||
5 | T05 | 930右手偏刀 | 1 | 从右至左车外表面 |
| ||||||||||
6 | T06 | 930左手偏刀 | 1 | 从左至右车外表面 |
| ||||||||||
7 | T07 | 600外螺纹车刀 | 1 | 车M45螺纹 |
| ||||||||||
编制 | ××× | 审核 | ××× | 批准 | ××× | 年 月 日 | 共 页 | 第 页 | |||||||
(6)切削用量选择
根据被加工表面质量要求、刀具材料和工件材料,参考切削用量手册或有关资料选取切削速度与每转进给量,然后利用公式v c=πdn/1000和vf = nf,计算主轴转速与进给速度(计算过程略),计算结果填入表15工序卡中。
背吃刀量的选择因粗、精加工而有所不同。粗加工时,在工艺系统刚性和机床功率允许的情况下,尽可能取较大的背吃刀量,以减少进给次数;精加工时,为保证零件表面粗糙度要求,背吃刀量一般取0.1~0.4㎜较为合适。
(7)数控加工工艺卡片拟订
将前面分析的各项内容综合成表12所示的数控加工工艺卡片。
表12 轴承套数控加工工艺卡片
单位名称 | ××× | 产品名称或代号 | 零件名称 | 零件图号 | |||||
××× | 轴承套 | ××× | |||||||
工序号 | 程序编号 | 夹具名称 | 使用设备 | 车间 | |||||
001 | ××× | 三爪卡盘和自制心轴 | CJK6240数控车床 | 数控中心 | |||||
工步号 | 工步内容 (尺寸单位 ㎜) | 刀具号 | 刀具、刀柄规格 / ㎜ | 主轴转速 /r.min | 进给速度 /㎜.min | 背吃刀量 /㎜ | 备注 | ||
1 | 平端面 | T01 | 25×25 | 320 |
| 1 | 手动 | ||
2 | 钻φ5中心孔 | T02 | φ5 | 950 |
| 2.5 | 手动 | ||
3 | 钻φ32孔的底孔φ26 | T03 | φ26 | 200 |
| 13 | 手动 | ||
4 | 粗镗φ32内孔、150斜面及0.5×450倒角 | T04 | 20×20 | 320 | 40 | 0.8 | 自动 | ||
5 | 精镗φ32内孔、150斜面及0.5×450倒角 | T04 | 20×20 | 400 | 25 | 0.2 | 自动 | ||
6 | 掉头装夹粗镗1:20锥孔 | T04 | 20×20 | 320 | 40 | 0.8 | 自动 | ||
7 | 精镗1:20锥孔 | T04 | 20×20 | 400 | 20 | 0.2 | 自动 | ||
8 | 心轴装夹从右至左粗车外轮廓 | T05 | 25×25 | 320 | 40 | 1 | 自动 | ||
续表
单位名称 | ××× | 产品名称或代号 | 零件名称 | 零件图号 | ||||||||
××× | 轴承套 | ××× | ||||||||||
工序号 | 程序编号 | 夹具名称 | 使用设备 | 车间 | ||||||||
001 | ××× | 三爪卡盘和自制心轴 | CJK6240数控车床 | 数控中心 | ||||||||
工步号 | 工步内容 (尺寸单位 ㎜) | 刀具号 | 刀具、刀柄规格 / ㎜ | 主轴转速 /r.min | 进给速度 /㎜.min | 背吃刀量 /㎜ | 备注 | |||||
9 | 从左至右粗车外轮廓 | T06 | 25×25 | 320 | 40 | 1 | 自动 | |||||
10 | 从右至左精车外轮廓 | T05 | 25×25 | 400 | 20 | 0.1 | 自动 | |||||
11 | 从左至右精车外轮廓 | T06 | 25×25 | 400 | 20 | 0.1 | 自动 | |||||
12 | 卸心轴,改为三爪装夹,粗车M45螺纹 | T07 | 25×25 | 320 | 1.5㎜/ r | 0.4 | 自动 | |||||
13 | 精车M45螺纹 | T07 | 25×25 | 320 | 1.5㎜/ r | 0.1 | 自动 | |||||
编制 | ××× | 审核 | ××× | 批准 | ××× | 年 月 日 | 共 页 | 第 页 | ||||
1;所有标注为智造资料网zl.fbzzw.cn的内容均为本站所有,版权均属本站所有,若您需要引用、转载,必须注明来源及原文链接即可,如涉及大面积转载,请来信告知,获取《授权协议》。
2;本网站图片,文字之类版权申明,因为网站可以由注册用户自行上传图片或文字,本网站无法鉴别所上传图片或文字的知识版权,如果侵犯,请及时通知我们,本网站将在第一时间及时删除,相关侵权责任均由相应上传用户自行承担。
[complaint:内容投诉]
智造资料网打造智能制造3D图纸下载,在线视频,软件下载,在线问答综合平台 » 轴承套零件的数控车加工工艺分析(图文教程)




