第五章 机械制图
制图基础
一、图纸幅面及标题栏
1. 在机械图形绘制中,图纸具有严格的尺寸要求。按照国标规定,图纸幅面尺寸如表5-1所示
表5-1 图纸幅面尺寸
尺寸代号
| 幅 面 代 号 | ||||
A0 | A1 | A2 | A3 | A4 | |
b | 841 | 594 | 420 | 297 | 210 |
l | 1189 | 841 | 594 | 420 | 297 |
c | 10 | 5 | |||
a | 25 | ||||
表中各项参数的含义如下。
B、L:图纸的总长度和宽度。
a:留给装订的一边的空余宽度。
c:其他3条边的空余宽度。
e:无装订边时的各边空余宽度。

图5-1 带有装订边图纸示例

图5-2 无装订边图纸示例
二、 图线、字体和比例:
1. 图线的国标规定
机械工程图样中的图线宽度有粗、细两种,其线宽比为2:1。推荐线宽为:0.13、0.18、0.25、0.35、0.5、0.7、1、1.4、2(mm)。
2. 字体的图标规定
《技术制图 字体》GB/T 14691-1993规定了图样中汉字、数字、字母的书写格式。汉字为长仿宋体,并采用国家正式公布的简化字,字宽约为字高的2/3。字高不应小于3.5号,以避免字迹不清。
3.比例的图标规定
机械工程图样中的图线宽度有粗、细两种,其线宽比为2:1。推荐线宽为:0.13、0.18、0.25、0.35、0.5、0.7、1、1.4、2(mm)。
表5-2 比例系数(a为正整数)
与实际物体相同 | 1:1 |
放大的比例 | 5:1 2:1 5×102:1 2×102:1 1×102:1 |
缩小的比例 | 1:2 1:5 1: 1×102 1: 2×102 1: 5×102 |
表5-3 必要时允许采用的规定比例(a为正整数)
与实际物体相同 | 1:1 |
放大的比例 | 4:1 2.5:1 4×102:1 2.5×102:1 |
缩小的比例 | 1:1.5 1:2.5 1:3 1:4 1:6 1: 1.5×102 1: 2.5×102 1: 4×102 1: 6×102 |
三、机械制图尺寸标注:
1.尺寸标注基本要求与规则:
图样中所注尺寸的数值表示物体的真实大小,与绘图比例、绘图的准确度无关。
在同一图样中,每一尺寸一般只标注一次,并应标注在反映该结构最清晰的图形上。
图样中的尺寸以毫米(mm)为单位时,不需注明;若采用其他单位时,必须注明单位的代号或名称。如图5-3所示

图5-3 尺寸标注基本要求与规则:
2.尺寸的组成 :
一个完整的长度尺寸标注由尺寸线、尺寸界线、尺寸箭头等对象组成,而圆形、弧形、引线标注等尺寸标注还有其他的对象。如图5-4所示

图5-4 尺寸的组成
四、机械制图中特有的标注符号:
1. 表面粗糙度
表面粗糙度代(符)号一般标注在可见轮廓线、尺寸界线、引出线或它们的延长线上;在同一图样上,一个表面一般只标注一次;当零件大多数表面或所有表面具有相同的表面粗糙度要求时,其代号可在图样的右上角统一标注。如表5-4所示
表5-4 表面粗糙度代(符)号
代号 | 含义 |
| a1,a2---------粗糙度高度参数代号及其数值(单位为微米) b---- 加工要求,表面处理或其它要求 c---- 取样长度(单位为微米)或波纹度(单位为微米) d---- 加工纹理方向符号 e---- 加工余量 f---- 粗糙度间距参数值(单位为微米)或轮廓支撑长度 |
2. 形位公差
在图样中,形位公差的内容(特征项目符号、公差值、基准要素字母及其他要求)在公差框格中给出。用带箭头的指引线(细实线)将框格与被测要素相连。有基准要求时,相对于被测要素的基准用基准符号表示。基准符号由带小圆(细实线)的大写字母和与其用细实线相连的粗短横线组成。表示基准的字母也应注在公差框格中。
特殊关系机械平面图形
一、绘制平行关系图形:平行关系图形主要体现为图形中平行关系的对象比较多,使用AutoCAD绘图时需要多次使用到“偏移”、“镜像”等命令。 如图5-5所示

图5-5 平行关系图形的绘制
二、绘制垂直关系图形:
垂直关系图形主要体现为图形中垂直关系的对象比较多,使用AutoCAD绘图时需要多次使用到“矩形”、“直线”等命令,以及需要经常打开“正交”功能键。如图5-6所示

图5-6 垂直关系图形的绘制
三、绘制相交关系图形:
相交关系图形主要体现为图形中相交关系的对象比较多,绘制相交关系的图形时,使用“修剪”命令比较多。如图5-7所示

图5-7 相交关系图形的绘制
四、绘制等分图形:
等分图形主要体现为图形中某个对象是均匀分布的,使用AutoCAD绘图时需要多次使用到“定距等分”、“镜像”等命令。如图5-8所示

图5-8 等分关系图形的绘制
五、绘制对称图形:
对称图形主要表现为图形关于某条轴线或者某个平面对称。使用AutoCAD 2005绘制对称图形时,只需要绘制出其中一半,然后再使用“镜像”命令对称出另一半即可 。 如图5-9所示

图5-9 对称关系图形的绘制
六、绘制规则图形:
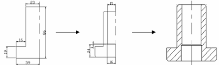
机械制图中的规则图形主要由一些基本图形组成,没有太明显的特点。举一个绘制支架零件图的例子来说明。如图5-10所示

图5-10 规则图形的绘制
七、绘制圆弧连接图形:
圆弧连接图形主要体现为图形中有多个连接圆,使用AutoCAD绘制时需要多次使用“圆”或者“圆角”命令。如图5-11所示

图5-11 圆弧连接图形的绘制
机械剖视图
一、剖视图基础:机件内部有孔时,在视图上一般使用虚线来表示,但是当机件的内形比较复杂时,视图中表示内形的虚线会给看图和标注尺寸带来不便。为了解决这个矛盾,使机件的内部形状能够直接展现出来,《中华人民共和国国家标准》和《技术制图图样画法》中规定,在表示机件内部结构时采用剖视的表达方法。如图5-12所示

图5-12 采用剖视的表达方法的机件内部结构
二、剖视图的一般绘制方法:
确定剖切面的位置及投射方向。为了在主视图上反映机件内孔的实际大小,剖切面应通过孔的轴线并平行于V面;以垂直于V面的方向为投射方向。
将处于观察者与剖切面之间的部分移去后,画出余下部分在V面的投影。

图5-13 剖视图的一般绘制示例
三、剖面线的标注:
(1)剖切线:指示剖切位置的线(用点划线表示)。
(2)剖切符号:指示剖切面起、止和转折位置及投射方向的符号。
• 剖切面起、止和转折位置用粗短划表示。
• 投射方向用箭头或粗短线表示。机械图中均用箭头。
(3)视图名称:一般应标注剖视图名称“×-×”(“×-×”为大写拉丁字母或阿拉伯数字),在相应视图上用剖切符号表示剖切位置和投射方向,并标注相同的字母。
四、全剖视图的绘制:

图5-14单一剖面剖切 图5-15 平行的平面剖切

图5-16 相交的平面剖切
五、半剖视图的绘制:
当物体具有对称平面时,向垂直于对称平面的投影面上投射所得的图形,可以对称中心线为界,一半画成剖视图,另一半画成视图。这种剖视图称为半剖视图,如图5-17所示

图5-17 半剖视图的绘制
六、局部剖视图的绘制:
机件用剖切面局部地剖开物体所得的剖视图称为局部剖视图。局部剖视图用波浪线或双折线分界,以示剖切范围。如图5-18所示

图5-18 局部剖视图的绘制
七、连接件全剖视图绘制分析:
本例所绘图形的剖切面为一斜面,若使用坐标直接确定点的位置,需要进行换算,而且坐标值通常为小数,比较麻烦。本实例将介绍怎样绘制这样的图形,减少不必要的麻烦。如图5-19所示




图5-19 连接件全剖视图绘制分析
八、底座半剖视图绘制分析:
本例所绘制的底座半剖视图可以先通过使用“矩形”、“直线”、“圆”等命令绘制出底座的轮廓图,然后使用“修剪”命令得到左右视图,最后进行图案填充。如图5-20所示


图5-20 底座半剖视图绘制分析
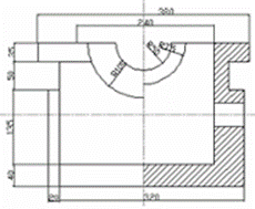
九、座体局部剖视图绘制分析:
本例将介绍结构稍复杂、层次较多的三视图,并且需要在某个区域做剖视图,对切开部分填充剖面线,另外还采用了相对坐标的方法。如图5-21所示

图5-21 座体局部剖视图绘制分析
十、机械剖视图的常见问题与技巧:
相交剖切平面注意问题:
采用几个相交的剖切面剖切的方法绘制剖视图时,“先剖切后旋转再投射”。即:先假设按剖切位置剖开物体,然后将被倾斜剖切面剖开的结构要素及有关的部分旋转到与选定的投影面平行,最后再进行投射。
当剖切后会产生不完整要素时,应将此部分按不剖绘制。处于中间的臂按不剖绘制。

图5-22 机械剖视图的常见问题解析示例
1;所有标注为智造资料网zl.fbzzw.cn的内容均为本站所有,版权均属本站所有,若您需要引用、转载,必须注明来源及原文链接即可,如涉及大面积转载,请来信告知,获取《授权协议》。
2;本网站图片,文字之类版权申明,因为网站可以由注册用户自行上传图片或文字,本网站无法鉴别所上传图片或文字的知识版权,如果侵犯,请及时通知我们,本网站将在第一时间及时删除,相关侵权责任均由相应上传用户自行承担。
[complaint:内容投诉]
智造资料网打造智能制造3D图纸下载,在线视频,软件下载,在线问答综合平台 » AutoCAD从入门到施工图(6)(图文教程)


