在数控机床上加工零件,与普通机床有所不同,不仅要考虑夹具、刀具、切削用量等常规工艺的选择,更要考虑对刀点、编程原点等设置,在保证质量的前提下,尽可能提高机床的加工效率。
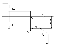
以图一所示的轴类零件为例,要在数控机床上完成此单个零件的车削,首先要进行工艺分析,确定工艺方案。

常见的工艺方案有两种,分别为表一和表二。
表一
序号 | 工序名称及加工程序号 |
工艺简图 | 工序号及内容 | 刀具号 | 备注 |
1 |
车工件右端内腔及车外圆ф39*50(工艺要求) |
| 1、钻孔 |
|
|
2、车端面 | 1# |
| |||
3、车外圆 |
|
| |||
4、锁ф18孔 | 2# |
| |||
5、螺纹内孔 |
|
| |||
6、切内槽 | 3# |
| |||
7、车内螺纹 | 4# |
| |||
2 |
车工件左端外形各栏尺寸及内腔各孔尺寸 |
| 1、钻孔(接通) |
|
|
2、车总长 | 1# |
| |||
3、车ф29*45外圆 |
|
| |||
4、切外槽 | 5# |
| |||
5、车外螺纹 | 6# |
| |||
6、镗ф18孔 | 2# |
| |||
7、镗ф20孔 |
|
| |||
8、镗内锥孔 |
|
| |||
3 |
车ф30及外圆弧 |
|
| 1# | 三爪装夹处需用内螺纹专用夹套,右端用专用外螺纹闷头,顶持 |
2、车ф34*ф30*10外锥 |
| ||||
3、车外圆弧 |
| ||||
|
|
表二
一、
1、车工件左端面
2、车工件左端外圆弧至工件总长的1/2处
3、车工件左端内腔
二、
1、车工件端面至总长尺寸
2、车工件外形与原外圆弧相接
3、车工件右端内腔
1;所有标注为智造资料网zl.fbzzw.cn的内容均为本站所有,版权均属本站所有,若您需要引用、转载,必须注明来源及原文链接即可,如涉及大面积转载,请来信告知,获取《授权协议》。
2;本网站图片,文字之类版权申明,因为网站可以由注册用户自行上传图片或文字,本网站无法鉴别所上传图片或文字的知识版权,如果侵犯,请及时通知我们,本网站将在第一时间及时删除,相关侵权责任均由相应上传用户自行承担。
[complaint:内容投诉]
智造资料网打造智能制造3D图纸下载,在线视频,软件下载,在线问答综合平台 » 典型轴类零件的数控车加工工艺(图文教程)




