UGNX7.0的工作环境
UG软件基本操作:文件操作、视图操作
特征操作:布尔运算的概念
新建文件
注意挑选新建零件的单位:毫米/英寸。
文件名中不能包含中文字符。
UG文件的后缀为 . prt

5.UG建模模块界面


鼠标右键菜单
挑选视图工具条完结相应的指令改写拟合缩放扩大/缩小旋转平移透视线框显示类型上色显示线框定向视图
视图工具条

文件的保存、封闭与翻开保存文件
另存为(文件→另存为):换名保存当时文件。
封闭文件
封闭一切文件:封闭一切的文件,并返回到入门环境(Gateway)。
另存为并封闭:将当时文件换名保存并封闭。
悉数保存并退出:保存一切文件并退出UG系统。
UG所翻开的文件名及其地点的文件途径的名称不能为中文。
工作任务一

工作任务三
常识点
辅助工具:矢量构造器
能力目标
工作任务(含零件二维、三维图形)或教育内容


教育示范
发动UG NX4.0
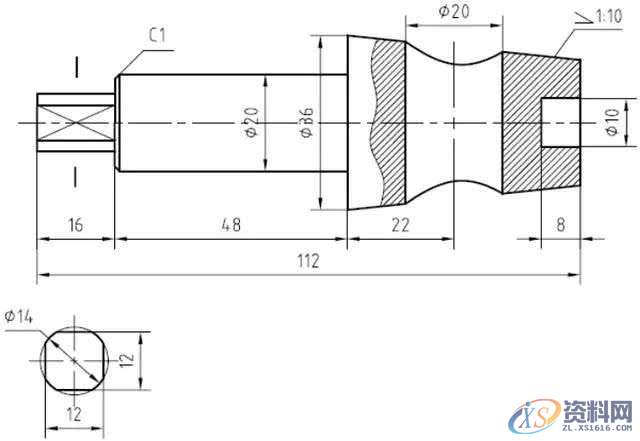
锥形塞建模示范

2)创立圆柱体(Ø20×48)

4)创立圆柱体(Ø10×8)

6)创立圆柱体(Ø14×16)

8)斜角(1×45°)

六、课堂小结
“特征建模”是UG CAD的根底与核心建模工具,根据特征的实体建模和编功能,使得工程师能够直接修正实体特征的尺度,在树立杂乱实体模型时具有交互性。
选用尺度驱动(参数化)方式修正模型,规划修正更加便利。
选用主模型技术驱动后续的规划运用,如工程图、装配、CAM等。主模型更新后,相关运用自动更新。
可对实体模型进行烘托处理,显示效果更好
基本体素特征:长方体、圆柱体、圆锥/圆台体、球体
成型特征:孔、圆台、凸垫、腔体、键槽、沟槽
特征操作:拔模角、边倒圆、倒斜角、抽壳、螺纹、特征引用(阵列、镜像)、实体修剪、实体切割、份额体、面切割、布尔运算(加、减、相交)等

KN95口罩耳带机现货、N95切片加内置鼻梁一体机、N95口罩机整套现货,预订电话:13018639977
CNC数控编程培训、塑胶模具设计培训,冲压模具设计培训,精雕、ZBrush圆雕培训、Solidworks产品设计培训、pro/E产品设计培训,潇洒职业培训学校线下、线上网络学习方式,随到随学,上班学习两不误,欢迎免费试学!
联系电话:13018639977(微信同号)QQ:2033825601
学习地址:东莞市横沥镇新城工业区兴业路121号-潇洒职业培训学校
1;所有标注为智造资料网zl.fbzzw.cn的内容均为本站所有,版权均属本站所有,若您需要引用、转载,必须注明来源及原文链接即可,如涉及大面积转载,请来信告知,获取《授权协议》。
2;本网站图片,文字之类版权申明,因为网站可以由注册用户自行上传图片或文字,本网站无法鉴别所上传图片或文字的知识版权,如果侵犯,请及时通知我们,本网站将在第一时间及时删除,相关侵权责任均由相应上传用户自行承担。
[complaint:内容投诉]
智造资料网打造智能制造3D图纸下载,在线视频,软件下载,在线问答综合平台 » UG编程-新手学习的编程基础知识详细讲解

