CAD/CAM基本概念、UG软件知识
UG软件基本操作:文件操作、视图操作
基本特征:立方体建立
特征操作:布尔运算的概念
辅助工具:点构造器
新建文件

4.新建UG文档提示
注意选择新建零件的单位:毫米/英寸。
UG文件所在的文件路径的名称不能包含中文字符
文件名中不能包含中文字符。
文件名和路径必须为数字、英文字母,“/、?、*”等符号无效。
UG文件的后缀为 . prt
由UG 入门模块可以进入UG的各个不同的应用模块。具体见“标准”工具条中下拉菜单。

5.UG建模模块界面

6.鼠标操作

鼠标右键菜单
视图工具条
选择视图工具条实现相应的命令刷新拟合缩放放大/缩小旋转平移透视线框显示类型着色显示线框定向视图

视图工具条
7.定义工具条“命令”对话框

文件的保存、关闭与打开保存文件
快速保存(文件保存):以原文件名快速保存当前文件。
另存为(文件另存为):换名保存当前文件。
保存所有文件(文件保存所有):以原文件名快速保存当前所有打开的文件。
关闭文件
所选部件关闭:选择需要关闭的文件,系统打开文件选择对话框。此选项一般用于同时编辑多个文件情况。
关闭所有文件:关闭所有的文件,并返回到入门环境(Gateway)。
保存并关闭:保存并关闭当前正在编辑的文件。
另存为并关闭:将当前文件换名保存并关闭。
全部保存并关闭:保存并关闭所有文件,返回到入门环境(Gateway)。
全部保存并退出:保存所有文件并退出UG系统。
打开文件
UG所打开的文件名及其所在的文件路径的名称不能为中文。
可以通过预览查看将要打开的文件
工作任务一

工作任务二

工作任务三

第二讲 教学重点(难点)
知识点
基本特征:圆柱体的创建
辅助工具:矢量构造器
基本特征:圆锥的创建
能力目标
通过锥形塞零件的建模学习,形成正确的建模思路,掌握UG的创建和使用基本体素 建模的三维建模方法。
工作任务(含零件二维、三维图形)或教学内容
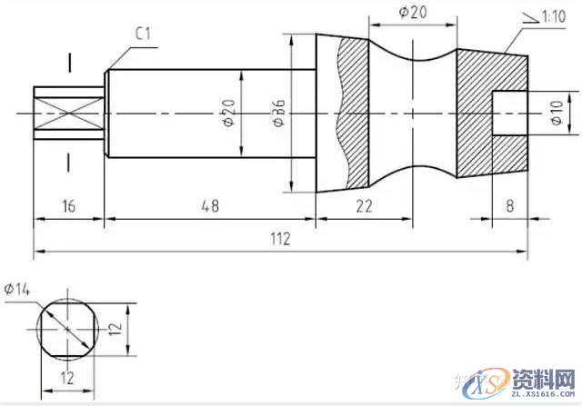
锥形塞建模。引导同学正确分析下图所示锥形塞建模零件图纸尺寸的要求,帮助学生建立正确的建模思路。在UG建模模块中依次完成图1-所示的各分解特征,利用坐标变换简化建模过程,想学习UG编程。


教学示范
1。创建UG文档
启动UG NX4.0
点击“开始”“程序”“UGS NX 7.0”“”,启动后进入UG NX7 初始界面,
锥形塞建模示范
1)创建长方体(长12、宽12、高16)

2)创建圆柱体(Ø20×48)

3)创建圆台(Ø36×48 半角6°)

4)创建圆柱体(Ø10×8)

5)创建圆柱体(Ø20×50)

6)创建圆柱体(Ø14×16)

7)特征操作(布尔运算)

8)斜角(1×45°)

9)完成的锥形塞

六、课堂小结
锥形塞建模过程中涉及的命令较多,图形不复杂,但是刚接触UG建模,许多命令和工具都不熟悉,需要同学多加练习,尽快熟悉UG界面。
“特征建模”是UG CAD的基础与核心建模工具,基于特征的实体建模和编功能,使得工程师可以直接编辑实体特征的尺寸,在建立复杂实体模型时具有交互性。
1、特征建模的优点
采用尺寸驱动(参数化)方式编辑模型,设计修改更加方便。
可以有效减少建模的操作步骤,节省设计时间。
采用主模型技术驱动后续的设计应用,如工程图、装配、CAM等。主模型更新后,相关应用自动更新。
赋予实体材质后可以计算其物理特性,可进行干涉分析。
可对实体模型进行渲染处理,显示效果更好
2、特征创建的分类
基本体素特征:长方体、圆柱体、圆锥/圆台体、球体
扫掠特征:拉伸、旋转、沿导线扫掠、管路
成型特征:孔、圆台、凸垫、腔体、键槽、沟槽
基准特征:基准平面、基准轴、基准坐标系
东莞潇洒职业培训学校开设课程有:高升专、专升本学历提升、全日制中职学校学位、积分入户、数控编程培训、塑胶模具设计培训,压铸模具设计培训、冲压模具设计培训,精雕、ZBrush圆雕培训、Solidworks产品设计培训、pro/E产品设计培训、AutoformR7工艺分析培训,非标自动化设计、PLC编程、CNC电脑锣操机、文职培训、电商培训、平面设计等培训、电商培训,潇洒职业培训学校线下、线上等网络学习方式,随到随学,上班学习两不误,欢迎免费试学!
联系电话:13018639977(微信同号)QQ:2033825601
学校官网:www.dgxspx.com 智造人才网:www.58hr.net
学习地址:东莞市横沥镇新城工业区兴业路121号-潇洒职业培训学校1;所有标注为智造资料网zl.fbzzw.cn的内容均为本站所有,版权均属本站所有,若您需要引用、转载,必须注明来源及原文链接即可,如涉及大面积转载,请来信告知,获取《授权协议》。
2;本网站图片,文字之类版权申明,因为网站可以由注册用户自行上传图片或文字,本网站无法鉴别所上传图片或文字的知识版权,如果侵犯,请及时通知我们,本网站将在第一时间及时删除,相关侵权责任均由相应上传用户自行承担。
[complaint:内容投诉]
智造资料网打造智能制造3D图纸下载,在线视频,软件下载,在线问答综合平台 » UG编程:适合新手学习的编程基础知识详细讲解

