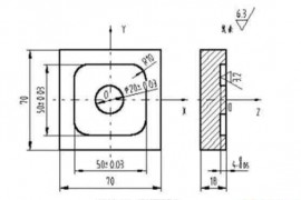
实例一:毛坯为70㎜×70㎜×18㎜板材,六面已粗加工过,要求数控铣出如图3-23所示的槽,工件资料为45钢。

1.依据图样要求、毛坯及前道工序加工状况,确认工艺方案及加工道路
1)以已加工过的底面为定位基准,用通用台虎钳夹紧工件前后两侧面,台虎钳固定于铣床作业台上。
2)工步顺序
① 铣刀先走两个圆轨迹,再用左刀具半径补偿加工50㎜×50㎜四角倒圆的正方形。
② 每次切深为2㎜,分二次加工完。
2.挑选机床设备
依据零件图样要求,选用经济型数控铣床即可到达要求。故选用XKN7125型数控立式铣床。
3.挑选刀具
现选用φ10㎜的平底立铣刀,定义为T01,并把该刀具的直径输入刀具参数表中。
4.确认切削用量
切削用量的详细数值应依据该机床性能、相关的手册并结合实际经历确认,详见加工程序。
5.确认工件坐标系和对刀点
在XOY平面内确认以工件中心为工件原点,Z方向以工件外表为工件原点,树立工件坐标系
选用手动对刀办法(操作与前面介绍的数控铣床对刀办法相同)把点O作为对刀点。
6.编写程序
按该机床规则的指令代码和程序段格局,把加工零件的全部工艺进程编写成程序清单。
考虑到加工图示的槽,深为4㎜,每次切深为2㎜,分二次加工完,则为编程便利,一起减少指令条数,可选用子程序。该工件的加工程序如下(该程序用于XKN7125铣床):
N0010 G00 Z2 S800 T1 M03
N0020 X15 Y0 M08
N0030 G20 N01 P1.-2 ;调一次子程序,槽深为2㎜
N0040 G20 N01 P1.-4 ;再调一次子程序,槽深为4㎜
N0050 G01 Z2 M09
N0060 G00 X0 Y0 Z150
N0070 M02 ;主程序完毕
N0010 G22 N01 ;子程序开端
N0020 G01 ZP1 F80
N0030 G03 X15 Y0 I-15 J0
N0040 G01 X20
N0050 G03 X20 YO I-20 J0
N0060 G41 G01 X25 Y15 ;左刀补铣四角倒圆的正方形
N0070 G03 X15 Y25 I-10 J0
N0080 G01 X-15
N0090 G03 X-25 Y15 I0 J-10
N0100 G01 Y-15
N0110 G03 X-15 Y-25 I10 J0
N0120 G01 X15
N0130 G03 X25 Y-15 I0 J10
N0140 G01 Y0
N0150 G40 G01 X15 Y0 ;左刀补取消
N0160 G24 ;主程序完毕
实例二:毛坯为120㎜×60㎜×10㎜板材,5㎜深的外概括已粗加工过,周边留2㎜余量,要求加工出如下图所示的外概括及φ20㎜的孔。工件资料为铝。

1.依据图样要求、毛坯及前道工序加工状况,确认工艺方案及加工道路
1)以底面为定位基准,两侧用压板压紧,固定于铣床作业台上
2)工步顺序
① 钻孔φ20㎜。
② 按O’ABCDEFG线路铣削概括。
2.挑选机床设备
依据零件图样要求,选用经济型数控铣床即可到达要求。故选用华中Ⅰ型(ZJK7532A型)数控钻铣床。
3.挑选刀具
现选用φ20㎜的钻头,定义为T02,φ5㎜的平底立铣刀,定义为T01,并把该刀具的直径输入刀具参数表中。
因为华中Ⅰ型数控钻铣床没有自动换刀功能,按照零件加工要求,只能手动换刀。
4.确认切削用量
切削用量的详细数值应依据该机床性能、相关的手册并结合实际经历确认,详见加工程序。
5.确认工件坐标系和对刀点
在XOY平面内确认以0点为工件原点,Z方向以工件外表为工件原点,树立工件坐标系
选用手动对刀办法把0点作为对刀点。
6.编写程序(用于华中I型铣床)
按该机床规则的指令代码和程序段格局,把加工零件的全部工艺进程编写成程序清单。该工件的加工程序如下:
1)加工φ20㎜孔程序(手艺安装好φ20㎜钻头)
%1337
N0010 G92X5 Y5 Z5 ;设置对刀点
N0020 G91 ;相对坐标编程
N0030 G17 G00 X40 Y30 ;在XOY平面内加工
N0040 G98 G81 X40 Y30 Z-5 R15 F150 ;钻孔循环
N0050 G00 X5 Y5 Z50
N0060 M05
N0070 M02
2)铣概括程序(手艺安装好ф5㎜立铣刀,不考虑刀具长度补偿)
%1338
N0010 G92 X5 Y5 Z50
N0020 G90 G41 G00 X-20 Y-10 Z-5 D01
N0030 G01 X5 Y-10 F150
N0040 G01 Y35 F150
N0050 G91
N0060 G01 X10 Y10 F150
N0070 G01 X11.8 Y0
N0080 G02 X30.5 Y-5 R20
N0090 G03 X17.3 Y-10 R20
N0100 G01 X10.4 Y0
N0110 G03 X0 Y-25
N0120 G01 X-90 Y0
N0130 G90 G00X5 Y5 Z10
N0140 G40
N0150 M05
N0160 M30
看了上面的比如,我们对普通的指令有了了解,但是跟高级言语比较,其功能显得单薄,为了与高级言语相匹配,特别介绍宏指令。通过运用宏指令能够进行算术运算,逻辑运算和函数的混合运算,此外,宏、程序还供给了循环句子,分支句子和子程序调用句子。
在宏句子中:
变量:
#0--#49是当前局部变量
#50--#99是全局局部变量
常量:
PI,TRUE(真),FALSE(假)
算术运算符:
+,-, *,/
条件运算符:
EQ “=”,NE “!=”, GT “>”,GE“>=”,LT “<”,LE “<=”
逻辑运算符:
AND, OR, NOT
函数:
SIN[],COS[],TAN[],ATAN[],ATAN2[],ABS[],INT[],SIGN[],SQRT[], EXP[]
表达式:
用运算符连接起来的常量,宏变量构成表达式。例如:100/SQRT[2]*COS[55*PI/180]
赋值句子:宏变量=表达式。例如:#2=100/SQRT[2]*COS[55*PI/180]
条件判别句子:IF,ELSE,ENDIF
IF 条件表达式
|
ELSE
|
ENDIF
循环句子:WHILE,ENDW
格局:
WHILE 条件表达式
|
ENDW
下面就以宏指令编程为例,做两个练习。
实例三:毛坯为150㎜×70㎜×20㎜块料,要求铣出如图2-25所示的椭球面,工件资料为蜡块。

1.依据图样要求、毛坯及前道工序加工状况,确认工艺方案及加工道路
1)以底面为首要定位基准,两侧用压板压紧,固定于铣床作业台上。
2)加工道路
Y方向以行距小于球头铣刀逐步行切构成椭球构成。
2.挑选机床设备
依据零件图样要求,选用经济型数控铣床即可到达要求。故选用华中Ⅰ型(ZJK7532A型)数控钻铣床。
3.挑选刀具
球头铣刀大小f6mm。
4.确认切削用量
切削用量的详细数值应依据该机床性能、相关的手册并结合实际经历确认,详见加工程序。
5.确认工件坐标系和对刀点
在XOY平面内确认以工件中心为工件原点,Z方向以工件外表为工件原点,树立工件坐标系
选用手动对刀办法把0点作为对刀点。
6.编写程序(用于华中I型铣床)
按该机床规则的指令代码和程序段格局,把加工零件的全部工艺进程编写成程序清单。该工件的加工程序如下:
%8005(用行切法加工椭园台块,X,Y按行距增量进给)
#10=100 ;毛坯X方向长度
#11=70 ;毛坯Y方向长度
#12=50 ;椭圆长轴
#13=20 ;椭圆短轴
#14=10 ;椭园台高度
#15=2 ;行距步长
G92 X0 Y0 Z[#13+20]
G90G00 X[#10/2] Y[#11/2] M03
G01 Z0
X[-#10/2]Y[#11/2]
G17G01 X[-#10/2] Y[-#11/2]
X[#10/2]
Y[#11/2]
#0=#10/2
#1=-#0
#2=#13-#14
#5=#12*SQRT[1-#2*#2/#13/#13]
G01 Z[#14]
WHILE #0 GE #1
IF ABS[#0] LT #5
#3=#13*SQRT[1-#0*#0/[#12*#12]]
IF #3 GT #2
#4=SQRT[#3*#3-#2*#2]
G01 Y[#4] F400
G19 G03 Y[-#4]J[-#4] K[-#2]
ENDIF
ENDIF
G01 Y[-#11/2] F400
#0=#0-#15
G01 X[#0]
IF ABS[#0] LT #5
#3=#13*SQRT[1-#0*#0/[#12*#12]]
1;所有标注为智造资料网zl.fbzzw.cn的内容均为本站所有,版权均属本站所有,若您需要引用、转载,必须注明来源及原文链接即可,如涉及大面积转载,请来信告知,获取《授权协议》。
2;本网站图片,文字之类版权申明,因为网站可以由注册用户自行上传图片或文字,本网站无法鉴别所上传图片或文字的知识版权,如果侵犯,请及时通知我们,本网站将在第一时间及时删除,相关侵权责任均由相应上传用户自行承担。
[complaint:内容投诉]
智造资料网打造智能制造3D图纸下载,在线视频,软件下载,在线问答综合平台 » 数控铣床编程实例教程

