一. 引言
今天老师给大家分享一个电子控制仪器的数字显示窗口, 这种产品属于LED屏幕的外表面使用透明窗口,以方便观察数据。这种产品属于高端电子产品, 对仪器窗的尺寸精度较高,产品外观要求高,生产批量也大。
图1仪器窗产品图
二.塑件要求
塑件材料为 PC,缩水率为 1.006,质量 3.7克。仪器窗产品尺寸如图 1,其最大外形尺寸为 75mm x 16 mm x8.25mm,塑件尺寸较小,两端有卡勾形成倒扣,需要设计滑块抽芯机构。 侧面有两条很长的骨位, 由于塑件是透明件,根据使用性能要求, 塑件中间窗口部位不能设计顶针,因此塑件的顶出成为模具设计的难点。
图2
三.模具设计要点
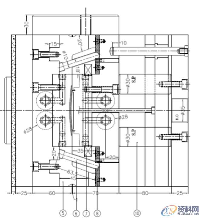
1.模具排位: 塑件尺寸较小, 客户的注射机为NB100吨, 根据客户的模具设计式样书规定,模具设计为1出1的型腔排位。模胚规格为LKM CI2023,模具设计按照欧洲模具惯例,顶出及回位均采用强拉强顶的设计方式,顶针底板K.O孔处攻丝M16, 连接注射机顶杆,复位杆不套弹簧。
图3
图4
图5
2.进胶方式: 塑件外侧塔底进胶,见放大图 A。 由于模具为单型腔模具,主流道采用唧嘴 11 倾斜 5゜设计,PC 材料流动性能较差,流道设计宜短粗为佳。记得关注进老师,进主页可以查看更多干货!
图6
3.侧向分型与抽芯机构设计:根据塑件的结构特点, 两端的卡勾倒扣均采用斜导柱 6 驱动的滑块抽芯。 滑块底部设计耐磨板,便于存油和纳污。 滑块的压条设计定位销,以便准确定位,防止错位和卡滞。
图7-A-B
图8 仪器窗透明件零件图
4.顶出系统设计: 塑件底部的两条骨位较长,塑件中心又不能设计顶针, 再加上 PC 料的抱紧力较大, 因而塑件的顶出较为困难。 通常的处理方式是设计直顶,沿着塑件两侧分别设计两个直顶,然而顶出后又存在塑件夹在直顶上难以取出的问题,因此设计了加速顶出机构(Accelerated Ejectors),见放大图7-A-B。
图9
一次的固定顶出行程难以保证完成产品的同步脱模,这时需要在产品的特定部位(边缘或者圆角)增加一个额外的顶出行程来保证产品配合直顶的同步顶出,而这个额外顶出行程就需要一组或多组的(顶针,模板)加速顶出器来增加一个顶出行程来一起完成产品的同步脱模。 本套模具的加速顶出器是英国 DMS 品牌的标准元件。加速顶出不同于二次顶出,能够减小塑件的顶出变形及减少顶出时间, 在全自动注射成型中得到广泛的应用。
图10
4.结论整套模具结构紧凑,结构新颖,动作可靠,值得学习推广。
东莞潇洒职业培训学校目前开设课程有:学历提升、积分入户、数控编程培训、塑胶模具设计培训,压铸模具设计培训、冲压模具设计培训,精雕、ZBrush圆雕培训、Solidworks产品设计培训、pro/E产品设计培训、AutoformR7工艺分析培训,非标自动化设计、PLC编程、CNC电脑锣操机、平面设计等培训,潇洒职业培训学校线下、线上等网络学习方式,随到随学,上班学习两不误,欢迎免费试学!
联系电话:13018636633(微信同号) QQ:1740467385
学习地址:东莞市横沥镇
1;所有标注为智造资料网zl.fbzzw.cn的内容均为本站所有,版权均属本站所有,若您需要引用、转载,必须注明来源及原文链接即可,如涉及大面积转载,请来信告知,获取《授权协议》。
2;本网站图片,文字之类版权申明,因为网站可以由注册用户自行上传图片或文字,本网站无法鉴别所上传图片或文字的知识版权,如果侵犯,请及时通知我们,本网站将在第一时间及时删除,相关侵权责任均由相应上传用户自行承担。
[complaint:内容投诉]
智造资料网打造智能制造3D图纸下载,在线视频,软件下载,在线问答综合平台 » 注塑模具设计之精密仪器的透明窗口设计方案,附图纸参考

