一.产品介绍
上一期老师给大家讲了海天酱油盖上半部分的设计这次老师继续给大家讲下半部分的设计,海天酱油的瓶盖设计科学、环保,其模具属于圆形产品模具,从模具设计、加工工艺、加工机床设备、模具结构等各个方面都有其特殊性,模具的多次分型则增加了其复杂性。前面上期给大家介绍了热流道模具的设计方法,这次主要介绍细水口模具的设计要点。

二.制品分析
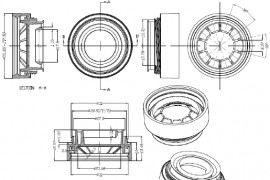
海天酱油瓶盖产品图如图 1 所示。塑件材料为 LDPE,缩水率为 1.02,塑件平均壁厚为 1.0mm,塑件最大外形尺寸为Φ35.35 mm X 16.97mm。从图 1 可以看出,塑件顶部设计了一次性拉环,外部设计有螺纹,此螺纹与酱油瓶外盖配合。产品螺纹为线,起点均布(180°)齿距为 2mm,步距为 4mm. 底部内侧有一圈倒扣,用来与酱油瓶口紧密配合而不松脱。
塑件的外侧螺纹、一次性拉环和内径的倒扣,均存在脱模问题,结合 LDPE 原料的特性,采用强脱的方法,能够简化模具结构,缩短注射周期。与热流道模具相比,细水口模具由于需要取出水口料,因而模具分型需要增加一次,模具设计的难度加大。
三.模具设计要点
1.模具排位:
塑件属于圆形瓶盖类产品,由于塑件产量很大,适合一模多腔。本套模具属于试验模具,样品数量不大,型腔排位设计 1 出 1。
由于模板需要多次分型,模架采用非标模架 2025,模具的模板厚度较薄,模板数量多,模板的加工精度非常重要,模腔孔位的加工同心度不得超过 0.015,孔径公差 0.015.模板的圆形孔位采用高精度坐标镗床加工,能够保证孔的尺寸公差和几何公差。



2.开模方向与分型面:
开模方向的选择决定了模具的难易程度。对于瓶盖类圆形塑件,分型面较简单,分型面为一个平面,外螺纹和一次性拉环设计在定模,分开次序开模,实现强脱。模具设计图见图6,内径边缘的倒扣由推件板推出,实现强脱。需要模具设计资料和软件的小伙伴可以加老师扣2651253018 免费领取哦!
3.开模次序分析:
第一次开模,首先开模由弹弓胶的力使 PL-1 打开 10MM,前模镶件 A 脱开塑件 10 MM,为一次性拉环强脱腾出变形空间;
第二次开模,分模面 PL-2 打开 115MM,唧嘴的倒扣位将水口料从前模镶件 A 中拉出;
第三次开模,水口板将水口料从唧嘴上剥离;
第四次开模,前模镶件 B(件 8)脱开塑件,一次性拉环完成强脱;
第五次开模,前模镶件 C(件 9)脱开塑件,为外螺纹强脱腾出变形空间;
第六次开模,主分型面打开,完成前模开模动作;外螺纹实现强脱,定内模 10 脱离塑件。 第七次开模,推件板推出塑件。;最后由顶棍顶出使推板推下产品,就是打开 PL-7(20MM);完成全部开模动作.

4. 浇注系统设计:
熔融塑料自前模镶件 A 的垂直流道进入型腔,采用类似三板模的细水口进胶方式。点浇口在塑件内圆顶部一点进胶。
5. 冷却系统设计:
在前模镶件 A 的内部设计冷却回路,定内模 10 的外径圆周,设计冷却回路,实现塑件冷却。这种冷却的密封属于径向密封,选择的密封圈质量要好,同时镶件在设计和加工时,做好台阶和倒角等细节,防止装模时挤坏胶圈。

我们是知识搬运工,我们是技术传播者!
东莞潇洒职业培训学校开设课程有:CNC数控编程、塑胶模具设计,压铸模具设计、冲压模具设计, Solidworks/pro/E产品设计、AutoformR7工艺分析,非标自动化设计、PLC编程、文职、电商、平面设计、新媒体等培训课程,潇洒职业培训学校线下、线上、随到随学等学习方式,上班学习两不误,欢迎预约免费试学!
联系电话:18029183455(微信同号)QQ:2799669782
线上免费试学: xsmj.ke.qq.com
1;所有标注为智造资料网zl.fbzzw.cn的内容均为本站所有,版权均属本站所有,若您需要引用、转载,必须注明来源及原文链接即可,如涉及大面积转载,请来信告知,获取《授权协议》。
2;本网站图片,文字之类版权申明,因为网站可以由注册用户自行上传图片或文字,本网站无法鉴别所上传图片或文字的知识版权,如果侵犯,请及时通知我们,本网站将在第一时间及时删除,相关侵权责任均由相应上传用户自行承担。
[complaint:内容投诉]
智造资料网打造智能制造3D图纸下载,在线视频,软件下载,在线问答综合平台 » 塑胶模具设计:一个小小的瓶盖却难住很多设计师,干货满满 ...

