示例一 :
如图12-1所示,毛坯为¢42mmX60mm棒材,材料为铝。
1. 根据零件图样要求、毛坯情况,确定工艺方案及加工路线
1)对短轴类零件,轴心线为工艺基准,用三爪自定心卡盘夹持φ42外圆,使工件伸出卡盘45㎜,一次装夹完成粗精加工。
2) 工步顺序
①粗车φ40㎜外圆,留0.5㎜精车余量。
②粗车φ36㎜外圆,端面与外径均留0.5㎜精车余量。
③精车φ36㎜外圆及端面,φ40外径到图纸尺寸。
3)选择刀具
根据加工要求,选用一把刀具90°外圆车刀。
4)确定工件坐标系
确定以工件右端面与轴心线的交点O为工件原点,建立XOZ工件坐标系.

图12-1
O0001; (程序名)
N10 M03 S800; (正转,主轴800转/分钟)
N20 T0101 MO8; (换1号刀,并进行刀具补偿,冷却液开)
N30 G00 X44 Z2; (快速定位)
N40 G00 X40.5 Z2;
N50 G01 X40.5 Z-40 F100;
N60 X44 F150;
N70 G00 X44 Z2;
N80 X38.5 Z2;
N90 G01 X38.5 Z-19.5 F100;
N100 G01 X41 Z-19.5 F150;粗加工过程
N110 G00 X41 Z2;
N120 G00 X36.5 Z2;
N130 G01 X36.5 Z-19.5 F100;
N140 G01 X39 Z-19.5 F150;
N150 G00 X39 Z2;
N160 M03 S1000; (正转,主轴1000转/分钟)
N170 G01 X41 Z0 F100;
N180 G01 X5 Z0 F80;
N190 G01 X-0.5 Z0 F60;
N200 G01 X-0.5 W1;
N210 G00 X36 Z1;
N220 G01 X36 Z-20 F80; 精加工过程
N230 G01 X40 Z-20 F80;
N240 G01 X40 Z-40 F80;
N250 G01 X42 Z-40 F150;
N260 G00 X42 Z100;
N270 G00 X100 Z100; (快速退刀至换刀点)
N280 M05 T0100; (主轴停止,换1号刀,取消1号刀补)
N290 M09; (冷却液关)
N300 M30; (程序结束,并返回开头)
示例二 :
如图12-2所示,毛坯为¢42mmX60mm棒材,材料为铝。

图12-2
1、 根据零件图样要求、毛坯情况,确定工艺方案及加工路线
1)对短轴类零件,轴心线为工艺基准,用三爪自定心卡盘夹持φ42外圆,使工件伸出卡盘48㎜,一次装夹完成粗精加工。
2) 工步顺序
①粗车φ40㎜外圆,留0.5㎜精车余量。
②粗车φ34㎜外圆,留0.5㎜精车余量。
③粗车φ18㎜外圆及端面,外圆与端面均留0.5㎜。
④粗车锥度,锥面留0.5㎜.
⑤精车右端面、φ18㎜外圆、锥面、φ34㎜外圆、φ40㎜外圆到图纸尺寸。
3)选择刀具
根据加工要求,选用一把刀具90°外圆车刀。
4)确定工件坐标系
确定以工件右端面与轴心线的交点O为工件原点,建立XOZ工件坐标系.
O0002; (程序号)
N10 M03 S800; (正转,主轴800转/分钟)
N20 T0101 M08; (换一号刀,冷却液开)
N30 G00 X44 Z2; (快速定位至固定循环起点)
N40 G90 X40.5 Z-42 F100;
N50 G90 X38.5 Z-26.5;
N60 X36.5
N70 X34.5
N80 G90 X32.5 Z-14.5 F100;
N90 X30.5 ; 圆柱固定切削循环
N100 X28.5 ;
N110 X26.5;
N120 X24.5;
N130 X22.5;
N140 X20.5;
N160 X18.5
N170 G00 X36.5 Z-12.5; (圆锥固定切削循环起点)
N180 G90 X34.5 Z-26.5 R-3 F80;
N190 G90 X34.5 Z-26.5 R-5 ; 圆锥固定切削循环
N200 G00 Z0;
N210 G00 X20.5 Z0;
N220 G01 X5 Z0 F80;
N230 G01 X-0.5 F60;
N240 G01 X-0.5 W1 F150;
N250 G00 X14 Z1;
N260 G01 X18 Z-1 F80; 精车路线
N270 G01 X18 Z-15 F80;
N280 G01 X24 Z-15;
N290 G01 X34 Z-27;
N300 G01 X40 Z-27;
N310 G01 X40 Z-42;
N320 G01 X42 Z-42 F150; (X方向退刀)
N330 G00 X42 Z100; (Z轴退刀)
N340 G00 X100 Z100; (快速返回换刀点)
N350 M05; (主轴停止)
N360 M09 T0100; (冷却液关,取消1号刀补)
N370 M30; (程序结束,并返回程序开头)
示例三 :
如图12-3所示,毛坯为¢58mmX85mm棒材,材料为铝。

图12-3
1、 根据零件图样要求、毛坯情况,确定工艺方案及加工路线
1)对短轴类零件,轴心线为工艺基准,用三爪自定心卡盘夹持φ58外圆,使工件伸出卡盘75㎜,一次装夹完成粗精加工。
2)选择刀具
根据加工要求,选用两把刀具:90°外圆粗加工车刀,90°外圆精加工车刀。
3)确定工件坐标系
确定以工件右端面与轴心线的交点O为工件原点,建立XOZ工件坐标系.
O0003
N10 M03 S800 F100; (正转,主轴800转/分钟)
N20 T0101 M08; (换1号刀,冷却液开)
N30 G00 X60 Z2; (快速定位)
N40 G71 U1.5 R0.5; (每次切深1.5mm,退刀0.5mm)
N50 G71 P60 Q140 U0.5 W0.5 F100;(粗加工,余量X方向0.5 mm,Z方向0.5 mm)
N60 G00 X0;
N70 G01 X0 Z0;
N80 G01 X24 Z0;
N90 G01 X26 Z-1;
N100 G01 X26 Z-21; 精加工路线
N110 G02 X48 Z-36 R15;
N120 G01 X56 Z-40;
N130 G01 X56 Z-70;
N140 G01 X60 Z-70;
N150 G00 X100 Z100; (快速退刀至换刀点)
N190 M03 S1000 T0202 F80; (正转,主轴1000转/分钟,换2号刀,每分钟进给80mm)
N210 G0 X60 Z2; (快速定位)
N220 G70 P60 Q140 ; (精加工)
N230 G00 X100 Z100; (快速退刀至换刀点)
N240 M05; (主轴停止)
N250 T0101 M09; (换1号刀,取消1号刀补,冷却液关)
N260 M30; (程序结束,并返回开头)
示例四 :
如图12-4所示,毛坯为¢46mmX95mm棒材,材料为铝。

图12-4
2、 根据零件图样要求、毛坯情况,确定工艺方案及加工路线
1)对短轴类零件,轴心线为工艺基准,用三爪自定心卡盘夹持φ58外圆,使工件伸出卡盘75㎜,一次装夹完成粗精加工。
2)选择刀具
根据加工要求,选用两把刀具:90°外圆粗加工车刀,90°外圆精加工车刀。
3)确定工件坐标系
确定以工件右端面与轴心线的交点O为工件原点,建立XOZ工件坐标系.
O0004
N10 M03 S800 F100; (正转,主轴800转/分钟)
N20 T0101 M08; (换1号刀,冷却液开)
N30 G00 X48 Z2; (快速定位)
N40 G71 U1.5 R0.5; (每次切深1.5mm,退刀0.5mm)
N50 G71 P60 Q170 U0.5 W0.5 F100; (粗加工,余量X方向0.5 mm,Z方向0.5 mm)
N60 G00 X0;
N70 G01 X0 Z0;
N80 G01 X6 Z0
N90 G01 X10 W-2;
N100 G01 X10 Z-20;
N110 G02 X20 Z-25 R5;
N120 G01 X20 Z-35; 精加工路线
N130 G03 X34 Z-42 R7;
N140 G01 X34 Z-52;
N150 G01 X44 W-10;
N160 G01 X44 Z-77;
N170 G01 X48 Z-77;
N180 G00 X100 Z100; (快速退刀至换刀点)
N190 M05; (主轴停止)
N200 M09; (冷却液关)
N210 M00; (程序暂停,便于加工中测量)
N220 M03 S1000 F80; (主轴正转,主轴1000转/分钟)
N230 T0202 M08 F80; (换2号刀具,冷却液开)
N240 G00 X48 Z2; (快速定位)
N250 G70 P60 Q170; (精加工)
N260 G00 X100 Z100; (快速退刀至换刀点)
N270 M05 T0100; (主轴停止,取消1号刀补)
N280 M09; (冷却液关)
N290 M30; (程序结束,并返回开头)
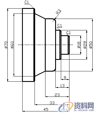
示例五 :
如图12-5所示,毛坯为¢72mmX60mm棒材,材料为铝。

图12-5
1、 根据零件图样要求、毛坯情况,确定工艺方案及加工路线
1)对短轴类零件,轴心线为工艺基准,用三爪自定心卡盘夹持φ72外圆,使工件伸出卡盘50㎜,一次装夹完成粗精加工。
2)选择刀具
根据加工要求,选用两把刀具:90°外圆粗加工车刀,90°外圆精加工车刀。
3)确定工件坐标系
确定以工件右端面与轴心线的交点O为工件原点,建立XOZ工件坐标系.
O0005;
N10 M03 S600; (正转,主轴800转/分钟)
N20 T0101 M08; (换1号刀,冷却液开)
N30 G00 X74 Z2; (快速定位)
N40 G72 W1.5 R0.5;(Z轴进刀量1.5mm,退刀量0.5mm)
N50 G72 P60 Q210 U0.5 W0.5 F100;(粗加工,X向余量0.5mm,Z向余量0.5 mm)
N60 G00 Z-45; N240 T0202 M08; (换2号刀,冷却开)
N70 G01 X70 Z-45; N250 G00 X74 Z2; (快速定位)
N80 G01 X70 Z-34; N260 G70 P60 Q210; (精加工)
N90 G01 X68 W1; N270 G00 X100 Z100; (返回换刀点)
N100 G01 X60 Z-33; N280 M05 T0100; (主轴停止,取消1号刀补)
N110 G01 X50 Z-23; N290 M09;(冷却关)
N120 G01 X50 Z-16; N300 M30;(程序结束,并返回开头)
N130 G02 X44 Z-13 R3; 精加工路线
N140 G01 X28 Z-13;
N150 G01 X28 Z-9;
N160 G01 X26 Z-8;
N170 G01 X18 Z-8;
N180 G01 X18 Z-1;
N190 G01 X16 Z0;
N200 G01 X0 Z0;
N210 G01 Z2;
N220 G00 X100 Z100;(返回换刀点)
N230 M03 S800; (正传,800转/min)
示例六 :
如图12-6所示,毛坯为¢42mmX75mm棒材,材料为铝。

2、 根据零件图样要求、毛坯情况,确定工艺方案及加工路线
1)对短轴类零件,轴心线为工艺基准,用三爪自定心卡盘夹持φ42外圆,使工件伸出卡盘60㎜,一次装夹完成粗精加工。
2)选择刀具
根据加工要求,选用两把刀具:30°外圆粗加工车刀,30°外圆精加工车刀。
3)确定工件坐标系
确定以工件右端面与轴心线的交点O为工件原点,建立XOZ工件坐标系.
O0006;
N10 M03 S800; (正转,主轴800转/分钟)
N20 T0101 M08; (换1号刀,冷却液开)
N30 G00 X44 Z2 (快速定位)
N40 G73 U22 W1 R11 (X方向退刀22mm,Z方向退刀1mm,循环切削11次)
N50 G73 P60 Q140 U0.5 W0.5 F100;(粗车,X方向留0.5 mm,Z方向留0.5 mm精车余量)
N60 G00 X0;
N70 G01 X0 Z0;
N80 G03 X24 Z-24 R15;
N90 G02 X26 Z-31 R5;
N100 G01 X26 Z-40; 精车路线
N110 G01 X38 Z-40;
N120 G01 X40 Z-41;
N130 G01 X40 Z-55;
N140 G01 X44 Z-55;
N150 G00 X100 Z100; (快速退刀至换刀点)
N160 M05; (主轴停止)
N170 M09; (冷却液关)
N180 M00; (程序暂停)
N190 M03 S1000; (正转,主轴1000转/分钟)
N200 T0202 M08; (换2号刀,冷却液开)
N210 G00 X44 Z2; (快速定位)
N220 G70 P60 Q140; (精加工)
N230 G00 X100 Z100; (快速退刀至换刀点)
N240 M05 T0100; (主轴停止,取消1号刀补)
N250 M09; (冷却液关)
N260 M30; (程序结束,并返回开头)
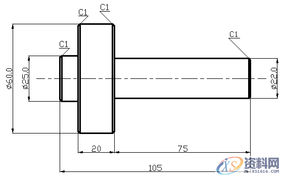
示例七 :
如图12-7所示,毛坯为¢26mmX105mm棒材,材料为铝。
1、 根据零件图样要求、毛坯情况,确定工艺方案及加工路线
1)对短轴类零件,轴心线为工艺基准,用三爪自定心卡盘夹持φ26外圆,使工件伸出卡盘89㎜,一次装夹完成粗精加工。
2)选择刀具
根据加工要求,选用两把刀具:30°外圆粗加工车刀,30°外圆精加工车刀。
3)确定工件坐标系
确定以工件右端面与轴心线的交点O为工件原点,建立XOZ工件坐标系.

图12-7
O0007
N10 M03 S800; (正转,主轴800转/分钟)
N20 T0101 M08; (换1号刀,冷却液开)
N30 G00 X28 Z2; (快速定位)
N40 G73 U12 W1 R6; (X方向退刀2 mm,Z方向退刀1mm)
N50 G73 P60 Q120 U0.5 W0.5 F100; (粗车,X方向留0.5 mm,Z方向留0.5 mm精车余量)
N60 G00 X0;
N70 G01 X0 Z0;
N80 G03 X14.77 Z-4.92 R8;
N90 G03 X21.2 Z-44.8 R60; 精加工路线
N100 G02 X24 Z-73.436 R40;
N110 G01 X24 Z-83.44;
N120 G01 X28 Z-83.44;
N130 G00 X100 Z100; (快速退刀至换刀点)
N140 M05; (主轴停止)
N150 M09 (冷却液关)
N160 M00; (程序暂停)
N170 M03 S1000; (正转,主轴1000转/分钟)
N180 T0202 M08; (换2号刀,冷却液开)
N190 G00 X28 Z2; (快速定位)
N200 G70 P60 Q120; (精加工)
N210 G00 X100 Z100; (快速退刀至换刀点)
N220 M05; (主轴停止)
N230 M09 T0100; (主轴停止,取消1号刀补)
N240 M30; (程序结束,并返回开头)
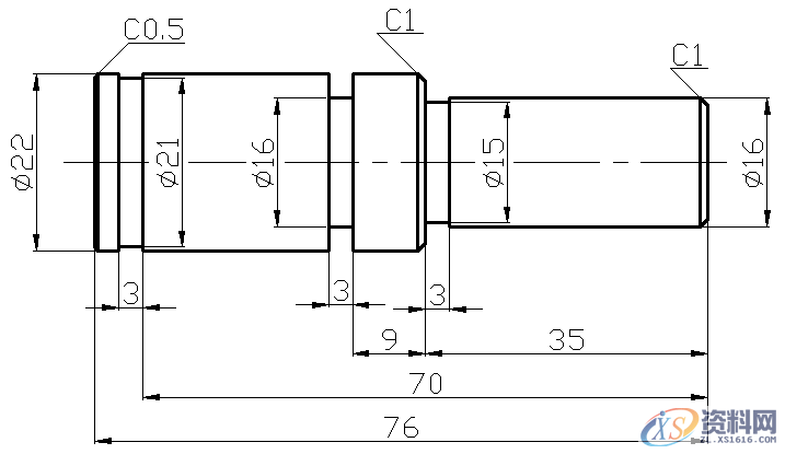
示例八 :
如图12-8所示,毛坯为¢24mmX65mm棒材,材料为铝。
※:未注倒角C1

图12-8
1、 根据零件图样要求、毛坯情况,确定工艺方案及加工路线
1)对短轴类零件,轴心线为工艺基准,用三爪自定心卡盘夹持φ26外圆,使工件伸出卡盘89㎜,一次装夹完成粗精加工。
2)选择刀具
根据加工要求,选用四把刀具:90°外圆粗加工车刀、90°外圆精加工车刀、切断刀(刀宽4mm)、60°螺纹刀。
3)确定工件坐标系
确定以工件右端面与轴心线的交点O为工件原点,建立XOZ工件坐标系.
O0008
N10 M03 S800; (正转,800转/ min) N170 M03 S1000; (正转,1000转/ min)
N20 T0101 M08; (换1号刀,冷却开) N180 T0202; (换2号精加工刀)
N30 G00 X26 Z2; (快速定位) N190 G00 X26 Z2; (快速定位)
N40 G71 U1.5 R0.5; N200 G70 P60 Q150;(精加工)
N50 G71 P60 Q150 U0.5 W0.5 F100; N210 G00 X100 Z100; (快速返回换刀点)
N60 G00 X0 ; N215 M05; (主轴停止)
N70 G01 X0 Z0; N216 M00; (程序暂停)
N80 G01 X13.85 Z0; N220 M03 S600;(正转,600转/ min)
N90 G01 X15.85 Z-1; N230 T0303 (换3号刀)
N100 G01 X15.85 Z-19 N240 G00 X18 Z2;(快速定位)
N110 G01 X16; 精加工路线 N250 G00 X18 Z-19; (快速定位)
N120 G01 X16 Z-32; N260 G01 X11 Z-19; (切槽加工)
N130 G02 X22 Z-35 R3; N270 G04 X2; (延时2秒)
N140 G01 X22 Z-45; N280 G01 X18 Z-19 F100; (X向退刀)
N150 G01 X26 Z-45; N290 G00 X100; (X向返回换刀点)
N160 G00 X100 Z100; ( 快速返回换刀点) N300 G00 Z100; (Z向返回换刀点)
N310 M03 S600; (正转。主轴700转/min)
N320 T0404; (换4号刀)
N330 G00 X18 Z2 (快速定位)
N335 G92 X15.35 Z-17 F1;(螺纹切削,分5刀切削,第一刀进刀0.5mm)
N340 X14.85; (第二次进刀0.5 mm)
N350 X14.65; (第三次进刀0.2 mm)
N360 X14.55; (第四次进刀0.1mm)
N370 X14.55; (最后一刀,螺纹精加工)
N380 G0 Z100; (Z向退刀)
N390 X100; (X向退刀)
N400 M05 T0100; (主轴停止,取消1号刀补)
N410 M09; (冷却关)
N420 M30; (程序结束,并返回开头)
示例九:
如图12-9所示,毛坯为¢44mmX75mm棒材,材料为铝。

图12-9
1、 根据零件图样要求、毛坯情况,确定工艺方案及加工路线
1)对短轴类零件,轴心线为工艺基准,用三爪自定心卡盘夹持φ44外圆,使工件伸出卡盘60㎜,一次装夹完成粗精加工。
2)选择刀具
根据加工要求,选用四把刀具:90°外圆粗加工车刀、90°外圆精加工车刀、切断刀(刀宽4mm)、60°螺纹刀。
3)确定工件坐标系
确定以工件右端面与轴心线的交点O为工件原点,建立XOZ工件坐标系.
O0009;
N10 M03 S800; N270 G01 X26 Z-34 F80;
N20 T0101 M08; N280 G01 X37 Z-34 F100;
N30 G00 X46 Z2; N290 G00 X100;
N40 G71 U1.5 R0.5; N300 G00 Z100;
N50 G71 P60 Q160 U0.5 W0.5 F100; N310 T0404 ;
N60 G00 X0; N320 G00 X32 Z-12;
N70 G01 X0 Z0; N330 G92 X29.35 Z-31 F2;
N80 G03 X24 Z-12 R12; N340 X28.85;
N90 G01 X24 Z-14; N350 X28.35;
N100 G01 X25.85 Z-14; N360 X27.85;
N110 G01 X29.85 W-2; N370 X27.55;
N120 G01 X29.85 Z-34; N380 X27.35;
N130 G01 X35 Z-34; N390 X27.25;
N140 G02 X42 Z-45 R15; N400 X27.25;
N150 G01 X42 Z-55; N410 G00 X100 Z100;
N160 G01 X46 Z-55; N420 M05 T0100;
N170 G00 X100 Z100; N430 M09;
N180 M03 S900; N440 M30;
N190 T0202 M08;
N200 G00 X46 Z2;
N210 G70 P60 Q160 ;
N220 G00 X100 Z100;
N230 M03 S600;
N240 T0303 M08;
N250 G00 X37 Z2;
N260 G00 X37 Z-34;
示例十:
如图12-10所示,毛坯为¢58mmX190mm棒材,材料为铝。

图12-10
1、 根据零件图样要求、毛坯情况,确定工艺方案及加工路线
1)对短轴类零件,轴心线为工艺基准,用三爪自定心卡盘夹持φ58外圆,使工件伸出卡盘170㎜,一次装夹完成粗精加工。
2)选择刀具
根据加工要求,选用四把刀具:30°外圆粗加工车刀、30°外圆精加工车刀、切断刀(刀宽5mm)、60°螺纹刀。
3)确定工件坐标系
确定以工件右端面与轴心线的交点O为工件原点,建立XOZ工件坐标系.
O0010;
N10 M03 S800; N140 G02 X30 W-9 R15;
N20 T0101 M08; N150 G02 X40 Z-69 R25;
N30 G00 X60 Z2; N160 G03 X40 Z-99 R25;
N40 G73 U30 W1 R15; N170 G02 X34 Z-108 R15;
N50 G73 P60 Q210 U0.5 W0.5 F100; N180 G01 X34 W-5;
N60 G00 X0 N190 G01 X56 Z-154;
N70 G01 X0 Z0; N200 G01 X56 Z-165;
N80 G01 X27.85 Z0; N210 G01 X60 Z-165;
N90 G01 X29.85 W-1; N220 G00 X100 Z100;
N100 G01 X29.85 Z-25; N230 M03 S1000;
N110 G01 X33 Z-25; N240 T0202;
N120 G01 X36 W-1.5; N250 G00 X60 Z2;
N130 G01 X36 Z-45; N260 G70 P60 Q210;
N270 G00 X100 Z100; N380 T0404 ;
N280 M03 S800; N390 G00 X32 Z2;
N290 T0303; N400 G92 X29.35 Z-22 F1;
N300 G00 X38 Z2; N410 X28.85;
N310 G00 X38 Z-25; N420 X28.65;
N330 G01 X26 Z-25 F80; N430 X28.55;
N340 G01 X38 F100; N440 X28.55;
N350 G00 X100; N450 G00 X100 Z100;
N360 G00 Z100; N460 M05 T0100;
N370 M03 S800; N470 M09;
N480 M30;
示例十一:
如图12-11所示,毛坯为¢23mmX80mm棒材,材料为铝。

图12-11
1、 根据零件图样要求、毛坯情况,确定工艺方案及加工路线
1)对短轴类零件,轴心线为工艺基准,用三爪自定心卡盘夹持φ23外圆,使工件伸出卡盘65㎜,一次装夹完成粗精加工。
2)选择刀具
根据加工要求,选用四把刀具:90°外圆粗加工车刀、90°外圆精加工车刀、切断刀(刀宽5mm)、60°螺纹刀。
3)确定工件坐标系
确定以工件右端面与轴心线的交点O为工件原点,建立XOZ工件坐标系.
O0011;
N10 M03 S800; N260 G02 X21 W-12 R10;
N20 T0101 M08; N270 G01 X23;
N30 G00 X25 Z2; N280 G00 X100 Z100;
N40 G71 U1.5 R0.5; N290 M03 S1000;
N50 G71 P60 Q140 U0.5 W0.5 F100; N300 G00 X23;
N60 G00 X0; N310 G00 X23 Z-28;
N70 G01 X0 Z0; N320 G70 P250 Q270;
N80 G01 X13.85; N330 G00 X100 Z100;
N90 G01 X15.85 W-1; N340 M03 S700 T0303;
N100 G01 X15.85 Z-18; N350 G00 X23 Z2;
N110 G01 X16; N360 G00 X23 Z-18;
N120 G01 X21 Z-28; N370 G01 X12 F80;
N130 G01 X21 Z-60; N380 G01 X23 F100;
N140 G01 X25 Z-60; N390 G00 X100;
N150 G00 X100 Z100; N400 G00 Z100;
N160 M03 S1000 T0202; N410 T0404;
N170 G00 X25 Z2; N420 G00 X23 Z2;
N180 G70 P60 Q140; N430 G92 X15.35 Z-17 F1;
N190 G00 X100 Z100; N440 X14.85;
N200 M03 S800 T0404; N450 X14.65;
N210 G00 X23; N460 X14.55;
N220 G00 X23 Z-38; N470 X14.55;
N230 G73 U2 W1 R2; N480 G00 X100 Z100;
N240 G73 P250 Q270 U0.5 W0.5 F100; N490 M05 T0100;
N250 G01 X21; N500 M30;
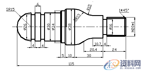
示例十二:
如图12-12所示,毛坯为¢62mmX109mm棒材,材料为铝。

图12-12
1、 根据零件图样要求、毛坯情况,确定工艺方案及加工路线
1)对短轴类零件,轴心线为工艺基准,分两次装夹,首先用三爪自定心卡盘夹持φ23外圆,使工件伸出卡盘85㎜,按照图纸要求把图纸右侧部分加工好,然后,掉头用三爪自定心卡盘夹持φ22外圆,找正,按照图纸要求把图纸左侧部分加工好。
2)选择刀具
根据加工要求,选用两把刀具:90°外圆粗加工车刀、90°外圆精加工车刀。
3)确定工件坐标系
确定以工件右端面与轴心线的交点O为工件原点,建立XOZ工件坐标系.
图纸右侧加工程序
O0012
N10 M03 S700; (正传,主轴700转/min) N110 G01 X58 Z-75;
N20 T0101 M08;(换1号刀,冷却开) N120 G01 X64 W-3;
N30 G00 X64 Z2; (快速定位) N130 G00 X100 Z100; (快速返回换刀点)
N40 G71 U1.5 R0.5;(X向进刀1.5mm,退刀0.5 mm) N140 M03 S900 T0202;(换2号刀,主轴900转/ min)
N50 G71 P60 Q120 U0.5 W0.5; N150 G00 X64 Z2; (快速定位)
N60 G00 X0; 精 N160 G70 P60 Q120;(精加工)
N70 G01 X0 Z0; 加 N170 G00 X100 Z100;(快速返回换刀点)
N80 G01 X20 Z0; 工 N180 M05 T0100;(主轴停止,取消刀补)
N90 G01 X22 W-1; 路 N190 M09;(冷却关)
N100 G01 X22 Z-75; 线 N200 M30;(程序结束,并返回开头)
图纸左侧加工程序
O0013;
N10 M03 S700; (正传,主轴700转/min) N120 G01 X60 W-1;
N20 T0101 M08; (换1号刀,冷却开) N130 G01 X60 Z-30;
N30 G00 X64 Z2; (快速定位) N140 G01 X64 Z-30;
N40 G71 U1.5 R0.5; (X向进刀1.5mm,退刀0.5 mm) N150 G00 X100 Z100; (快速返回换刀点)
N50 G71 P60 Q140 U0.5 W0.5; N160 M03 S900 T0202; (换2号刀,主轴900转/ min)
N60 G00 X0; 精 N170 G00 X64 Z2; (快速定位)
N70 G01 X0 Z0; 加 N180 G70 P60 Q140; (精加工)
N80 G01 X23 Z0; 工 N190 G00 X100 Z100; (快速返回换刀点)
N90 G01 X25 W-1; 路 N200 M05 T0100; (主轴停止,取消刀补)
N100 G01 X25 Z-10; 线 N210 M09; (冷却关)
N110 G01 X58 Z-10; N220 M30; (程序结束,并返回开头)
示例十三:
如图12-13所示,毛坯为¢24mmX980mm棒材,材料为铝。

图12-13
1、 根据零件图样要求、毛坯情况,确定工艺方案及加工路线
1)对短轴类零件,轴心线为工艺基准,分两次装夹,首先用三爪自定心卡盘夹持φ24外圆,使工件伸出卡盘46㎜,按照图纸要求把图纸左侧部分加工好,然后,掉头用三爪自定心卡盘夹持φ22外圆,使工件伸出卡盘41㎜,按照图纸要求把图纸右侧部分加工好。
2)选择刀具
根据加工要求,选用三把刀具:90°外圆粗加工车刀、90°外圆精加工车刀、切槽刀(宽3㎜)
3)确定工件坐标系
确定以工件右端面与轴心线的交点O为工件原点,建立XOZ工件坐标系.
图纸左侧加工程序
O0013;
N10 M03 S800; N160 G00 X100 Z100;
N20 T0101 M08; N170 M03 S800 T0303;
N30 G00 X26 Z2 N180 G00 X24 Z2;
N40 G71 U1.5 R0.5; N190 Z-6;
N50 G71 P60 Q110 U0.5 W0.5 F100; N200 G01 X21 F80;
N60 G00 X0; N210 G01 X24;
N70 G01 Z0; N220 G0 Z-32;
N80 X21; N230 G01 X16 F80;
N90 X22 W-0.5; N240 G01 X24 F100;
N100 X22 Z-45; N250 G00 X100;
N110 X26; N260 G00 Z100;
N120 G00 X100 Z100; N270 M05 T0100;
N130 M03 S1000 T0202; N280 M09;
N140 G00 X26 Z2; N290 M30;
N150 G70 P60 Q110;
图纸右侧加工程序
O0014;
N10 M03 S800; N160 G00 X26 Z2;
N20 T0101 M08; N170 G70 P60 Q130;
N30 G00 X26 Z2; N180 G00 X100 Z100;
N40 G71 U1.5 R0.5; N190 M03 S800 T0303;
N50 G71 P60 Q130 U0.5 W0.5 F100; N200 G00 X26 Z2;
N60 G00 X0; N210 G00 X26 Z-35;
N70 G01 Z0; N220 G00 X15 F80;
N80 G01 X14 ; N230 G01 X24 F100;
N90 X16 W-1; N240 G00 Z100;
N100 X16 Z-35; N250 X100;
N110 X20; N260 M05 T0100;
N120 X24 W-2; N270 M09;
N130 X26; N280 M30;
N140 G00 X100 Z100;
N150 M03 S1000 T0202;
示例十四:
如图12-14所示,毛坯为¢40mmX120mm棒材,材料为铝。 ※未注倒角C1

图12-14
1、 根据零件图样要求、毛坯情况,确定工艺方案及加工路线
1)对短轴类零件,轴心线为工艺基准,分两次装夹,首先用三爪自定心卡盘夹持φ40外圆,使工件伸出卡盘57㎜,按照图纸要求把图纸左侧部分加工好,然后,掉头用三爪自定心卡盘夹持φ30外圆,使工件伸出卡盘65㎜,按照图纸要求把图纸右侧部分加工好。
2)选择刀具
根据加工要求,选用三把刀具:90°外圆粗加工车刀、90°外圆精加工车刀、切槽刀(宽4㎜)、60°螺纹刀。
3)确定工件坐标系
确定以工件右端面与轴心线的交点O为工件原点,建立XOZ工件坐标系.
图纸左侧加工程序
O0016;
N10 M03 S800; N170 G00 X42 Z2;
N20 T0101 M08; N180 G70 P60 Q140;
N30 G00 X42 Z2; N190 G00 X100 Z100;
N40 G71 U1.5 R0.5; N200 M03 S800 T0303;
N50 G71 P60 Q140 U0.5 W0.5 F100; N210 G00 X32 Z2;
N60 G00 X0; N220 G00 X32 Z-19;
N70 G01 Z0; N230 G01 X26 F80;
N80 G03 X30 Z-15 R15; N240 X32 F100;
N90 G01 X30 Z-46; N250 G00 Z-29;
N100 X32 ; N260 G01 X26 F80;
N110 X34 W-1; N270 X32 F100;
N120 X34 W-4; N280 G00 X100;
N130 X36; N290 G00 Z100;
N140 X40 Z-53; N300 M05 T0100;
N150 G00 X100 Z100; N330 M09;
N160 M03 S1000 T0202 F80; N340 M30;
图纸左侧加工程序
O0017;
N10 M03 S800; N200 G70 P60 Q160;
N20 T0101 M08; N210 G00 X100 Z100;
N30 G00 X42 Z2; N220 MO3 S800 T0303;
N40 G71 U1.5 R0.5; N230 G00 X26 Z2;
N50 G71 P60 Q160 U0.5 W0.5 F100; N240 Z-24;
N60 G00 X0; N250 G01 X16 F80;
N70 G01 Z0; N260 G01 X26 F100;
N80 X17.85; N270 G00 Z100;
N90 X19.85 W-1; N280 X100;
N100 Z-24; N290 T0404;
N110 X24; N300 G00 X22 Z2;
N120 X24 Z-34.7; N310 G92 X19.35 Z-22 F1;
N130 G02 X31 Z-44.4 R15; N320 X18.85;
N140 G03 X38 Z-54 R15; N330 X18.65;
N150 G01 X38 Z-64; N340 X18.55;
N160 G01 X40; N350 X18.55;
N170 G00 X100 Z100; N360 G00 X100 Z100;
N180 M03 S1000 T0202; N370 M05 T0100;
N190 G00 X42 Z2; N380 M09;
N390 M30;
我们是知识搬运工,我们是技术传播者!
东莞潇洒职业培训学校开设课程有:CNC数控编程、塑胶模具设计,压铸模具设计、冲压模具设计, Solidworks/pro/E产品设计、AutoformR7工艺分析,非标自动化设计、PLC编程、文职、电商、平面设计、新媒体等培训课程,潇洒职业培训学校线下、线上、随到随学等学习方式,上班学习两不误,欢迎预约免费试学!
联系电话:18029183455(微信同号)QQ:2799669782
线上免费试学: xsmj.ke.qq.com
1;所有标注为智造资料网zl.fbzzw.cn的内容均为本站所有,版权均属本站所有,若您需要引用、转载,必须注明来源及原文链接即可,如涉及大面积转载,请来信告知,获取《授权协议》。
2;本网站图片,文字之类版权申明,因为网站可以由注册用户自行上传图片或文字,本网站无法鉴别所上传图片或文字的知识版权,如果侵犯,请及时通知我们,本网站将在第一时间及时删除,相关侵权责任均由相应上传用户自行承担。
[complaint:内容投诉]
智造资料网打造智能制造3D图纸下载,在线视频,软件下载,在线问答综合平台 » 数控加工编程实例,需要的请收藏!

