模具复位机构常用弹簧复位以及强制复位两种类型。
一.弹簧复位
这是最常见的回位机构﹐依靠压缩弹簧所产生的回弹力致使顶针板回位。一般使用的是黄色TF型较轻负荷弹簧﹐其规格和长度可依据模具回针之大小、顶出行程加预压量来确定。当模具比较大或顶针、斜顶机构比较多时,除了在4个回针上增加弹簧,还需在其它位置适当增加弹簧,如中间的两侧位置,也需要增加柱子插在弹簧中间来使得弹簧正常运作,防止脱离飞出及弹歪。。
一.弹簧复位
这是最常见的回位机构﹐依靠压缩弹簧所产生的回弹力致使顶针板回位。一般使用的是黄色TF型较轻负荷弹簧﹐其规格和长度可依据模具回针之大小、顶出行程加预压量来确定。当模具比较大或顶针、斜顶机构比较多时,除了在4个回针上增加弹簧,还需在其它位置适当增加弹簧,如中间的两侧位置,也需要增加柱子插在弹簧中间来使得弹簧正常运作,防止脱离飞出及弹歪。。
其计算公式如下:
弹簧长度=(预压+顶出距离)/压缩比
一般预压10~20mm,压缩比为30%~50%mm,多用40%,若用其它颜色型号的弹簧需查看各厂家的参数而定。需要注意好各个类型的内径大小、压缩比不一样。如黄色、蓝色、红色等等。
弹簧长度=(预压+顶出距离)/压缩比
一般预压10~20mm,压缩比为30%~50%mm,多用40%,若用其它颜色型号的弹簧需查看各厂家的参数而定。需要注意好各个类型的内径大小、压缩比不一样。如黄色、蓝色、红色等等。

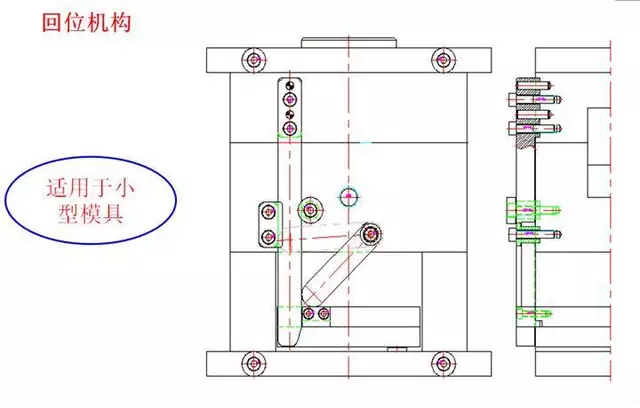
二.强制复位
a.定义:
依靠辅助机构力量﹐在合模之前将顶针板强制拉(压)回。
b.适用场合:
当顶针板回位时﹐可能发生顶针与滑块相撞或斜梢与滑块相撞﹐必须使用强制回位装置,防止模具损坏。
K.O拉杆回位
适用于大型模具﹐拉力均衡﹐比较简单
K.O拉回装置必须依注塑机规格安装在K.O拉杆处
K.O规格图如下﹐一般会放在0﹑200处。如下图

下图复位机构需要对角下,共两套,才能平衡,地侧需要加模脚,以防止压坏。需要留意避开吊模孔。

模具本身就是一种不停地做开合重复运动的机构。再由模具里面的各个小复位机构组成,所以每个复位都要设计得当,才能提升生产力。
东莞潇洒职业培训学校开设课程有:高升专、专升本学历提升、全日制中职学校学位、积分入户、数控编程培训、塑胶模具设计培训,压铸模具设计培训、冲压模具设计培训,精雕、ZBrush圆雕培训、Solidworks产品设计培训、pro/E产品设计培训、AutoformR7工艺分析培训,非标自动化设计、PLC编程、CNC电脑锣操机、平面设计等培训,潇洒职业培训学校线下、线上等网络学习方式,随到随学,上班学习两不误,欢迎免费试学!
联系电话:18029180991(微信同号)QQ:3461766451
学校官网:www.dgxspx.com 智造人才网:www.58hr.net
学习地址:东莞市横沥镇新城工业区兴业路121号-潇洒职业培训学校
免责声明:
1;所有标注为智造资料网zl.fbzzw.cn的内容均为本站所有,版权均属本站所有,若您需要引用、转载,必须注明来源及原文链接即可,如涉及大面积转载,请来信告知,获取《授权协议》。
2;本网站图片,文字之类版权申明,因为网站可以由注册用户自行上传图片或文字,本网站无法鉴别所上传图片或文字的知识版权,如果侵犯,请及时通知我们,本网站将在第一时间及时删除,相关侵权责任均由相应上传用户自行承担。
[complaint:内容投诉]
智造资料网打造智能制造3D图纸下载,在线视频,软件下载,在线问答综合平台 » 讲解模具复位机构设计,建议收藏!
1;所有标注为智造资料网zl.fbzzw.cn的内容均为本站所有,版权均属本站所有,若您需要引用、转载,必须注明来源及原文链接即可,如涉及大面积转载,请来信告知,获取《授权协议》。
2;本网站图片,文字之类版权申明,因为网站可以由注册用户自行上传图片或文字,本网站无法鉴别所上传图片或文字的知识版权,如果侵犯,请及时通知我们,本网站将在第一时间及时删除,相关侵权责任均由相应上传用户自行承担。
[complaint:内容投诉]
智造资料网打造智能制造3D图纸下载,在线视频,软件下载,在线问答综合平台 » 讲解模具复位机构设计,建议收藏!

