一. 定位支承块的功能
用在成形模的可调式定位中,将定位块联接在折刀上.
二. 尺寸要求

注意:
图(a)是定位支承块的装配示意图.设计过程中注意折刀和定位块上螺纹孔上下位置尺寸(12及10)与定位支承块上孔距尺寸(22.0)的对应关系.
图(b)是定位支承块的规格尺寸.尺寸25或30视实际情况确定.定位支承块材质用SS41,不需要热处理.
三. 五金零件表(BPA)填写规范
特殊规格的定位支承块,由设计者画零件图.如选用图(b)标准尺寸的定位支承块,不需要画零件图,在五金零件需求表中按以下范例格式写出.
例:定位支承块 30*40*10
定位支承块:零件名称
30*40*10:规格
定位销(块)
一. 定位销(块)的功能
在模具中起著对料带定位的作用.
二. 定位销(块)结构形式
1. 定位销(块)材质用SK3或SKD11,投外加工时热处理HRc58;设变由组立自行处理时不需热处理.
2. 圆定位销,适用于圆内孔定位(定位销直径D=工件上的圆孔直径减去0.10MM. )或不考虑拉料现象时的外形定位如图(a).圆定销可以出图也可以填写五金零件需求表(填写规范详见附件“五金零件规格参考图”)
如果读者您是在学习模具设计,不懂的模具设计标准,您可以动动小手添加到小编创建的千人交流群,这是一个只属于模具人的圈子。群文件有许多模具公司的设计标准规范,您可以在群文件自行下载!群号获取(关注小编)私信:社群
3. 异形定位销,适用于异形内孔定位,一般做成长方形.如图(b).
4. 方形定位块,适用于冲孔兼小折有材料拉料现象时的外形定位,如图(c).图中尺寸L与W依产品大小取值.(一般L=15MM,W=20MM).此种定位方式调整较为方便.
5. 方形导料定位块,适用于连续下料模的材料导正(一般置于下模板.数量约4~6个).如图(d).图中尺寸:E一般取5MM,产品变形较严重时要适当增大E值;L与W依产品大小取值.(一般L=30~35MM,W=15MM).

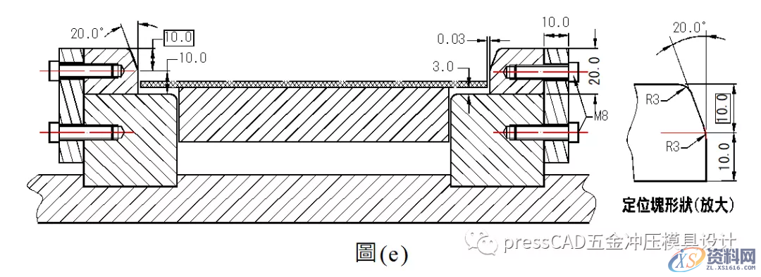
6. 弯曲模定位形式,适用于折弯成形模中的产品定位,如图(e).图中加有方框的尺寸(10)可依需要适当加大,此时要注意定位支承块的相关尺寸.

注意:
a. 使用固定式定位(案内)时要确认相关模板的厚度及消孔大小.一般情况下:消孔单边大0.1MM,须使用线割加工.
b. 定位销(块)露出模板外直段高度B(不包括圆弧段)取值:
一般情况下:精细定位,B=顶料销顶出高度+T;
有内(钩)孔定位时:外形定位,B=顶料销顶出高度+T+(3~5MM);
式中T为材料厚度.
c. 图(b),(c)中,C值一般取10MM.如下图所示:

7. 擋塊定位,適用於單邊折彎模結構中.定位塊的高度尺寸應和裝在折塊(刀)上的定位塊尺寸相配合,保证同時导入材料.

三. 定位销(块)选用分布设计原则
1. T>=0.8时,精细定位块以材料边往料外偏0.03MM;T<0.8时,精细定位块以材料边往料外偏0.02MM.
2. 素材为片料的第一工程料片定位,可使用固定式与活动式相结合的定位方式.注意:
a. 使用固定式定位的材料边为产品尺寸形状要求较高的边,使用活动式 定位的材料边为产品尺寸要求较低的边.

活动定位块在与料接触时容易发生倾斜,这样在合模时容易与上模避位孔发生干涉(如下图).

需将上模避位孔在下模孔的基础上三面加大2mm(与材料接触面不加大)(如图)

3. 当用未切过的素材边做为外形固定定位(非与活动式定位配对使用)时,定位块以素材外形向外偏0.5mm.(适用于外形全周切边时的第一刀切边,第二刀后(含)采用切过的边做定位)

4. 单边折的模具中易有拉料现象,定位方式须设计成两边可调式.为保证定位调整方便,防止料片变形,折弯边的定位优先考虑做在折刀上.

5. 后续工程必须使用前工程冲出的剪口做为精定位,并避开接刀处.
6. 冲剪模尽量用固定式,折弯模尽可能用异形且可调式.
7. 用内孔定位时,优先选用顺序:圆形----方形----异形.
各工程须使用相同的基准边,避免因公差造成段差刃边.
我们是知识搬运工,我们是技术传播者!
东莞潇洒职业培训学校开设课程有:CNC数控编程、塑胶模具设计,压铸模具设计、冲压模具设计, Solidworks/pro/E产品设计、AutoformR7工艺分析,非标自动化设计、PLC编程、文职、电商、平面设计、新媒体等培训课程,潇洒职业培训学校线下、线上、随到随学等学习方式,上班学习两不误,欢迎预约免费试学!
联系电话:18029183455(微信同号)QQ:2799669782
线上免费试学: xsmj.ke.qq.com
1;所有标注为智造资料网zl.fbzzw.cn的内容均为本站所有,版权均属本站所有,若您需要引用、转载,必须注明来源及原文链接即可,如涉及大面积转载,请来信告知,获取《授权协议》。
2;本网站图片,文字之类版权申明,因为网站可以由注册用户自行上传图片或文字,本网站无法鉴别所上传图片或文字的知识版权,如果侵犯,请及时通知我们,本网站将在第一时间及时删除,相关侵权责任均由相应上传用户自行承担。
[complaint:内容投诉]
智造资料网打造智能制造3D图纸下载,在线视频,软件下载,在线问答综合平台 » 汽车覆盖件拉延模设计!定位销(块)

