一.冲压工艺设计的基本内容
针对给定的产品图样,根据其生产批量的大小、企业现有冲压设备的类型规格、模具制造能力及工人技术水平等具体生产条件,从对产品零件图的冲压工艺性分析入手,经过必要的工艺计算,制定出合理的工艺方案(包括工序性质、数量的确定,工序顺序的安排,工序组合方式及工序定位方式的确定),最后编写出冲压工艺卡。
二.冲压工艺设计的基本要求
(1) 冲压原材料利用率高;
(2) 制定工艺方案应技术上先进可行,经济上合理;
(3) 工序组合方式和工序排列顺序应符合冲压变形规律,能确保冲压合格的产品;
(4) 工序数量应尽可能少,生产效率尽可能高;
(5) 制定的工艺规程,应方便工厂的生产组织和管理。
三.冲压工艺过程制订步骤
1.收集并分析有关设计的原始资料
(1) 冲压件的产品图及技术条件;
(2) 原材料的尺寸规格、性能及供应状况;
(3) 产品的生产批量;
(4) 工厂现有的冲压设备条件;
(5) 工厂现有的模具制造条件及技术水平;
(6) 其他技术资料等。
2.产品零件的冲压工艺性分析与审查
冲压工艺性是指冲压件对冲压工艺的适应性,即冲压件的结构形状、尺寸大小、精度要求及所用材料等方面是否符合冲压加工的工艺要求。

3.制定冲压工艺方案
通过分析和计算,确定冲压加工的工序性质、数量、排列顺序和工序组合方式、定位方式;确定各工序件的形状及尺寸;安排其他非冲压辅助工序等。
(1) 工序性质的确定
冲压件的工序性质是指该零件所需的冲压工序种类。
冲压工序性质应根据冲压件的结构形状、尺寸和精度要求,各工序的变形规律及某些具体条件的限制予以确定。
a. 一般情况下,可以从零件图上直观地确定工序性质

b. 需对零件图进行计算、分析比较后,确定工序性质


c. 为了改善冲压变形条件或方便工序定位,需增加附加工序
d. 有时为了节省材料,也会影响工序性质的确定。

(2) 工序数量的确定
a. 生产批量的大小
b.零件精度的要求
修整工序是保证工件精度要求必不可少的工序。
c. 工厂现有的制模条件和冲压设备情况
d. 工艺的稳定性
适当地降低冲压工序中的变形程度,避免在接近极限变形参数的情况下进行冲压加工。
(3) 工序顺序的安排
冲压工序顺序的安排主要决定于冲压变形规律和零件质量要求,其次要考虑到操作方便、毛坯定位可靠、模具简单等。
a. 弱区必先变形,变形区应为弱区

b. 工序成形后得到的符合零件图要求的部分,在以后各道工序中不得再发生变形

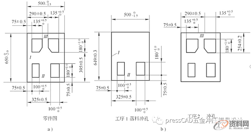
c. 孔工序的安排原则
① 所有的孔,只要其形状和尺寸不受后续工序的影响,都应在平板毛坯上冲出。
② 所在位置会受到以后某工序变形影响的孔,一般都应在有关的工序完成后再冲。
③ 精度要求高的孔和有位置要求的孔,应在成形后冲,其余孔可视情况而提前。
④ 零件上大孔靠近小孔,应先冲大孔。
⑤ 先落料后冲孔。
⑥ 拉深件外边缘和翻边件竖边部分的孔在拉深和翻边后冲。
d. 弯曲件工序顺序的安排原则
一般是先弯外部弯角,后弯内部弯角,
e. 不同位置冲压时,工序顺序的安排要根据变形区域相互间作用、模具结构、定位和操作的难易程度确定

(4) 工序组合方式的选择
工序组合能否实现及组合的程度如何主要取决于零件的生产批量、形状尺寸、质量精度要求,其次要考虑模具结构、模具强度;模具制造维修以及现场设备能力等。
a. 从零件形状、尺寸、精度及模具结构和强度出发考虑工序组合的可能性;
b. 从模具制造与维修能力及现场设备能力方面考虑工序组合的可行性。
(5) 工序定位基准与定位方式的选择
a. 定位基准的选择
① 基准重合原则——尽可能使定位基准与零件设计基准重合

② 基准统一原则
当采用多工序在不同模具上分散冲压时,应尽可能使各个工序都采用同一个定位基准。

③ 基准可靠原则
b. 定位方式的选择
基本的定位方式有孔定位、平面定位和形体定位三种。

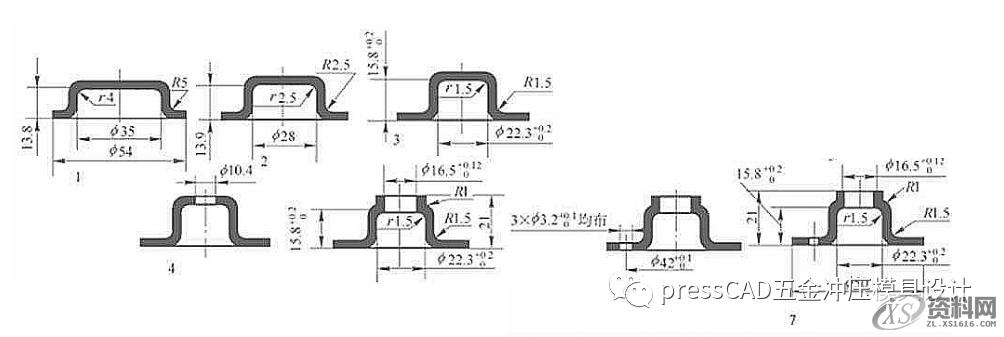
(6) 冲压工序件形状与尺寸的确定
a. 工序件尺寸应根据冲压工序的极限变形参数确定
b. 工序件尺寸应保证冲压变形时金属的合理分配与转移
① 已成形部分在以后的各道工序中不能产生变动;
② 被已成形部分分隔开的内部与外部待成形部分在以后的各道工序中,都必须保证在各自范围内进行材料的分配与转移,

c. 工序件的形状与尺寸应有利于下道工序的冲压成形

d. 工序件的形状与尺寸应有利于保证冲压件的表面质量
① 多次拉深的工序件圆角半径都不宜取得过小;
② 采用锥面逐步成形法或锥面一次成形,则能获得较好的成形效果。
e. 工序件的形状与尺寸应能满足模具强度要求
我们是知识搬运工,我们是技术传播者!
东莞潇洒职业培训学校开设课程有:CNC数控编程、塑胶模具设计,压铸模具设计、冲压模具设计, Solidworks/pro/E产品设计、AutoformR7工艺分析,非标自动化设计、PLC编程、文职、电商、平面设计、新媒体等培训课程,潇洒职业培训学校线下、线上、随到随学等学习方式,上班学习两不误,欢迎预约免费试学!
联系电话:18029183455(微信同号)QQ:2799669782
线上免费试学: xsmj.ke.qq.com
1;所有标注为智造资料网zl.fbzzw.cn的内容均为本站所有,版权均属本站所有,若您需要引用、转载,必须注明来源及原文链接即可,如涉及大面积转载,请来信告知,获取《授权协议》。
2;本网站图片,文字之类版权申明,因为网站可以由注册用户自行上传图片或文字,本网站无法鉴别所上传图片或文字的知识版权,如果侵犯,请及时通知我们,本网站将在第一时间及时删除,相关侵权责任均由相应上传用户自行承担。
[complaint:内容投诉]
智造资料网打造智能制造3D图纸下载,在线视频,软件下载,在线问答综合平台 » 冲压模具设计与制造-冲压工艺过程设计的步骤

