审图
1. 尺寸是否完备
A. 详细审视图面各个细部尺寸是否标注。
B. 可要求製工传图档,直接于档案上测量漏标处尺寸,但仍需请製工补正确认并签名以减少日后之争议。
2. 开模方式
A. Cavity数目、模座大小、适用成型机台(Tie bar间距、最大射出能力)。
B. 塑胶原料类型、可成型性及其所需之週边设备。
乾燥桶、除湿机、模温机(Nylon series)
C. 模具型式:二板或三板模;Slider ornot。 除25°DIMM168 SMT type 外,其馀皆不需跑滑块。
D. 分模线、公母模侧(成品图之Top viewor bottom view为公模) 。
E. 顶出方式:拨块加顶针。
F. 模仁可加工性及机械强度:
a.目前的加工能力和精度是否可达模仁设计之要求。
b.成品尺寸设计若太细微,容易造成模仁强度不足或有尖角而易损伤。
G. 公差合理性:是否具备大量製造的能力。
3. Design Review Meeting
将上述有疑虑及困难的部分或须与其他零件段配合之事项于DesignReview会议上提出并提供改善之建议案。
二﹑Shrinkage
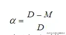
1. 塑料缩水率(α)
一般计算成型收缩率的方式是由常温的模具尺寸D与成型品的实际尺寸M:

在决定模具设计的实际尺寸时,依图面所用的塑料而先查得成型缩水率,再计算出模具的尺寸。
2. Desktop Memory SocketConnector常用之塑料
A. “Sumitomo LCP E6006” (ref.x:0.1%;y:0.16%;z:0.16%)
B. “Polly LCP L140”
C. “Toray LCP”
D. “Wuno LCP”
E. “南亚、耐特、晋纶PA66”
F. “Arlen PA6T”
G. “DSM PA46(F8、HF5040)”
3. 可过IR製程之塑料为“Sumitomo LCPE6006” ,而且其收缩率很小,尺寸安定性极佳,故通常以此种原料为设计基准,其他塑料则以实际射出之尺寸为该料号之图面尺寸(目前于DIMM 168与DDR皆採用大范围之公差将不同原料之成品总长涵盖,如140.9525.005.0;RIMM则因为是高频connector且Intel对生产製程尺寸之cpk值要求非常严格,故採用E6006原料) 。
4. 总长取上限(採用Sumitomo LCPE6006时) 140.95±0.05 → 141.00
5. Pitch × 0.1% shrinkage,其馀两边对称
6. 管制尺寸,附公差之尺寸→依经验判断其收缩趋势,决定适当值
7. 脱模角度及尺寸
三﹑模穴LAYOUT
1. Top & Bottom view
长(141.00)宽(脱模角7.44/7.50)外框Blanking type于组装时採10 Pcs一起并列组装,故宽度的设计须与自动化之组立设计人员事前沟通housing并列堆叠之公差。
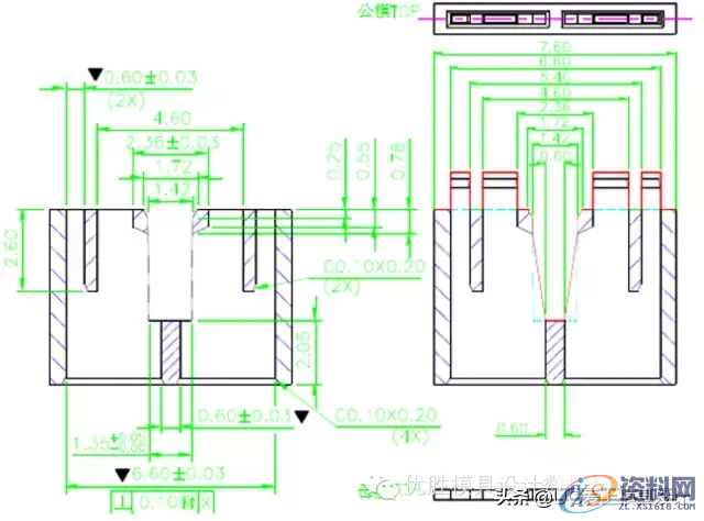
2. 绘出Latch部分之Top view→从其cross section设计斜面对插,厚度方向随之应变;绘出该处公、母模之Topview→side view即可绘出→(A21C)

3. 重绘pin hole之crosssection with shrinkage决定core pin处之Top view及公、母模core pin对插之方式→(A21C)

4. 複製core pin处之Top view至适当pin数,补上key位之Top view
5. 将重绘之Top & Bottom view做上下之Mirror
6. 绘上边件
A. core pin每十pin设计一定位件,儘量採多件定位,尤其在靠gate端。
B. 母模靠gate端第一个pin孔模仁最好与pin no.件设计成镶件,以防高射压将其撑开。
C. 公模靠gate端含第一支顶针之模仁最好设计成定位件,以防高射压将其撑开。
D. 定位件槽距离边件两侧不得小于1 pitch。
E. 母模边件需含脱模斜度;公模边件需闪开拨块位置(拨块位置与公模仁边缘需留0.10mm,以防止拨块顶出时刮伤公模仁,见p.10)。
F. 边件厚度不得低于2.00mm;公、母模两者总长及宽度需相等。
G. 定位件及顶针位置之设计对不同料号之LAYOUT要能同时满足,即定位件及顶针位置不可在pin数变化区(168pin与184pin),需在pin数不变区;特别是公模部分要同时满足定位件及顶针位置。
H. 边件靠肩可设计不同高度来防呆,同时可增加有挖靠肩槽边件根部的强度。

7. 编件号标尺寸→完成A03F~及A13M~
四﹑Block区
1. 先设计公模,因为要预留拨块位置已决定整个block之最小宽度。
2. 模穴间之区隔件宽度为10.00mm 因为M5螺丝头部ø径为8.5mm,区隔件铣螺丝之沉头孔的ø径最小设计需为9.0mm以上,两侧留50条的空间,所以模穴与模穴间之区隔件 宽度固定设计为10.00mm。
3. 绘出拨块外形
将公模穴insert两次,分别置于区隔件两侧,即可绘出两模穴间拨块之外形。

4. Block外侧边件将拨块外形copy至两模穴的外侧,可决定block两外侧边件之Top view。此时公模block外框已设定,母模block即比照公模外框之大小。
5. Block头尾挟持件Gate件应设计于靠cavityno.端,gate件与溢料井设计成镶入头尾挟持件,以减小block之长度。
6. 编件号标尺寸→完成A02F及A12M
7. 将Block边件各自Top view copy出,补上其他两视图,设计出循环式排气槽位置→insert图框,标示尺寸→完成边件之设计。
8. 利用整个block layout绘出公、母模垫板 母模垫板:F03A~ ; 板厚15.00mm 公模垫板:M05A~ ; 板厚 8.00mm
五﹑模板
1. 中央流道
该区域设定为25.00mm,以支撑模板强度。

2. 模穴大小
将block insert到适当位置,外侧各留15.00mm(楔块厚度) →完成模穴之设计。
3. 绘出模板外框尺寸
一般而言,模穴内侧到模板外缘之距离需50.0mm。
4. 决定导柱、导套及水路位置
5. 绘製流道及相关机构位置标注尺寸→完成模板Layout图A01F与A11M
6. 利用公模板 layout绘出各模板及定位板
下顶出板: E01A;板厚 25.00 mm
上顶出板:E02A ;板厚 20.00 mm
上固定板:F01A ; 板厚25.00mm
母模板:F02A ;板厚 50.00 mm
下固定板:M01A ;板厚25.00 mm
垫脚:M02A ; 板厚 85.00 mm
辅助板:M03A;板厚50.00 mm
公模板:M04A 板厚50.00 mm
定位板:M06A~;板厚7.00 mm
其中定位板需多设计四个螺丝孔位以固定在辅助板(M03A)上。
Ps.按人体工学的角度而言,35mm高度之模仁,对模修者而言较易拿取及组立。
六﹑模仁
1. 绘出模仁三视图
利用side view,pin hole cross section及至PL距离35.00mm,配合模穴Layout图中之Top view绘出模仁三视图。

2. insert 图框,标示尺寸
图面尽量填满图框三分之二以上,仅留下足够标示尺寸之空间即可。
3. 图面尽量放大以方便加工及模修等人员识图。

我们是知识搬运工,我们是技术传播者!
东莞潇洒职业培训学校目前开设课程有:学历提升、积分入户、数控编程培训、塑胶模具设计培训,压铸模具设计培训、冲压模具设计培训,精雕、ZBrush圆雕培训、Solidworks产品设计培训、pro/E产品设计培训、AutoformR7工艺分析培训,非标自动化设计、PLC编程、工业机器人、CNC电脑锣操机、平面设计等培训课程,潇洒职业培训学校线下、线上等网络学习方式,随到随学,上班学习两不误,欢迎免费试学!
线上免费试学: xsmj.ke.qq.com
联系电话:18029183887(微信同号)QQ:2958861564
学校官网:www.dgxspx.com 智造人才网:www.58hr.net
学习地址:东莞市横沥镇新城工业区兴业路121号-潇洒职业培训学校
1;所有标注为智造资料网zl.fbzzw.cn的内容均为本站所有,版权均属本站所有,若您需要引用、转载,必须注明来源及原文链接即可,如涉及大面积转载,请来信告知,获取《授权协议》。
2;本网站图片,文字之类版权申明,因为网站可以由注册用户自行上传图片或文字,本网站无法鉴别所上传图片或文字的知识版权,如果侵犯,请及时通知我们,本网站将在第一时间及时删除,相关侵权责任均由相应上传用户自行承担。
[complaint:内容投诉]
智造资料网打造智能制造3D图纸下载,在线视频,软件下载,在线问答综合平台 » 塑胶模具设计工程师设计模具流程


