冲裁模是冲裁工序所用的模具。冲裁模的结构型式很多,为研究方便,对冲裁模可按不同的特征进行分类。
1.按工序性质可分为落料模、冲孔模、切断模、切口模、切边模、剖切模等;
2.按工序组合方式可分为单工序模、复合模和级进模;
3.按上、下模的导向方式可分为无导向的开式模和有导向的导板模、导柱模、导筒模等。
4.按凸、凹模的材料可分为硬质合金冲模、钢皮冲模、锌基合金冲模、聚氨脂冲模等;
5.按凸、凹模的结构和布置方法可分为整体模和镶拼模,正装模和倒装模。
6.按自动化程度可分为手工操作模、半自动模、自动模。
分类的方法还比较多,上述的各种分类方法从不同的角度反映了模具结构的不同特点。下面以工序组合方式,分别分析各类冲裁模的结构及其特点。
单工序冲裁模
单工序冲裁模指在压力机一次行程内只完成一个冲压工序的冲裁模,如落料模、冲孔模、切断模、切口模、切边模等。
(一)落料模
落料模常见有三种形式:
1.无导向的敞开式落料模,其特点是上、下模无导向,结构简单,制造容易,冲裁间隙由冲床滑块的导向精度决定。可用边角余料冲裁。常用于料厚而精度要求低的小批量冲件的生产。
2.导板式落料模,是将凸模与导板间(又是固定卸料板)选用H7/h6的间隙配合,且该间隙小于冲裁间隙。回程时不允许凸模离开导板,以保证对凸模的导向作用。它与敞开式模相比,精度较高,模具寿命长,但制造要复杂一些常用于料厚大于 0.3mm的简单冲压件(图1)。

1—下模座;2—销;3—导板;4—销;5—档料钉;6—凸模;7—螺钉
8—上模座;9—销;10、垫板;11—凸模固定板;12—螺钉;13—导料板14—凹模;15—螺钉
图 1 导板式落料模
3.图2是带导柱的弹顶落料模。上下模依靠导柱导套导向,间隙容易保证,并且该模具采用弹压卸料和弹压顶出的结构,冲压时材料被上下压紧完成分离。零件的变形小,平整度高。该种结构广泛用于材料厚度较小,且有平面度要求的金属件和易于分层的非金属件。

1-上模座;2-卸料弹簧;3-卸料螺钉;4-螺钉;5-模柄;6-防转销;7-销;8-垫板;9-凸模固定板;10-落料凸模;11-卸料板;12-落料凹模;
13-顶件板;14-下模座;15-顶杆;16-板;17-螺栓;18-固定挡料销;19-导柱;20-导套;21-螺母;22-橡皮
图 2 导柱式落料模
(二)冲孔模
冲孔模的结构与一般落料模相似。但冲孔模有其自己的特点,特别是冲小孔模具,必须考虑凸模的强度和刚度,以及快速更换凸模的结构。在已成形零件侧壁上冲孔时,要设计凸模水平运动方向的转换机构。
1.冲侧孔模
图 3是在成形零件的侧壁上冲孔。图a)是采用的是悬臂式凹模结构,可用于圆筒形件的侧壁冲孔、冲槽等。毛坯套入凹模体 3,由定位环7控制轴向位置。此种结构可在侧壁上完成多个孔的冲制。在冲压多个孔时,结构上要考虑分度定位机构。图 b)是依靠固定在上模的斜楔1来推动滑块4,使凸模5作水平方向移动,完成筒形件或U形件的侧壁冲孔、冲槽、切口等工序。

图 3 侧壁冲孔模
斜楔的返回行程运动是靠橡皮或弹簧完成。斜楔的工作角度α以 40°~45°为宜。40°的斜楔滑块机构的机械效率最高,45°时滑块的移动距离与斜楔的行程相等。需较大冲裁力的冲孔件,α可采用 35°,以增大水平推力。此种结构凸模常对称布置,最适宜壁部对称孔的冲裁。
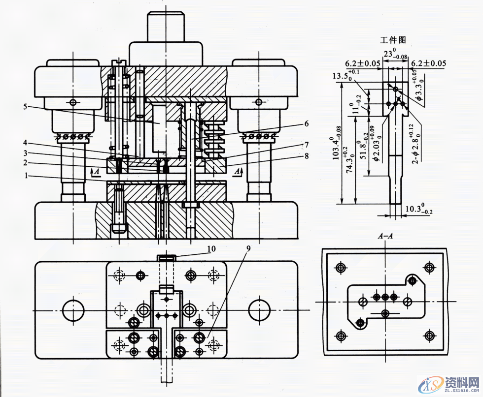
2.小孔冲模 (图4)
这副模具冲制的工件如图右上角所示。工件板厚 4mm,最小孔径为05t。模具结构采用缩短凸模长度的方法来防止其在冲裁过程中产生弯曲变形而折断。采用这种结构制造比较容,凸模使用寿命也较长。这副模具采用冲击块 5冲击凸模进行冲裁工作。小凸模由小压板7进行导向,而小压板由两个小导柱 6进行导向。当上模下行时,大压板8与小压板7先后压紧工件,小凸模 2、3、4上端,露出小压板7的上平面,上模压缩弹簧继续下行,冲击块5冲击凸模 2、3、4对工件进行冲孔。卸件工作由大压板8完成。厚料冲小孔模具的凹模洞口漏料必须通畅,防止废料堵塞损坏凸模。冲裁件在凹模上由定位板 9与1定位,并由后侧压块 10使冲裁件紧贴定位面。

图 4 超短凸模的小孔冲模
复合冲裁模

图 5 复合模的基本结构
在压力机的一次工作行程中,在模具同一部位同时完成数道冲压工序的模具,称为复合冲裁模。复合模的设计难点是如何在同一工作位置上合理地布置好几对凸、凹模。
图 5是落料冲孔复合模的基本结构。在模具的一方是落料凹模,中间装着冲孔凸模;而另一方是凸凹模,外形是落料的凸模,内孔是冲孔的凹模。若落料凹模装在上模上,称为倒装复合模;反之,称为顺装复合模。
复合模的特点是:结构紧凑,生产率高,制件精度高,特别是制件孔对外形的位置度容易保证。另一方面,复合模结构复杂,对模具零件精度要求较高,模具装配精度也较高。
(一)倒装复合模

1—凸模;2—凹模;3—上模固定板;4、16—垫板;5—上模板;6—模柄;7—推杆
8—推块;9—推销;10—件块;11、18—活动档料销;12—固定挡料销;13—卸料板;
14—凸凹模;15—下模固定板;17—下模板;19—弹簧;
图 6 垫圈复合冲裁模
图 6是冲制垫圈的倒装复合模。落料凹模2在上模,件1是冲孔凸模,件14为凸凹模。倒装复合模一般采用刚性推件装置把卡在凹模中的制件推出。刚性推件装置由推杆7、推块8、推销9推动推件块,推出制件。废料直接由凸模从凸凹模内孔推出。凸凹模洞口若采用直刃,则模内有积存废料,胀力较大,当凸凹模壁厚较薄时,可能导致胀裂。倒装复合模的凹模最小壁厚,可查阅有关设计资料。
采用刚性推件的倒装复合模,条料不是处于被压紧状态下冲裁,因而制件的平直度不高。适宜厚度大于 0.3mm的板料。若在上模内设置弹性元件,采用弹性推件,则可冲较软且料厚在 0.3mm以下,平直度较高的冲裁件。
(二)顺装复合模

图 7 顺装复合冲模
图 7是一顺装复合模结构。它的特点是冲孔废料可从凸凹模中推出,使型孔内不积聚废料,使凸凹模涨裂力小,故壁厚可比倒装复合模最小壁厚小。
级进冲裁模
级进模 (又称连续模、跳步模),是指压力机在一次行程中,依次在模具几个不同的位置上同时完成多道冲压工序的冲模。整个制件的成形是在级进过程中逐步完成的。级进成形是属工序集中的工艺方法,可使切边、切口、切槽、冲孔、塑性成形、落料等多种工序在一副模具上完成。级进模可分为普通级进模和多工位精密级进模。多工位精密级进模我们将作为一专题在后续章节中讨论。
由于用级进模冲压时,冲裁件是依次在几个不同位置上逐步成形的,因此要控制冲裁件的孔与外形的相对位置精度就必须严格控制送料步距。为此,级进模有两种基本结构类型:用导正销定距的级进模与用侧刃定距的级进模。
(一)用导正销定距的级进模

1—模柄;2—螺钉;3—冲孔凸模;4—落料凸模;5—导正销6—固定档料销;7—始用档料销
图 8 用导正销定距的冲孔落料级进模
图 8是用导正销定距的冲孔落料级进模。上、下模用导板导向。冲孔凸模3与落料凸模4之间的距离就是送料步距 A。材料送进时由固定挡料销6进行初定位,由两个装在落料凸模上的导正销5进行精定位。导正销与落料凸模的配合为H7/r6,其连接应保证在修磨凸模时的装拆方便。导正销头部的形状应有利于在导正时插入已冲的孔,它与孔的配合应略有间隙。为了保证首件的正确定距,在带导正销的级进模中,常采用始用挡料装置。它安装在导板下的导料板中间。在条料冲制首件时,用手推始用挡料销 7,使它从导料板中伸出来抵住条料的前端即可冲第一件上的两个孔。以后各次冲裁由固定挡料销 6控制送料步距作初定位。
用导正销定距结构简单。当两定位孔间距较大时,定位也较精确。但是它的使用受到一定的限制。当板料太薄 (一般为t<0.3mm)或较软的材料,导正时孔边可能有变形,因而不宜采用。
(二)采用侧刀定距的级进模

图 9 双侧刃冲孔落料级进模
图 9为冲裁接触环双侧刃定距的级进模。它与图2—38相比,特点是:用侧刃2代替了始用挡料销、挡料钉和导正销。用弹压导卸板 7代替了固定卸料板。本模具采用前后双侧刃对角排列,可使料尾的全部零件冲下。弹压卸料板 7装于上模,用卸料螺钉6与上模座连接。它的作用是:当上模下降、凸模冲裁时,弹簧 11(可用橡皮代替)被压缩而压料;当凸模回程时,弹簧回复推动卸料板卸料。
图 10为弹压导板级进模。此类模具的特点是:各凸模(如件7)与固定板6成间隙配合(普通导柱模多为过渡配合 ),凸模的装卸、更换方便;凸模以弹压导板导向,导向精度高;弹压导板 2由安装下模座14上的导柱1和10导向,导板由六根卸料螺钉5与上模连接,因此能消除压力机导向误差对模具的影响,模具寿命长,零件质量好。

1—导柱;2—弹压导板;3—导套;4—导板镶块;5—卸料螺钉;6—凸模固定
板; 7—凸模;8—上模座9—限制柱;10—导柱;11—导套;12—导料板;
13—凹模;14—下模座;15—侧刃档块
图 10 弹压导板级进模
我们是知识搬运工,我们是技术传播者!
东莞潇洒职业培训学校目前开设课程有:学历提升、积分入户、数控编程培训、塑胶模具设计培训,压铸模具设计培训、冲压模具设计培训,精雕、ZBrush圆雕培训、Solidworks产品设计培训、pro/E产品设计培训、AutoformR7工艺分析培训,非标自动化设计、PLC编程、工业机器人、CNC电脑锣操机、平面设计等培训课程,潇洒职业培训学校线下、线上等网络学习方式,随到随学,上班学习两不误,欢迎免费试学!
线上免费试学: xsmj.ke.qq.com
联系电话:18029183887(微信同号)QQ:2958861564
学校官网:www.dgxspx.com 智造人才网:www.58hr.net
学习地址:东莞市横沥镇新城工业区兴业路121号-潇洒职业培训学校
1;所有标注为智造资料网zl.fbzzw.cn的内容均为本站所有,版权均属本站所有,若您需要引用、转载,必须注明来源及原文链接即可,如涉及大面积转载,请来信告知,获取《授权协议》。
2;本网站图片,文字之类版权申明,因为网站可以由注册用户自行上传图片或文字,本网站无法鉴别所上传图片或文字的知识版权,如果侵犯,请及时通知我们,本网站将在第一时间及时删除,相关侵权责任均由相应上传用户自行承担。
[complaint:内容投诉]
智造资料网打造智能制造3D图纸下载,在线视频,软件下载,在线问答综合平台 » 五金汽车冲压模具之冲裁模的结构构造


