铝合金精益管又名为线棒,物流管,其发展历程为第一代精益管,第二代精益管和第三代精益管。精益管特性是只要你想象力够丰富,就可以转换成实际的产品应用。适用范围包括:流水线,工作台,办公设备,机械防护栏,仓储设备,展览设备等。

铝合金精益管结构特点:
安装方便,易装易拆卸;
可根据需要组合成各种结构形式,缩短投产周期;
管材和配件可重复利用,节约成本,减少浪费;
铝合金精益管使用示例: 
精益管及主要配件使用方法介绍:
一.铝合金精益管
铝合金精益管的标准直径是28mm,跟第一代第二代精益管的4M规格不同,第三代铝合金精益管的常用规格是6M。 而且铝合金精益管的表面采用了阳极氧化处理,表面防腐防锈的功能得到进一步加强。
二. 铝合金精益管配件
1. 直角内接头
用于精益管管材水平内连接,可在管材内转动。

2. 直角外接头
用于精益管管材水平内连接

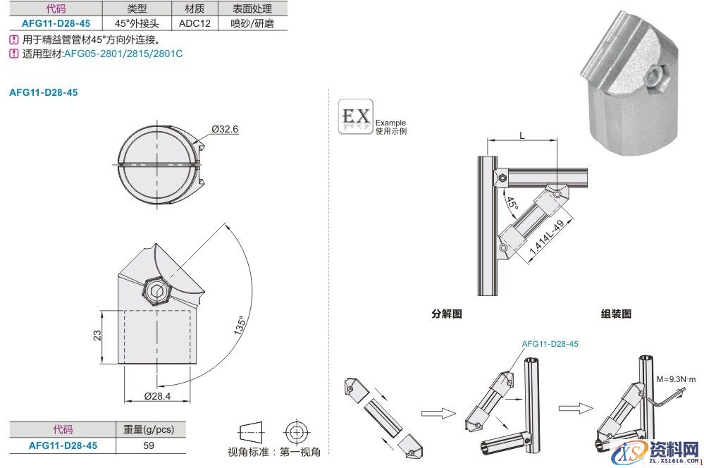
3. 45°外接头
用于精益管管材45°方向外连接

4.平行小接头
用于两根精益管管材水平内连接

5. 平行中接头
用于两根精益管管材水平内连接

6. 平行大接头
用于两根精益管管材水平内连接

7. 45°内接头
用于精益管管材45°方向内连接

8. 双45°接头
用于加强精益管直角连接的强度

9. 配件-90°外弯头
用于两根精益管的90°外连接

10. 直线内涨件
用于延长精益管长度的连接 
附件:
精益管及配件3D图
免责声明:
1;所有标注为智造资料网zl.fbzzw.cn的内容均为本站所有,版权均属本站所有,若您需要引用、转载,必须注明来源及原文链接即可,如涉及大面积转载,请来信告知,获取《授权协议》。
2;本网站图片,文字之类版权申明,因为网站可以由注册用户自行上传图片或文字,本网站无法鉴别所上传图片或文字的知识版权,如果侵犯,请及时通知我们,本网站将在第一时间及时删除,相关侵权责任均由相应上传用户自行承担。
[complaint:内容投诉]
智造资料网打造智能制造3D图纸下载,在线视频,软件下载,在线问答综合平台 » 铝合金精益管及其配件使用方法介绍(第一期)(图文教程)
1;所有标注为智造资料网zl.fbzzw.cn的内容均为本站所有,版权均属本站所有,若您需要引用、转载,必须注明来源及原文链接即可,如涉及大面积转载,请来信告知,获取《授权协议》。
2;本网站图片,文字之类版权申明,因为网站可以由注册用户自行上传图片或文字,本网站无法鉴别所上传图片或文字的知识版权,如果侵犯,请及时通知我们,本网站将在第一时间及时删除,相关侵权责任均由相应上传用户自行承担。
[complaint:内容投诉]
智造资料网打造智能制造3D图纸下载,在线视频,软件下载,在线问答综合平台 » 铝合金精益管及其配件使用方法介绍(第一期)(图文教程)

