螺纹紧固件联接应用
类型 | 螺栓联接 | 螺柱联接 | 螺钉联接 | 紧定螺钉联接 | 自攻螺钉联接 |
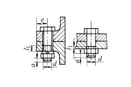
结 构 |
|
|
|
|
|
尺 寸 关 系 | 螺纹余留长度l1 静载荷:l1≥(0.3~0.5)d 变载荷:l1≥0.75d 冲击载荷或弯曲载荷:l1≥d 铰制孔用螺栓l1≈0 螺纹伸出长度 a≈(0.2~0.3)d 螺栓轴线到边缘的距离 e=d+(3~6)mm | 座端拧入深度H,当螺孔为 钢或青铜:H=d 铸铁:H=(1.25~1.5)d 铝合金:H=(1.5~2.5)d 螺纹孔深度H1=H+(2~2.5)P 钻孔深度H2=H1+(0.5~1)d l1、a、e值同螺栓联接 |
|
| |
应 用 | 用于通孔,损坏后容易更换 | 多用于不通孔,联接需经常拆卸零件 | 多用于不通孔,联接很少拆卸零件 | 用以固定两个零件的相对位置,可传递不大的力和力矩 | 用于轻工产品的联接 |
免责声明:
1;所有标注为智造资料网zl.fbzzw.cn的内容均为本站所有,版权均属本站所有,若您需要引用、转载,必须注明来源及原文链接即可,如涉及大面积转载,请来信告知,获取《授权协议》。
2;本网站图片,文字之类版权申明,因为网站可以由注册用户自行上传图片或文字,本网站无法鉴别所上传图片或文字的知识版权,如果侵犯,请及时通知我们,本网站将在第一时间及时删除,相关侵权责任均由相应上传用户自行承担。
[complaint:内容投诉]
智造资料网打造智能制造3D图纸下载,在线视频,软件下载,在线问答综合平台 » 螺纹紧固件联接的应用(图文教程)
1;所有标注为智造资料网zl.fbzzw.cn的内容均为本站所有,版权均属本站所有,若您需要引用、转载,必须注明来源及原文链接即可,如涉及大面积转载,请来信告知,获取《授权协议》。
2;本网站图片,文字之类版权申明,因为网站可以由注册用户自行上传图片或文字,本网站无法鉴别所上传图片或文字的知识版权,如果侵犯,请及时通知我们,本网站将在第一时间及时删除,相关侵权责任均由相应上传用户自行承担。
[complaint:内容投诉]
智造资料网打造智能制造3D图纸下载,在线视频,软件下载,在线问答综合平台 » 螺纹紧固件联接的应用(图文教程)





