首页
图纸下载
冲压模具
塑胶模具
数控编程
机械设备
家用电器
更多
软件下载
二维软件
三维软件
编程软件
CAE软件
系统软件
更多
图文资讯
软件应用
模具制造
机械制造
机械知识
平面设计
其他
软件安装
帮助中心
注册问题
登录问题
上传问题
下载问题
充值问题
更多
在线视频
新站课程
本站课程
在线问答
登录
注册
外径
最新标签
HTML
入门
精通
摩托车
三轮
狂想
两栖
图文
作用
水泵
诱导
前置
视频
测试
咨询
售后
违规
注册
登录
充值
积分
流程
提现
编号
大小
提取
0167
XSSJUG
取值
旋切
毫米
按照
上传
退稿
稿件
无法
账号
注销
站上
qiufukang
右上角
绑定
下拉
帐号
原作者
以下简称
本站
协议
会员
其它
刀路
桃木
夹板
关联性
鸟瞰
文章
PAUSE
command
主视图
长度
RCDATA
计算
ID
开发
雕刻机
生成
注释
端盖
中设
标题
回到
外公切线
圆心
立体
实验
布局
浮动
外部
参照
网格
多线
显示
缩放
特性
编组
门厅
源点
附着
光源
图片
一圆
基点
SolidEdge
教程
属性
10.3
有的
弧段
正交
栅格
及图
文章排序
时间
标题
热度
留言
随机
装配式旋转轴唇形油封尺寸系列 (GB/T 13871-1992)(图文教程)
尺寸
直径
外径
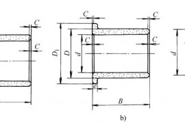
动密封沟槽径向深度及沟槽底径的计算(GB/T2879-1986)(图文教程) ...
外径
深度
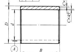
O形橡胶密封圈用挡圈(图文教程)
材料
外径
厚度
08A链轮与08B链轮有什么区别?(图文教程)
什么
外径
厚度
公制焊管(图文教程)
外径
圆锥滚子轴承外径测量(图文教程)
外径
20G钢管(图文教程)
最小
0.5
外径
轴承公差及制造工艺(图文教程)
尺寸
外径
应力
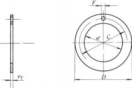
整圆止推垫圈主要尺寸和公差(图文教程)
尺寸
外径
公差
粉末冶金筒形轴套尺寸(图文教程)
尺寸
外径
铜合金整体轴套厚壁系列的尺寸(图文教程)
尺寸
外径
0.5
铜合金整体轴套薄壁系列的尺寸(图文教程)
尺寸
外径
0.5
覆有减摩塑料层的双金属轴套尺寸(图文教程)
尺寸
外径
塑料
卷制轴套的外径与壁厚(图文教程)
外径
青铜石黑含油轴承球形轴套的尺寸和偏差(JB/T3729-1999)(图文教程) ...
尺寸
外径
厚度
粉末冶金含油轴承轴套的主要尺寸(图文教程)
尺寸
外径
直径
60°圆锥管螺纹的基本牙型和基本尺寸(GB/T12716-1991)(图文教程)
尺寸
外径
1.1
塑胶产品的孔和柱子的设计注意问题点
螺丝
外径
柱子
设计
塑件
1
首页
发布
用户中心
积分充值
开通会员
客服