9.11 齿条
一、实例分析
在长方体上面创建一个齿形,然后通过矩形阵列得到齿条。
二、学习目标
在学习本实例时,注意以下要点:
掌握矩形阵列的技巧。
掌握倒圆角特征的基本设计方法和技巧。
三、设计过程
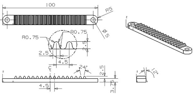
齿条的结构尺寸如图9-121所示,绘制步骤如下:

图9-121 齿条结构图
1.选择“文件”|“新建”命令,新建名称为chitiao.prt的部件文档,再选择“起始”|“建模”命令打开建模功能;

(a) (b)
图9-122 创建长方体
2.建立图层:
1~20层:实体 (SOLIDS);
21~40层:草图 (SKETCHES);
41~60层:曲线 (CURVES);
61~80层:基准 (DATUMS);
3.单击“长方体”按钮
,在弹出的对话框内输入长宽高分别为“100”、“10”、“3.75”如图9-122(a)所示,单击“确定”按钮,创建长方体如图9-122(b)所示;
4.单击“基准平面”按钮
,在长方体的中间位置创建一基准平面,(用于定位齿)如图9-123所示;

图9-123 创建基准平面
5.单击“凸垫”按钮,选择“矩形”,选择长方体的上面作为放置面,选择一条边作为水平参考,在弹出的对话框内输入“长度”为“2.5”,“宽度”为“10”,“高度”为“2.5”,“拔模角”为“12”,如图9-124(a)所示,单击 “确定”按钮,在弹出的“定位”对话框选择“垂直”方式
定位凸垫如图9-124(b)所示;

(a) (b)
图9-124 创建凸垫
6.通过菜单“插入”|“关联复制”|“实例”,在弹出的对话框中选择“矩形阵列”,选择上一步做的“凸垫”,在弹出的“输入参数”对话框内输入“XC向上的数量”为“9”,“XC偏置”为“4.5”,“YC向上的数量”为“1”,如图9-125(a)所示,单击“确定”按钮,重复操作,反向再阵列9个,得到图9-125(b)所示效果;
7.单击“边倒圆”按钮
,选择第5步做的凸垫作“R0.75”的圆角,如图9-126(a)所示,选择“隐藏所有引用”选项,单击“确定”按钮,得到如图9-126(b)所示效果;
8.重复“边倒圆”,对长方体的两端倒R5的圆角,如图9-127所示;
9.单击“孔”按钮,在两端创建φ5的孔,如图9-128所示;
10.将基准平面移至61层,保存,见光盘part/9/chitiao.pat

(a) (b)
图9-125 矩形阵列


(a) (b)
图9-126 倒齿条圆角

图9-127 倒两端圆角

图9-128 孔操作
1;所有标注为智造资料网zl.fbzzw.cn的内容均为本站所有,版权均属本站所有,若您需要引用、转载,必须注明来源及原文链接即可,如涉及大面积转载,请来信告知,获取《授权协议》。
2;本网站图片,文字之类版权申明,因为网站可以由注册用户自行上传图片或文字,本网站无法鉴别所上传图片或文字的知识版权,如果侵犯,请及时通知我们,本网站将在第一时间及时删除,相关侵权责任均由相应上传用户自行承担。
[complaint:内容投诉]
智造资料网打造智能制造3D图纸下载,在线视频,软件下载,在线问答综合平台 » UG卡丁车设计实例教程(十一)_齿条(图文教程)

