首页
图纸下载
冲压模具
塑胶模具
数控编程
机械设备
家用电器
更多
软件下载
二维软件
三维软件
编程软件
CAE软件
系统软件
更多
图文资讯
软件应用
模具制造
机械制造
机械知识
平面设计
其他
软件安装
帮助中心
注册问题
登录问题
上传问题
下载问题
充值问题
更多
在线视频
新站课程
本站课程
在线问答
登录
注册
设计 第55页
最新标签
HTML
入门
精通
摩托车
三轮
狂想
两栖
图文
作用
水泵
诱导
前置
视频
测试
咨询
售后
违规
注册
登录
充值
积分
流程
提现
编号
大小
提取
0167
XSSJUG
取值
旋切
毫米
按照
上传
退稿
稿件
无法
账号
注销
站上
qiufukang
右上角
绑定
下拉
帐号
原作者
以下简称
本站
协议
会员
其它
刀路
桃木
夹板
关联性
鸟瞰
文章
PAUSE
command
主视图
长度
RCDATA
计算
ID
开发
雕刻机
生成
注释
端盖
中设
标题
回到
外公切线
圆心
立体
实验
布局
浮动
外部
参照
网格
多线
显示
缩放
特性
编组
门厅
源点
附着
光源
图片
一圆
基点
SolidEdge
教程
属性
10.3
有的
弧段
正交
栅格
及图
文章排序
时间
标题
热度
留言
随机
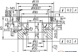
机床上的防错设计(图文教程)
教程
设计
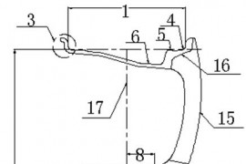
工件打毛刺机设计(图文教程)
工件
教程
设计
齿轮传动的设计原理(图文教程)
教程
设计
焊接技术(二)焊接设计(图文教程)2焊接设计
设计
教程
技术
焊接接头设计(图文教程)
教程
设计
发动机生产设计(图文教程)
教程
设计
车轮设计指导书(图文教程)
教程
设计
教你快速设计并绘制出毛坯图
绘制
设计
液压系统的设计步骤教程
步骤
教程
设计
降低模具成本的六大法宝教程
模具
成本
精加工
设计
基准
夹具设计之钻模设计知识
设计
关于夹具设计的注意要点
要点
设计
9种工装夹具设计注意要点
要点
设计
夹具设计工程师须知的夹具设计技术资料
设计
机械设计画齿轮“模数”是如何计算的?
齿轮
计算
设计
选择
要求
链传动设计的注意事项
设计
塑胶产品的孔和柱子的设计注意问题点
螺丝
外径
柱子
设计
塑件
51
52
53
54
55
首页
发布
用户中心
积分充值
开通会员
客服